第118页
- 第1页
- 第2页
- 第3页
- 第4页
- 第5页
- 第6页
- 第7页
- 第8页
- 第9页
- 第10页
- 第11页
- 第12页
- 第13页
- 第14页
- 第15页
- 第16页
- 第17页
- 第18页
- 第19页
- 第20页
- 第21页
- 第22页
- 第23页
- 第24页
- 第25页
- 第26页
- 第27页
- 第28页
- 第29页
- 第30页
- 第31页
- 第32页
- 第33页
- 第34页
- 第35页
- 第36页
- 第37页
- 第38页
- 第39页
- 第40页
- 第41页
- 第42页
- 第43页
- 第44页
- 第45页
- 第46页
- 第47页
- 第48页
- 第49页
- 第50页
- 第51页
- 第52页
- 第53页
- 第54页
- 第55页
- 第56页
- 第57页
- 第58页
- 第59页
- 第60页
- 第61页
- 第62页
- 第63页
- 第64页
- 第65页
- 第66页
- 第67页
- 第68页
- 第69页
- 第70页
- 第71页
- 第72页
- 第73页
- 第74页
- 第75页
- 第76页
- 第77页
- 第78页
- 第79页
- 第80页
- 第81页
- 第82页
- 第83页
- 第84页
- 第85页
- 第86页
- 第87页
- 第88页
- 第89页
- 第90页
- 第91页
- 第92页
- 第93页
- 第94页
- 第95页
- 第96页
- 第97页
- 第98页
- 第99页
- 第100页
- 第101页
- 第102页
- 第103页
- 第104页
- 第105页
- 第106页
- 第107页
- 第108页
- 第109页
- 第110页
- 第111页
- 第112页
- 第113页
- 第114页
- 第115页
- 第116页
- 第117页
- 第118页
- 第119页
- 第120页
- 第121页
- 第122页
- 第123页
- 第124页
- 第125页
- 第126页
- 第127页
- 第128页
- 第129页
- 第130页
11. (2024·曲靖模拟)如图所示的照明电路,符合安全用电的要求,则

a
(选填“a”或“b”)导线是相线。不能
(选填“能”或“不能”)用湿抹布擦正在发光的灯泡。
答案:
a 不能
12. 生活中带有三脚插头的用电器必须对应使用三孔插座,目的是使该家用电器的外壳接保护线。下列说法正确的是(
A.连接用电器外壳的插脚较短一些
B.只有大功率用电器才需要接保护线
C.用电器外壳接地是为了防止触电
D.若不接保护线一定会造成电源短路
C
)A.连接用电器外壳的插脚较短一些
B.只有大功率用电器才需要接保护线
C.用电器外壳接地是为了防止触电
D.若不接保护线一定会造成电源短路
答案:
C
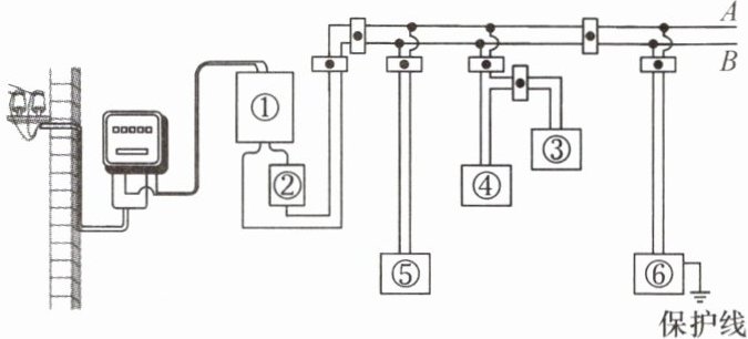
13. (2025·昆明官渡区模拟)如图所示是小明家的家庭电路示意图,有灯泡、开关、保险装置、总开关、两孔和三孔插座未画出,且各元器件的安装符合安全用电的原则。下列说法正确的是(

A.图中①处是保险装置,②是总开关
B.图中③是开关,④是灯泡
C.有金属外壳的电热水壶应该接在⑤
D.可以把导线 A 和 B 连起来,电路形成一个通路
B
)A.图中①处是保险装置,②是总开关
B.图中③是开关,④是灯泡
C.有金属外壳的电热水壶应该接在⑤
D.可以把导线 A 和 B 连起来,电路形成一个通路
答案:
B
14. 学习家庭电路相关知识后,小浩对设计的如图所示家庭电路及其使用的下列认识,正确的是(

A.图中两盏灯泡与其对应控制开关的连接都是正确的
B.电冰箱的插头接保护线的插脚脱落,仍可插入插座 P 长期使用
C.如果灯泡$ L_2 $不能正常工作,则插座 Q 也一定不能正常工作
D.断开开关$ S_2,$正确使用测电笔检查灯泡$ L_2 $两端接线柱,氖管都不会发光
D
)A.图中两盏灯泡与其对应控制开关的连接都是正确的
B.电冰箱的插头接保护线的插脚脱落,仍可插入插座 P 长期使用
C.如果灯泡$ L_2 $不能正常工作,则插座 Q 也一定不能正常工作
D.断开开关$ S_2,$正确使用测电笔检查灯泡$ L_2 $两端接线柱,氖管都不会发光
答案:
D
15. (2025·广西)某测电笔的构造如图所示。正确使用测电笔时,手指按住金属笔卡,用测电笔的

笔尖
部位接触导线的芯线,若氖管发光,则该导线是相线
(选填“相线”或“中性线”)。
答案:
笔尖 相线
16. (2025·昆明模拟)“珍爱生命,远离危险”。在家里使用电器时,要在符合安全用电的前提下进行,例如控制用电器的开关应该接在
相线
(选填“相线”“中性线”或“保护线”)上;保险丝应当选取电阻大
(选填“大”或“小”),熔点低
(选填“高”或“低”)的合金材料。
答案:
相线 大 低
17. (2025·昆明校级模拟)如图是教室里的“班班通”电源连接线所采用的三脚插头和相对应的三孔插座,插头上标有字母

PE
的导线和用电器的金属外壳相连,当三脚插头插入三孔插座时,就将外壳与大地
相连,能够有效预防触电事故的发生。
答案:
PE 大地
18. 如图为按照安全用电原则接入的家庭电路,a 线应该为

中性
(选填“相”或“中性”)线,电路正常,断开开关后,用测电笔检测 A 点时,氖管不发光
;用测电笔检测 B 点时,氖管发光
(后两空均选填“发光”或“不发光”)。
答案:
中性 不发光 发光
19. (2025·云南)用笔画线代替导线将如图的电路连接完整。

答案:
解:如图所示:
解:如图所示:
查看更多完整答案,请扫码查看