第45页
- 第1页
- 第2页
- 第3页
- 第4页
- 第5页
- 第6页
- 第7页
- 第8页
- 第9页
- 第10页
- 第11页
- 第12页
- 第13页
- 第14页
- 第15页
- 第16页
- 第17页
- 第18页
- 第19页
- 第20页
- 第21页
- 第22页
- 第23页
- 第24页
- 第25页
- 第26页
- 第27页
- 第28页
- 第29页
- 第30页
- 第31页
- 第32页
- 第33页
- 第34页
- 第35页
- 第36页
- 第37页
- 第38页
- 第39页
- 第40页
- 第41页
- 第42页
- 第43页
- 第44页
- 第45页
- 第46页
- 第47页
- 第48页
- 第49页
- 第50页
- 第51页
- 第52页
- 第53页
- 第54页
- 第55页
- 第56页
- 第57页
- 第58页
- 第59页
- 第60页
- 第61页
- 第62页
- 第63页
- 第64页
- 第65页
- 第66页
- 第67页
- 第68页
- 第69页
- 第70页
- 第71页
- 第72页
- 第73页
- 第74页
- 第75页
- 第76页
- 第77页
- 第78页
- 第79页
- 第80页
- 第81页
- 第82页
- 第83页
- 第84页
- 第85页
电磁继电器
定义:电磁继电器是利用__________来控制工作电路的一种________。
构造:请填写电磁继电器各部分的名称。
应用:可以利用_____电压、_____电流电路的通断,来间接控制_____电压、_____电流电路的通断。
工作原理:______________。
定义:电磁继电器是利用__________来控制工作电路的一种________。
构造:请填写电磁继电器各部分的名称。
应用:可以利用_____电压、_____电流电路的通断,来间接控制_____电压、_____电流电路的通断。
工作原理:______________。
答案:
电磁铁 开关 衔铁 弹簧 电磁铁 触点 低 弱 高 强 电流的磁效应
1. 电磁继电器的主要作用相当于工作电路的 ( )
A. 电源
B. 用电器
C. 开关
D. 导线
A. 电源
B. 用电器
C. 开关
D. 导线
答案:
C
2. 下列各选项的功能中,电磁继电器不能完成的是 ( )
A. 控制电路中电流的连续变化
B. 控制电路中电流的有无
C. 利用低电压、弱电流电路的通断控制高电压、强电流电路的通断
D. 远距离自动控制与操作
A. 控制电路中电流的连续变化
B. 控制电路中电流的有无
C. 利用低电压、弱电流电路的通断控制高电压、强电流电路的通断
D. 远距离自动控制与操作
答案:
A
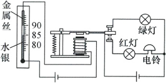
3.(教材习题变式)如图所示是水位报警器的工作原理图,当水位上升至金属块A的位置时,电磁铁________(选填“失去”或“有了”)磁性,________(选填“红灯”或“绿灯”)开始工作,发出报警信号。
答案:
有了 红灯
4.(2024·四川自贡)如图所示是自贡某科技小组设计的一种温度自动控制报警装置电路图,关于它的说法正确的是 ( )

A. 当温度达到90℃时,报警装置就会响铃,同时红灯亮
B. 当温度达到90℃时,报警装置就会响铃,同时绿灯亮
C. 当温度低于90℃时,报警装置就会响铃,同时绿灯亮
D. 当温度低于90℃时,报警装置就会响铃,同时红灯亮
A. 当温度达到90℃时,报警装置就会响铃,同时红灯亮
B. 当温度达到90℃时,报警装置就会响铃,同时绿灯亮
C. 当温度低于90℃时,报警装置就会响铃,同时绿灯亮
D. 当温度低于90℃时,报警装置就会响铃,同时红灯亮
答案:
A
[变式题]如图,当闭合开关后,电磁铁产生磁性,吸引__________(选填“衔铁B”或“螺钉A”),带动小球敲击铃碗C发声,同时A和B分离,电路________,电磁铁失去磁性,B复位又将电路接通,如此反复,电铃持续发声。
答案:
衔铁B 断路
5. 用电磁继电器控制高电压、强电流的开关,其主要优点是 ( )
A. 节约用电
B. 安全用电
C. 保护用电器
D. 操作简单
A. 节约用电
B. 安全用电
C. 保护用电器
D. 操作简单
答案:
B
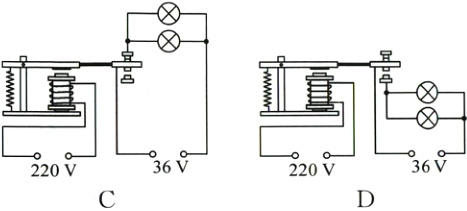
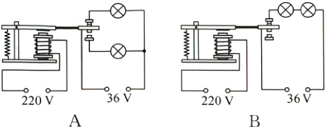
6. 消防应急灯在没有停电时,灯是熄灭的;停电时,标有“36 V”字样的两盏灯就会正常发光。如图所示的电路中符合要求的是 ( )
答案:
C
查看更多完整答案,请扫码查看