第34页
- 第1页
- 第2页
- 第3页
- 第4页
- 第5页
- 第6页
- 第7页
- 第8页
- 第9页
- 第10页
- 第11页
- 第12页
- 第13页
- 第14页
- 第15页
- 第16页
- 第17页
- 第18页
- 第19页
- 第20页
- 第21页
- 第22页
- 第23页
- 第24页
- 第25页
- 第26页
- 第27页
- 第28页
- 第29页
- 第30页
- 第31页
- 第32页
- 第33页
- 第34页
- 第35页
- 第36页
- 第37页
- 第38页
- 第39页
- 第40页
- 第41页
- 第42页
- 第43页
- 第44页
- 第45页
- 第46页
- 第47页
- 第48页
- 第49页
- 第50页
- 第51页
- 第52页
- 第53页
- 第54页
- 第55页
- 第56页
- 第57页
- 第58页
- 第59页
- 第60页
- 第61页
- 第62页
- 第63页
- 第64页
- 第65页
- 第66页
- 第67页
- 第68页
- 第69页
- 第70页
- 第71页
- 第72页
- 第73页
- 第74页
- 第75页
- 第76页
- 第77页
- 第78页
- 第79页
- 第80页
- 第81页
- 第82页
- 第83页
- 第84页
- 第85页
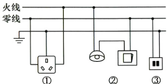
1.(2024·天津)如图为部分家庭电路示意图,其中连接正确的是( )

A.①
B.②
C.①③
D.②③
A.①
B.②
C.①③
D.②③
答案:
A
2.关于家庭电路和安全用电,下列说法正确的是( )

A.图甲中,床头灯开关内的线头相碰,会造成空气开关跳闸
B.图乙中,漏电保护器会在插座被短路时跳闸,迅速切断电流
C.图丙中,闭合开关,电灯不亮,用试电笔接触D、E点时氖管均发光,测F点时氖管不发光,该电路故障为EF间断路
D.图丁中,用试电笔检查电气设备是否带电时,为了安全,手不能触碰金属笔尖和金属笔卡
A.图甲中,床头灯开关内的线头相碰,会造成空气开关跳闸
B.图乙中,漏电保护器会在插座被短路时跳闸,迅速切断电流
C.图丙中,闭合开关,电灯不亮,用试电笔接触D、E点时氖管均发光,测F点时氖管不发光,该电路故障为EF间断路
D.图丁中,用试电笔检查电气设备是否带电时,为了安全,手不能触碰金属笔尖和金属笔卡
答案:
C
查看更多完整答案,请扫码查看