第73页
- 第1页
- 第2页
- 第3页
- 第4页
- 第5页
- 第6页
- 第7页
- 第8页
- 第9页
- 第10页
- 第11页
- 第12页
- 第13页
- 第14页
- 第15页
- 第16页
- 第17页
- 第18页
- 第19页
- 第20页
- 第21页
- 第22页
- 第23页
- 第24页
- 第25页
- 第26页
- 第27页
- 第28页
- 第29页
- 第30页
- 第31页
- 第32页
- 第33页
- 第34页
- 第35页
- 第36页
- 第37页
- 第38页
- 第39页
- 第40页
- 第41页
- 第42页
- 第43页
- 第44页
- 第45页
- 第46页
- 第47页
- 第48页
- 第49页
- 第50页
- 第51页
- 第52页
- 第53页
- 第54页
- 第55页
- 第56页
- 第57页
- 第58页
- 第59页
- 第60页
- 第61页
- 第62页
- 第63页
- 第64页
- 第65页
- 第66页
- 第67页
- 第68页
- 第69页
- 第70页
- 第71页
- 第72页
- 第73页
- 第74页
- 第75页
- 第76页
- 第77页
- 第78页
- 第79页
- 第80页
- 第81页
- 第82页
- 第83页
- 第84页
- 第85页
- 第86页
- 第87页
- 第88页
- 第89页
- 第90页
- 第91页
- 第92页
- 第93页
- 第94页
- 第95页
- 第96页
- 第97页
- 第98页
- 第99页
- 第100页
- 第101页
- 第102页
- 第103页
- 第104页
- 第105页
- 第106页
- 第107页
- 第108页
- 第109页
- 第110页
- 第111页
- 第112页
- 第113页
1. 白炽灯的灯丝断开后,可把断头搭接起来继续使用,这时灯丝的(
A.电阻变大,电流减小
B.电阻变小,电流增大
C.电阻和电流都增大
D.电阻和电流都减小
串联
)A.电阻变大,电流减小
B.电阻变小,电流增大
C.电阻和电流都增大
D.电阻和电流都减小
答案:
1.B
2. 如图5 - 1所示电路中,电源电压不变,$R_{1}$是定值电阻,当$a$、$b$两点间接入$R_{2}=10\Omega$的电阻时,通过定值电阻$R_{1}$的电流是1A;若$a$、$b$间改接$R_{3}=20\Omega$的电阻,通过定值电阻$R_{1}$的电流为0.6A,则$R_{1}$()

A.等于$5\Omega$
B.小于$5\Omega$
C.大于$5\Omega$
D.无法判断
A.等于$5\Omega$
B.小于$5\Omega$
C.大于$5\Omega$
D.无法判断
答案:
2.A
3. 有两个阻值不同的定值电阻$R_{1}$、$R_{2}$,它们的电流随电压变化的$I - U$图线如图5 - 2所示。如果$R_{1}$、$R_{2}$串联后的总电阻为$R_{串}$,并联后的总电阻为$R_{并}$,则关于$R_{串}$、$R_{并}$的$I - U$图线所在的区域,下列说法中正确的是()

A.$R_{串}$在Ⅱ区域,$R_{并}$在Ⅲ区域
B.$R_{串}$在Ⅲ区域,$R_{并}$在Ⅰ区域
C.$R_{串}$在Ⅰ区域,$R_{并}$在Ⅱ区域
D.$R_{串}$在Ⅰ区域,$R_{并}$在Ⅲ区域
A.$R_{串}$在Ⅱ区域,$R_{并}$在Ⅲ区域
B.$R_{串}$在Ⅲ区域,$R_{并}$在Ⅰ区域
C.$R_{串}$在Ⅰ区域,$R_{并}$在Ⅱ区域
D.$R_{串}$在Ⅰ区域,$R_{并}$在Ⅲ区域
答案:
3.D
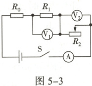
4. 如图5 - 3所示电路,电源两端电压保持不变,闭合开关S,当滑动变阻器的滑片向右滑动时,下列判断正确的是(

A.电压表$V_{1}$示数与电流表A的比值变大
B.电压表$V_{2}$示数与电流表A的比值不变
C.电压表$V_{1}$示数的变化量大于电压表$V_{2}$示数的变化量
D.电压表$V_{1}$示数的变化量小于电压表$V_{2}$示数的变化量
断开
)A.电压表$V_{1}$示数与电流表A的比值变大
B.电压表$V_{2}$示数与电流表A的比值不变
C.电压表$V_{1}$示数的变化量大于电压表$V_{2}$示数的变化量
D.电压表$V_{1}$示数的变化量小于电压表$V_{2}$示数的变化量
答案:
4.D
5. 如图5 - 4所示电路中,电源电压不变,$R_{1}$为定值电阻,$R_{2}$为滑动变阻器。闭合开关S,移动滑片P,多次记录电压表示数U和对应电流表示数I,则下列绘出的$U - I$关系图像中正确的是()


答案:
5.A
6. 兰兰设计了一种测定风力的装置,其原理如图5 - 5所示,金属迎风板与绝缘轻弹簧的一端N相接,一起套在有一定电阻的光滑金属杆上。电路中左端导线与金属杆的M端相连,右端导线接在迎风板的N点,并可随迎风板在金属杆上滑动,导线与金属杆接触良好。电源两端电压不变,闭合开关,当风力增大时,电压表的示数将()

A.变小
B.不变
C.变大
D.无法判断
A.变小
B.不变
C.变大
D.无法判断
答案:
6.A
查看更多完整答案,请扫码查看