9. 关于电流、电压、电阻的关系,下列说法正确的是(
A.当导体两端的电压一定时,通过导体的电流跟导体的电阻成反比
B.一段导体的电阻大小跟电压、电流都有关系
C.电路中电流为0时,电压也为0
D.电压越大,电流一定越大
A
)A.当导体两端的电压一定时,通过导体的电流跟导体的电阻成反比
B.一段导体的电阻大小跟电压、电流都有关系
C.电路中电流为0时,电压也为0
D.电压越大,电流一定越大
答案:
9.A
10. 下列有关电学知识的说法中,正确的是(
A.导体的电阻与导体两端电压和通过导体的电流无关,与导体的材料、长度和横截面积等有关
B.电路中有电压就会有电流,电压是使电路中的自由电子定向移动产生电流的原因
C.只有正电荷定向移动才会形成电流,电荷定向移动的方向为电流方向
D.当导体的电阻一定时,导体两端的电压与通过导体的电流成正比
A
)A.导体的电阻与导体两端电压和通过导体的电流无关,与导体的材料、长度和横截面积等有关
B.电路中有电压就会有电流,电压是使电路中的自由电子定向移动产生电流的原因
C.只有正电荷定向移动才会形成电流,电荷定向移动的方向为电流方向
D.当导体的电阻一定时,导体两端的电压与通过导体的电流成正比
答案:
10.A
11. 下图是“探究电流与电阻的关系”和“伏安法测电阻”两个实验中使用的电路图,下列说法不正确的是(

A.前者多次测量是使实验结论具有普遍性,后者多次测量是为了减小误差
B.两个实验都用到了定值电阻,这是因为定值电阻随温度变化较小
C.前者采用了控制变量法,后者没有采用此方法
D.两个实验使用滑动变阻器的目的是相同的
D
)A.前者多次测量是使实验结论具有普遍性,后者多次测量是为了减小误差
B.两个实验都用到了定值电阻,这是因为定值电阻随温度变化较小
C.前者采用了控制变量法,后者没有采用此方法
D.两个实验使用滑动变阻器的目的是相同的
答案:
11.D
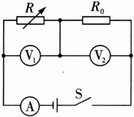
12. 下图是一种天然气泄漏检测仪的简化电路图,其中电源电压不变,$R$是气敏电阻,其阻值会随天然气浓度的增大而减小,$R_{0}$为定值电阻,电源电压不变,闭合开关S,下列判断正确的是(

A.当天然气的浓度增大时,电压表$V_{1}$示数变小,电流表示数变小
B.当天然气的浓度减小时,电压表$V_{2}$示数变大,电流表示数变大
C.当天然气的浓度减小时,电压表$V_{2}$和电流表示数的比值不变
D.当天然气的浓度减小时,电压表$V_{1}$和电流表示数的比值变小
C
)A.当天然气的浓度增大时,电压表$V_{1}$示数变小,电流表示数变小
B.当天然气的浓度减小时,电压表$V_{2}$示数变大,电流表示数变大
C.当天然气的浓度减小时,电压表$V_{2}$和电流表示数的比值不变
D.当天然气的浓度减小时,电压表$V_{1}$和电流表示数的比值变小
答案:
12.C
13. 如图甲所示的电路中,$R_{1}$的阻值为10 Ω,$R_{2}$的最大阻值为40 Ω,a、b、c为实验室常见电流表或者电压表,其表盘如图乙所示。下列各种情况正确的是(

A.若a、b、c都是电压表,当开关S、$S_{1}$闭合后,$U_{a} = U_{b} + U_{c}$。
B.若a、b、c都是电压表,当开关S、$S_{1}$闭合后,c的读数是b的1.25倍
C.若 a 是电压表,b、c 是电流表,当开关 S 闭合、$S_{1}$ 断开时,滑片向右移动时,b 和 c 的示数均减小
D.若 a、b、c 都是电压表,当开关 S、$S_{1}$ 闭合后,滑片向左移动,只有电压表 c 示数不变
CD
)A.若a、b、c都是电压表,当开关S、$S_{1}$闭合后,$U_{a} = U_{b} + U_{c}$。
B.若a、b、c都是电压表,当开关S、$S_{1}$闭合后,c的读数是b的1.25倍
C.若 a 是电压表,b、c 是电流表,当开关 S 闭合、$S_{1}$ 断开时,滑片向右移动时,b 和 c 的示数均减小
D.若 a、b、c 都是电压表,当开关 S、$S_{1}$ 闭合后,滑片向左移动,只有电压表 c 示数不变
答案:
13.CD
查看更多完整答案,请扫码查看