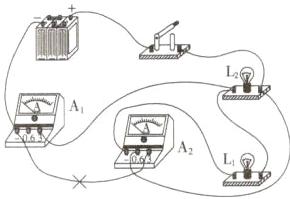
17.(1)请在图甲上改动导线,使两个电流表分别测干路和支路的电流,并在虚线框中画出改正后的电路图。(要求:在需改动的导线上画“×”,用笔将改动后的导线画出,导线不许交叉)
(2)图乙为电吹风机的典型电路,其中电热丝通电后可以发热,电动机通电后可以送风。
①选择开关分别放在什么位置时,电吹风机分别是“停”“冷风”和“热风”的工作状态?
②电吹风机送热风时通过电动机的电流是$0.2\ A$,通过电热丝的电流是$0.8\ A$,那么此时通过插头处的总电流是多少?

(2)图乙为电吹风机的典型电路,其中电热丝通电后可以发热,电动机通电后可以送风。
①选择开关分别放在什么位置时,电吹风机分别是“停”“冷风”和“热风”的工作状态?
②电吹风机送热风时通过电动机的电流是$0.2\ A$,通过电热丝的电流是$0.8\ A$,那么此时通过插头处的总电流是多少?
答案:
17.解:
(1)
(2)①开关放在A、B位置时,电吹风机吹热风;开关放在B、C位置时,电吹风机吹冷风;开关放在C、D位置时,电吹风机处于“停”的状态。
②当电吹风送热风时,电动机和电热丝同时工作,且并联在电路中,根据并联电路电流的特点,插头处的总电流I = I₁ + I₂ = 0.2A + 0.8A = 1A
17.解:
(1)
(2)①开关放在A、B位置时,电吹风机吹热风;开关放在B、C位置时,电吹风机吹冷风;开关放在C、D位置时,电吹风机处于“停”的状态。
②当电吹风送热风时,电动机和电热丝同时工作,且并联在电路中,根据并联电路电流的特点,插头处的总电流I = I₁ + I₂ = 0.2A + 0.8A = 1A
18.知道电流表和电压表接入电路的方法以及其面板刻度的意义是正确使用它们的基础。

(1)图甲中电路接线错误的是
(2)图乙中将“-”和“3”接线柱接入电路,测量范围是
(3)图丙中,验电器是根据
(1)图甲中电路接线错误的是
电流表正负接线柱接反了
。(2)图乙中将“-”和“3”接线柱接入电路,测量范围是
0~3A
,分度值是0.1A
。请在图乙中画出电流为$0.8\ A$时的指针位置。(3)图丙中,验电器是根据
同种电荷互相排斥
的原理制成的。
答案:
18.
(1)电流表正负接线柱接反了
(2)0~3A 0.1A
(3)同种电荷互相排斥
18.
(1)电流表正负接线柱接反了
(2)0~3A 0.1A
(3)同种电荷互相排斥
19.在“连接串联电路”的实验中,实验电路如图甲所示。

(1)在连接电路时,开关应该处于
(2)小华连接好电路后,闭合开关,两个小灯泡都能发光,突然两灯同时熄灭,取下两个灯泡,发现其中一个变黑,另一个没有变化。将没有变化的灯仍接入电路中,闭合开关后可观察到这只小灯泡
(3)如图甲所示,将开关分别接在A、B、C三点,开关的作用
(4)图乙是一个有盖的木盒,电路的部分连接情况隐藏在盒内。闭合开关时,两只灯泡都亮了,断开开关时,两只灯泡都熄灭。为了判断两灯的连接方式是串联还是并联,最简单的方法是将暗箱电路盒上的一灯泡拧下,再闭合开关,若另一灯泡仍亮,说明两只灯泡是
(1)在连接电路时,开关应该处于
断开
状态。(2)小华连接好电路后,闭合开关,两个小灯泡都能发光,突然两灯同时熄灭,取下两个灯泡,发现其中一个变黑,另一个没有变化。将没有变化的灯仍接入电路中,闭合开关后可观察到这只小灯泡
不发光
(选填“发光”或“不发光”),以上现象说明了串联电路各用电器具有相互影响
(选填“相互影响”或“不相互影响”)的特点;小华找来一个完好的灯泡接入电路,发现两灯的亮度不相同,于是他将两灯的位置对换了一下,发现更亮的那个灯泡依旧更亮,说明:串联电路中,用电器的位置对电路无
影响。(3)如图甲所示,将开关分别接在A、B、C三点,开关的作用
相同
(选填“相同”或“不相同”)。(4)图乙是一个有盖的木盒,电路的部分连接情况隐藏在盒内。闭合开关时,两只灯泡都亮了,断开开关时,两只灯泡都熄灭。为了判断两灯的连接方式是串联还是并联,最简单的方法是将暗箱电路盒上的一灯泡拧下,再闭合开关,若另一灯泡仍亮,说明两只灯泡是
并联
的;若另一个熄灭,则两个灯泡是串联
。
答案:
19.
(1)断开
(2)不发光 相互影响 无
(3)相同
(4)并联 串联
(1)断开
(2)不发光 相互影响 无
(3)相同
(4)并联 串联
查看更多完整答案,请扫码查看