第58页
- 第1页
- 第2页
- 第3页
- 第4页
- 第5页
- 第6页
- 第7页
- 第8页
- 第9页
- 第10页
- 第11页
- 第12页
- 第13页
- 第14页
- 第15页
- 第16页
- 第17页
- 第18页
- 第19页
- 第20页
- 第21页
- 第22页
- 第23页
- 第24页
- 第25页
- 第26页
- 第27页
- 第28页
- 第29页
- 第30页
- 第31页
- 第32页
- 第33页
- 第34页
- 第35页
- 第36页
- 第37页
- 第38页
- 第39页
- 第40页
- 第41页
- 第42页
- 第43页
- 第44页
- 第45页
- 第46页
- 第47页
- 第48页
- 第49页
- 第50页
- 第51页
- 第52页
- 第53页
- 第54页
- 第55页
- 第56页
- 第57页
- 第58页
- 第59页
- 第60页
- 第61页
- 第62页
- 第63页
- 第64页
- 第65页
- 第66页
- 第67页
- 第68页
- 第69页
- 第70页
- 第71页
- 第72页
- 第73页
- 第74页
- 第75页
- 第76页
- 第77页
- 第78页
- 第79页
6. 如图16-1-4所示电路元器件,要求:$L_1$和$L_2$组成并联电路,开关$S_1$控制整个电路,开关$S_2$只控制$L_2,$电流表测量干路电流,电压表测量$L_2$两端的电压。请在实物图中连接实物电路。

答案:
如答图所示。
如答图所示。
1. 下列关于电流与电压的说法,正确的是(
A.电路中有电流时,一定有电压,因为电压是产生电流的原因
B.电路中只要有电压,就一定会有电流
C.电路闭合,导体内只要有大量的自由电荷,就会有电流
D.只有正电荷定向移动才可以形成电流
A
)A.电路中有电流时,一定有电压,因为电压是产生电流的原因
B.电路中只要有电压,就一定会有电流
C.电路闭合,导体内只要有大量的自由电荷,就会有电流
D.只有正电荷定向移动才可以形成电流
答案:
A
2. 如图16-1-5所示$,L_1$和$L_2$是灯泡,且两灯泡均正常发光,“○”处可以连接电流表、电压表测量电路中的电流、电压,下列说法正确的是(

A.a为电流表,b为电压表,c为电流表
B.a为电压表,b为电压表,c为电流表
C.a为电流表,b为电流表,c为电压表
D.a为电流表,b为电流表,c为电流表

B
)A.a为电流表,b为电压表,c为电流表
B.a为电压表,b为电压表,c为电流表
C.a为电流表,b为电流表,c为电压表
D.a为电流表,b为电流表,c为电流表
答案:
B 点拨:由题图可知a表跟灯泡L₁并联,所以应为电压表;b表与灯泡L₂并联,应为电压表;c表跟灯泡L₂串联,所以应为电流表。由上述可知选项ACD都不正确,故选B。
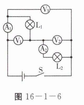
3. 如图16-1-6所示的电路,关于电压表、电流表、灯泡的连接方式,下列说法正确的是(

A.两灯泡并联
B.两灯泡串联
C.电流表$A_1$测干路电流,电流表$A_2$测通过$L_2$的电流,它们的示数不相等
D.电压表$V_1$测$L_1$两端电压,电压表$V_2$测电路总电压,电压表$V_3$测$L_2$两端电压
B
)A.两灯泡并联
B.两灯泡串联
C.电流表$A_1$测干路电流,电流表$A_2$测通过$L_2$的电流,它们的示数不相等
D.电压表$V_1$测$L_1$两端电压,电压表$V_2$测电路总电压,电压表$V_3$测$L_2$两端电压
答案:
B 点拨:开关闭合后,电流只有一条路径,因此两灯泡的连接方式是串联,故A错误,B正确;电流表A₁、A₂串联在电路中,测串联电路的电流,由于串联电路中电流处处相等,则两电流表都是测L₁或L₂的电流,它们的示数相等,故C错误;电压表V₁并联在L₁两端,测L₁两端的电压,电压表V₂并联在L₂两端,测L₂两端的电压,电压表V₃并联在L₁和L₂两端,测电路的总电压,故D错误。故选B。
4. 如图16-1-7甲所示电路中,开关S闭合后,两灯泡均发光,两个电压表的指针偏转角度相同,均如图16-1-7乙所示。下列说法不正确的是(

A. L₁和L₂两灯串联
B. 电源电压为10V
C. V₂测L₁两端的电压
D. 通过L₁和L₂的电流大小相等
C
)A. L₁和L₂两灯串联
B. 电源电压为10V
C. V₂测L₁两端的电压
D. 通过L₁和L₂的电流大小相等
答案:
C 点拨:由电路图可知,两灯泡串联,电压表V₁测电源电压,电压表V₂测L₂两端的电压,故A正确,C错误;根据串联电路的电压特点可知,电压表V₁的示数大于V₂的示数,则电压表V₁选择的测量范围为0~15V,分度值为0.5V,其读数为U=10V,故B正确;根据串联电路电流的特点可知经过两灯泡的电流相等,故通过灯泡L₁、L₂的电流相等,故D正确。故选C。
5. 如图16-1-8甲中,电压表的测量范围是

0~15
V,分度值为0.5
V,电压表的示数是8.5
V。如图16-1-8乙中,电压表的测量范围是0~3
V,分度值为0.1
V,电压表的示数是0.6
V。
答案:
0~15 0.5 8.5 0~3 0.1 0.6
查看更多完整答案,请扫码查看