第51页
- 第1页
- 第2页
- 第3页
- 第4页
- 第5页
- 第6页
- 第7页
- 第8页
- 第9页
- 第10页
- 第11页
- 第12页
- 第13页
- 第14页
- 第15页
- 第16页
- 第17页
- 第18页
- 第19页
- 第20页
- 第21页
- 第22页
- 第23页
- 第24页
- 第25页
- 第26页
- 第27页
- 第28页
- 第29页
- 第30页
- 第31页
- 第32页
- 第33页
- 第34页
- 第35页
- 第36页
- 第37页
- 第38页
- 第39页
- 第40页
- 第41页
- 第42页
- 第43页
- 第44页
- 第45页
- 第46页
- 第47页
- 第48页
- 第49页
- 第50页
- 第51页
- 第52页
- 第53页
- 第54页
- 第55页
- 第56页
- 第57页
- 第58页
- 第59页
- 第60页
- 第61页
- 第62页
- 第63页
- 第64页
- 第65页
- 第66页
- 第67页
- 第68页
- 第69页
- 第70页
- 第71页
- 第72页
- 第73页
- 第74页
- 第75页
- 第76页
- 第77页
- 第78页
- 第79页
5. 如图 15-5-10 所示的电路,闭合开关后,通过灯 $L_{1}$ 的电流为 0.2 A,通过灯 $L_{2}$ 的电流为 0.3 A。若灯 $L_{2}$ 烧坏,电流表 $A_{2}$ 的示数


不变
(选填“变大”“变小”或“不变”)。
答案:
不变
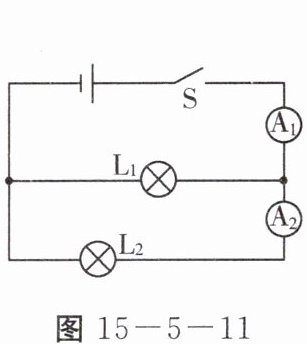
6. 如图 15-5-11 所示电路,当开关 S 闭合时,灯泡 $L_{1}$、$L_{2}$ 连接方式为
并
联,若此时电流表 $A_{1}$ 和 $A_{2}$ 的示数分别为 0.9 A 和 0.5 A,则通过灯 $L_{1}$ 的电流是0.4
A;实验过程中,$L_{1}$ 灯丝因故烧断,则此时 $A_{1}$ 的示数是0.5
A。
答案:
并 0.4 0.5
7. 小林同学所在的兴趣小组正在探究并联电路中电流的规律。

(1) 图 15-5-12 甲是他们设计的电路图,实验时需要测量 A、B、C 三处的电流。图 15-5-12 乙是他们某次测量时连接的实验电路,此时电流表测量的是 (选填“A”“B”或“C”)处的电流。
(2) 小林同学要测量通过灯 $L_{2}$ 的电流,只需将图 15-5-12 乙中导线 (选填“a”或“b”)的一端移动到电流表的负接线柱上;重新连接好电路后,闭合开关,电流表的示数如图 15-5-12 丙所示,则电流表的示数为 A。
(3) 该小组另一名同学测出一组 A、B、C 三处的电流,数据如下表所示,由此他得出结论:
| $I_{A}/A$ | $I_{B}/A$ | $I_{C}/A$ |
| 0.2 | 0.2 | 0.4 |

① 干路电流等于各支路电流之和。
② 各支路电流相等。
(4) 小组内交流讨论后,一致认为该同学的结论不具有普遍性,要得到并联电路中电流的规律,还应该选用规格 (选填“相同”或“不相同”)的灯泡进行多次实验。
(1)
(2)
(4)
(1) 图 15-5-12 甲是他们设计的电路图,实验时需要测量 A、B、C 三处的电流。图 15-5-12 乙是他们某次测量时连接的实验电路,此时电流表测量的是 (选填“A”“B”或“C”)处的电流。
(2) 小林同学要测量通过灯 $L_{2}$ 的电流,只需将图 15-5-12 乙中导线 (选填“a”或“b”)的一端移动到电流表的负接线柱上;重新连接好电路后,闭合开关,电流表的示数如图 15-5-12 丙所示,则电流表的示数为 A。
(3) 该小组另一名同学测出一组 A、B、C 三处的电流,数据如下表所示,由此他得出结论:
| $I_{A}/A$ | $I_{B}/A$ | $I_{C}/A$ |
| 0.2 | 0.2 | 0.4 |
① 干路电流等于各支路电流之和。
② 各支路电流相等。
(4) 小组内交流讨论后,一致认为该同学的结论不具有普遍性,要得到并联电路中电流的规律,还应该选用规格 (选填“相同”或“不相同”)的灯泡进行多次实验。
(1)
C
(2)
a
0.3
(4)
不相同
答案:
(1)C
(2)a 0.3
(4)不相同
(1)C
(2)a 0.3
(4)不相同
8. 探究并联电路中的电流规律。
(1) 小吉按图 15-5-13 甲连接好电路后,闭合开关,发现两个灯都亮,因导线较乱,不能判断两个灯是串联还是并联,以下操作及现象能判断出电路连接方式的是 (
A. 拧下一个灯的灯泡,另一个灯仍能亮
B. 拆掉一根导线,两个灯都不亮
C. 断开开关,两个灯都不亮
D. 观察两个灯的亮度不同
(2) 图 15-5-13 乙是小吉连接的电路,闭合开关 S,电流表测通过灯

(3) 小吉表格设计中存在的不足是______。

|序号| $I_{A}$ | $I_{B}$ | $I_{C}$ |
|1| 0.22 | 0.28 | 0.50 |
|2| 0.24 | 0.24 | 0.48 |
|3| 0.28 | | 0.58 |
(4) 表格补充完整后,其中第 3 次实验中 B 点的电流如图 15-5-13 丙所示,则 $I_{B}= $
(5) 本实验可以得出的结论:并联电路干路中的电流等于各支路电流
(6) 如图 15-5-13 丁所示的插线板中,a 接电源,b 接台灯,c 接手机,两用电器均正常工作,a、b、c 中电流最大的是
(1) 小吉按图 15-5-13 甲连接好电路后,闭合开关,发现两个灯都亮,因导线较乱,不能判断两个灯是串联还是并联,以下操作及现象能判断出电路连接方式的是 (
A
)。A. 拧下一个灯的灯泡,另一个灯仍能亮
B. 拆掉一根导线,两个灯都不亮
C. 断开开关,两个灯都不亮
D. 观察两个灯的亮度不同
(2) 图 15-5-13 乙是小吉连接的电路,闭合开关 S,电流表测通过灯
L₂
的电流。(3) 小吉表格设计中存在的不足是______。
|序号| $I_{A}$ | $I_{B}$ | $I_{C}$ |
|1| 0.22 | 0.28 | 0.50 |
|2| 0.24 | 0.24 | 0.48 |
|3| 0.28 | | 0.58 |
(4) 表格补充完整后,其中第 3 次实验中 B 点的电流如图 15-5-13 丙所示,则 $I_{B}= $
0.3
A;在第 2 次实验中测得 A、B 两点的电流相等,原因可能是______。(5) 本实验可以得出的结论:并联电路干路中的电流等于各支路电流
之和
。(6) 如图 15-5-13 丁所示的插线板中,a 接电源,b 接台灯,c 接手机,两用电器均正常工作,a、b、c 中电流最大的是
a
。
答案:
(1)A
(2)L₂
(3)没有标出电流的单位
(4)0.3 两个灯泡的规格相同
(5)之和
(6)a
(1)A
(2)L₂
(3)没有标出电流的单位
(4)0.3 两个灯泡的规格相同
(5)之和
(6)a
查看更多完整答案,请扫码查看