第29页
- 第1页
- 第2页
- 第3页
- 第4页
- 第5页
- 第6页
- 第7页
- 第8页
- 第9页
- 第10页
- 第11页
- 第12页
- 第13页
- 第14页
- 第15页
- 第16页
- 第17页
- 第18页
- 第19页
- 第20页
- 第21页
- 第22页
- 第23页
- 第24页
- 第25页
- 第26页
- 第27页
- 第28页
- 第29页
- 第30页
- 第31页
- 第32页
- 第33页
- 第34页
- 第35页
- 第36页
- 第37页
- 第38页
- 第39页
- 第40页
- 第41页
- 第42页
- 第43页
- 第44页
- 第45页
- 第46页
- 第47页
- 第48页
- 第49页
- 第50页
- 第51页
- 第52页
- 第53页
- 第54页
- 第55页
- 第56页
- 第57页
- 第58页
- 第59页
- 第60页
- 第61页
- 第62页
- 第63页
- 第64页
- 第65页
- 第66页
1. 串联电路:电路元件
首尾依次
连接,电流只有一条
路径;电路中各元件互相
影响;开关能控制整个
电路,开关位置不影响
其控制作用。
答案:
首尾依次 一条 互相 整个 不影响
2. 并联电路:电路元件
首尾并列
连接,电流有______两条及以上
路径;各支路元件______互不
影响;干路开关控制______整个
电路,支路开关控制______所在支路
。
答案:
首尾并列 两条及以上 互不 整个 所在支路
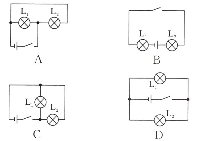
1. 如图所示,灯泡$L_1、$$L_2$串联的电路是(

B
)
答案:
B
2. 如图所示,闭合开关$S_1、$$S_2,$灯泡$L_1、$$L_2$是

并联
(选填“串联”或“并联”)的,再断开开关$S_1,$灯泡$L_1$发光
,灯泡$L_2$不发光
(后两空均选填“发光”或“不发光”)。
答案:
并联 发光 不发光
3. 如图所示,箭头表示闭合开关后电路中电流的方向。图甲中电流有

一
条路径,所以两盏灯是串
联的;图乙中电流有两
条路径,所以两盏灯是并
联的。
答案:
一 串 两 并
4. 如图所示,请按要求连接电路,要求:使开关控制两个灯泡,闭合开关,若其中一个灯泡断路,另一个灯泡也不亮。

答案:
解:如图所示
解:如图所示
5. 根据电路图连接实物图。(导线不得交叉)

答案:
解:如图所示
解:如图所示
6. 小张家的卫生间按如图所示的电路安装了照明灯和换气扇,它们(

A.只能各自独立工作,而不能同时工作
B.换气扇能独立工作,照明灯不能独立工作
C.只能同时工作,而不能各自独立工作
D.它们既能独立工作也能同时工作
D
)A.只能各自独立工作,而不能同时工作
B.换气扇能独立工作,照明灯不能独立工作
C.只能同时工作,而不能各自独立工作
D.它们既能独立工作也能同时工作
答案:
D
7. 英语听力测试时,各考场的有线扬声器是同时开播,也是同时停播的。当一个考场的有线扬声器发生断路故障时,不影响其他考场,据此可以判断它们之间的连接方式是
并联
。考场内有若干个吊扇,其中控制每一个吊扇的调速器与该吊扇之间的连接方式是串联
。考场内有线扬声器和吊扇之间的连接方式是并联
。(均选填“串联”或“并联”)
答案:
并联 串联 并联
8. 马路两旁的路灯总是同时亮、同时灭,这些路灯的连接方式(
A.一定是并联
B.一定是串联
C.可能是串联
D.无法判断
A
)A.一定是并联
B.一定是串联
C.可能是串联
D.无法判断
答案:
A
查看更多完整答案,请扫码查看