第8页
- 第1页
- 第2页
- 第3页
- 第4页
- 第5页
- 第6页
- 第7页
- 第8页
- 第9页
- 第10页
- 第11页
- 第12页
- 第13页
- 第14页
- 第15页
- 第16页
- 第17页
- 第18页
- 第19页
- 第20页
- 第21页
- 第22页
- 第23页
- 第24页
- 第25页
- 第26页
- 第27页
- 第28页
- 第29页
- 第30页
- 第31页
- 第32页
- 第33页
- 第34页
- 第35页
- 第36页
- 第37页
- 第38页
- 第39页
- 第40页
- 第41页
- 第42页
- 第43页
- 第44页
- 第45页
- 第46页
- 第47页
- 第48页
- 第49页
- 第50页
- 第51页
- 第52页
- 第53页
- 第54页
- 第55页
- 第56页
- 第57页
- 第58页
- 第59页
- 第60页
- 第61页
- 第62页
- 第63页
- 第64页
- 第65页
- 第66页
- 第67页
8. 光敏电阻在各种自动化装置中有很多应用,小柯用它设计了一种“智能家居照明灯”电路,如图所示。
(1) 导线______(选填“A”或“B”连接家庭电路中的火线。
(2) 小柯的设计要求是“智能家居照明灯”在天暗时自动点亮,天亮时自动熄灭,那么他选择的光敏电阻阻值大小应随光照强度的增加而________。
(1) 导线______(选填“A”或“B”连接家庭电路中的火线。
(2) 小柯的设计要求是“智能家居照明灯”在天暗时自动点亮,天亮时自动熄灭,那么他选择的光敏电阻阻值大小应随光照强度的增加而________。
答案:
(1)A
(2)减小
(1)A
(2)减小
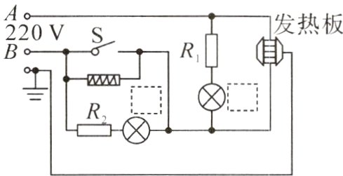
9. 电饭锅的原理如图所示:煮饭时开关S是闭合的,红色指示灯亮;饭熟后(当时的温度大约为103℃)保温时开关S自动断开,黄灯亮。
(1) 请在图中灯泡旁的相应虚线框中填上“红”或“黄”
(2) 通常情况下用这种电饭锅烧水时它的自动断电功能能不能起作用?为什么?
______________________________
______________________________.
(1) 请在图中灯泡旁的相应虚线框中填上“红”或“黄”
(2) 通常情况下用这种电饭锅烧水时它的自动断电功能能不能起作用?为什么?
______________________________
______________________________.
答案:
(1)如图所示.

(2)不能;在1标准大气压下,水的沸点为100℃,且加热温度不会升高,所以温度达不到103℃,开关不会自动断开
(1)如图所示.
(2)不能;在1标准大气压下,水的沸点为100℃,且加热温度不会升高,所以温度达不到103℃,开关不会自动断开
10. 物联网是新一代信息技术的重要组成部分,如图所示的家电智能控制系统,将电视机、热水器等家电接入网络,通过在手机中安装的软件进行远程遥控,实现远程开关的功能。用户在下班途中就能实现空调等家电的提前开启,也可通过手机定时控制家电的开关,不仅提高了家电控制效率,也增强了系统功能。
请根据上述说明,完成以下各题(均填序号):
(1) 通过手机定时控制家电的开关,该控制手段为______.
①自动控制 ②人工控制
(2) 该控制系统的控制方式属于______.
①开环控制 ②闭环控制
(3) 该控制系统的被控对象是______.
①手机 ②手机中的软件 ③家电
(4) 家电和手机技术在不断发展,所以家电控制系统的设计必须有一定的前瞻性,先从长远考虑,再分析局部,先解决家电控制的全过程,再完善某个家电的控制细节。这体现了系统分析的______.
①科学性原则
②综合性原则
③整体性原则
请根据上述说明,完成以下各题(均填序号):
(1) 通过手机定时控制家电的开关,该控制手段为______.
①自动控制 ②人工控制
(2) 该控制系统的控制方式属于______.
①开环控制 ②闭环控制
(3) 该控制系统的被控对象是______.
①手机 ②手机中的软件 ③家电
(4) 家电和手机技术在不断发展,所以家电控制系统的设计必须有一定的前瞻性,先从长远考虑,再分析局部,先解决家电控制的全过程,再完善某个家电的控制细节。这体现了系统分析的______.
①科学性原则
②综合性原则
③整体性原则
答案:
(1)①
(2)①
(3)③
(4)③
(1)①
(2)①
(3)③
(4)③
查看更多完整答案,请扫码查看