第46页
- 第1页
- 第2页
- 第3页
- 第4页
- 第5页
- 第6页
- 第7页
- 第8页
- 第9页
- 第10页
- 第11页
- 第12页
- 第13页
- 第14页
- 第15页
- 第16页
- 第17页
- 第18页
- 第19页
- 第20页
- 第21页
- 第22页
- 第23页
- 第24页
- 第25页
- 第26页
- 第27页
- 第28页
- 第29页
- 第30页
- 第31页
- 第32页
- 第33页
- 第34页
- 第35页
- 第36页
- 第37页
- 第38页
- 第39页
- 第40页
- 第41页
- 第42页
- 第43页
- 第44页
- 第45页
- 第46页
- 第47页
- 第48页
- 第49页
- 第50页
- 第51页
- 第52页
- 第53页
- 第54页
- 第55页
- 第56页
- 第57页
- 第58页
- 第59页
- 第60页
- 第61页
- 第62页
- 第63页
- 第64页
- 第65页
- 第66页
- 第67页
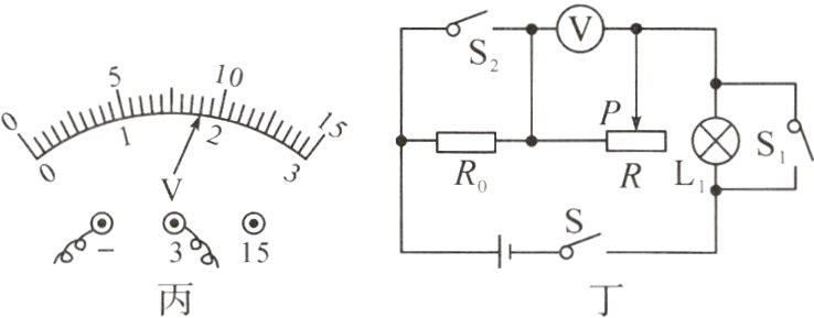
3. (丹东中考)在“测量小灯泡的额定功率”实验中,小潘选用的小灯泡L的额定电压为2.5V。
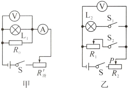
(1)小潘设计了如图甲所示的电路图,连接好电路后,闭合开关S,发现电流表的指针向左偏转,如图乙所示,其原因是________。
(2)排除故障后,闭合开关S,移动滑动变阻器R的滑片P到某一位置时,电压表示数如图丙所示,为________V;要测量小灯泡L的额定功率,滑片P应向______(选填“左”或“右”)移动,使电压表示数为2.5V,此时电流表示数为0.24A,则小灯泡L的额定功率为________W。
(3)实验结束后,小潘认为没有电流表也能测出小灯泡的额定功率。于是他找来了另一个电源(电压恒为8V)、一个额定电压为6V的小灯泡L₁和一个阻值为20Ω的定值电阻R₀等器材,设计了如图丁所示的电路,
物理(JK)九年级(下)
并完成了实验。实验过程如下:
①断开开关S₂,闭合开关S、S₁,移动滑动变阻器R的滑片P,使电压表的示数为____V,小灯泡L₁正常发光。
②断开开关S₂,闭合开关S、S₁,保持滑动变阻器R的滑片P位置不变,读出电压表的示数为1.6V。
③小灯泡L₁的额定功率为________W。
答案:
(1)电流表正、负接线柱接反了
(2)1.8 左 0.6
(3)①2 ③2.4
(1)电流表正、负接线柱接反了
(2)1.8 左 0.6
(3)①2 ③2.4
4. (2023.大庆中考改编)现有L₁、L₂两只额定电压U额均为2.5V,电阻值不同的小灯泡。某研究小组分别利用甲、乙两种电路图测量两只小灯泡的额定功率。
(1)图甲电路中,定值电阻的阻值为R₀ = 12.5Ω,实验操作如下:
①闭合开关S,调节滑动变阻器的滑片,使电压表的示数为U额。
②读出电流表的示数为I = 0.60A,计算出通过R₀的电流为________A。
③小灯泡L₁的额定功率为P额₁ = ____W。
(2)图乙电路中,电源电压未知但恒定不变,R₁和R₂为滑动变阻器,R₂的最大阻值为10Ω,实验操作如下:
①保持开关S₂断开,同时闭合开关S和S₁,调节R₂的滑片,使电压表的示数为U额。
②断开开关S₁,同时闭合开关S和S₂,保持______(选填“R₁”或“R₂”)的滑片位置不变,调节______(选填“R₁”或“R₂”)的滑片,使电压表示数仍为U额。
③仅将R₂的滑片P调至最左端,记下电压表的示数U₁ = 3.00V,再仅将R₂的滑片P调至最右端,记下电压表的示数U₂ = 1.00V,则小灯泡L₂的额定功率P额₂ = ________W。
答案:
(1)②0.2 ③1
(2)②R2 R1 ③1.25
(1)②0.2 ③1
(2)②R2 R1 ③1.25
查看更多完整答案,请扫码查看