第17页
- 第1页
- 第2页
- 第3页
- 第4页
- 第5页
- 第6页
- 第7页
- 第8页
- 第9页
- 第10页
- 第11页
- 第12页
- 第13页
- 第14页
- 第15页
- 第16页
- 第17页
- 第18页
- 第19页
- 第20页
- 第21页
- 第22页
- 第23页
- 第24页
- 第25页
- 第26页
- 第27页
- 第28页
- 第29页
- 第30页
- 第31页
- 第32页
- 第33页
- 第34页
- 第35页
- 第36页
- 第37页
- 第38页
- 第39页
- 第40页
- 第41页
- 第42页
- 第43页
- 第44页
- 第45页
- 第46页
- 第47页
- 第48页
- 第49页
- 第50页
- 第51页
- 第52页
- 第53页
- 第54页
- 第55页
- 第56页
- 第57页
- 第58页
- 第59页
- 第60页
- 第61页
- 第62页
- 第63页
- 第64页
- 第65页
- 第66页
- 第67页
答案:
电能、电热、电动、照明、信息、火线、零线、接地
@@相线、中性、金属探头、电阻、氖管、金属挂钩或金属片
@@电流、短路、过载
@@进户线、电能表、电源总开关、熔断器、用电器、开关、并联、火线
@@单线触电、双线触电、高压电弧触电、跨步电压触电 串联
@@相线、中性、金属探头、电阻、氖管、金属挂钩或金属片
@@电流、短路、过载
@@进户线、电能表、电源总开关、熔断器、用电器、开关、并联、火线
@@单线触电、双线触电、高压电弧触电、跨步电压触电 串联
1. 如图所示,验电笔测试物体是否带电时,测试者用手触及验电笔后端的金属挂钩或金属片,此时验电笔端、氖管、电阻、人体和大地形成__________;当被测物体________时,电流便通过回路,使氖管发光;若管________,则表明物体不带电。
答案:
回路、带电、不亮
2. 如图所示,家庭电路触电的两种基本类型是________触电和________触电。
答案:
单线、双线
3. 如图所示是住宅楼道灯的声光自动控制开关,开关除声光控制外,还配有________装置。白天,________开关不起作用,灯不会亮;晚上,________开关起作用,当有人走动并且发出声音时灯亮,3 - 5min后灯熄灭。
答案:
延时、声控、声控
1. (2023·益阳中考)如图所示是上端有金属帽的验电笔的四种使用方法,其中使用方法正确的是( )
答案:
D
2. (江西中考)劳动课上,同学们开展了“使用验电笔辨别火线和零线”的活动。如图所示,验电笔的氖管发光,说明被检测的插孔与________相连,此时,验电笔与人体之间的连接方式是______联。
答案:
火线、串
3. (2023·长沙中考)某家庭电路的连接如图所示,下列说法正确的是( )
A. a点所在的电源线是零线
B. 空气开关只能安装在b点处
C. c点所在的导线与大地相连
D. L1和L2是串联的
答案:
C
4. (2023·潍坊中考)图示为某家庭电路实物布线图,该电路各处连接均正确。下列关于该电路的说法正确的是( )
A. a线是火线,b线是零线
B. 保险盒中的保险丝为铜导线
C. 按钮开关串联在电灯和零线之间
D. 三孔插座中最上方插孔可以不接地
答案:
A
5. (2023·河南中考)图甲为一个带开关的插座,开关闭合时,插孔可以提供工作电压,请在图乙中,将对应的电路连接完整并符合安全用电原则。
答案:
如图所示.
如图所示.
6. (2023·郴州中考)小敏同学按如图的电路图连接了一个模拟家庭电路。开关S闭合后,灯泡能正常发光,用验电笔检测插座的两孔,管均不发光。针对该模拟电路,有四位同学发表了以下的观点,你认为正确的是( )
A. 小华说:保险丝是用电阻较大、熔点较高的材料制成的
B. 小龙说:灯泡能正常发光,所以灯泡的连接是安全、合理的
C. 小丽说:插座无法正常工作,原因可能是cd间开路
D. 小潇说:插座无法正常工作,原因可能是ab间开路
答案:
C
7. (2023·营口中考)家庭电路的部分电路图如图所示(电路连接正确)。根据电路图可以判断甲、乙两根进户线中______是火线。只闭合开关S1,灯L1正常发光,此时用验电笔接触a点,验电笔的氖管__________(选填“发光”或“不发光”);再闭合开关S2,灯L2马上熄灭,则故障原因可能是灯L2________(选填“短路”或“开路”)。
答案:
甲、不发光、短路
8. (2023·兰州中考)如图所示的家庭电路中,开关闭合后,保险丝因电流过大而熔断。甲、乙两图产生电流过大的原因是不同的,甲图中的原因是________________________;乙图中的原因是________。
答案:
用电器的总功率过大、短路
9. (2023·自贡中考)电给我们的工作和生活带来了极大的便利,但不正确用电也会带来很大的危害,甚至会危及生命。安全用电是每一位公民的必备素养。下列做法符合安全用电原则的是( )
A. 使用验电笔辨别火线时手要接触笔尖金属体
B. 在未断开电源开关的情况下更换灯泡
C. 家庭电路着火迅速用冷水浇灭
D. 及时更换达到使用寿命的插座、导线和家用电器
答案:
D
10. (成都中考)电网连着千万家,安全系着你我他。关于家庭电路及安全用电,下列说法正确的是( )
A. 控制电灯的开关必须接在火线与电灯之间
B. 发现空气开关跳闸后,应该立即重新合上
C. 使用验电笔时,手不必接触笔尾金属部分
D. 发现有人触电,立即用手把他拉离带电体
答案:
A
11. (宜宾中考)图中,符合安全原则的是( )
答案:
A
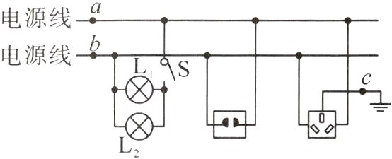
12. 如图是小聪家的部分电路和电热水壶的内部原理图。若小聪将电热水壶的插头插入电源的插座,然后闭合开关时,空气开关跳闸,则原因可能是________。(填序号)
①三孔插座中接火线和零线的导线相碰;②电热水壶插头内两个线头相碰;
③电热水壶开关内两个线头相碰;
④电路中增加了大功率用电器。
答案:
②、④
13. 小明学习安全用电知识后,更加注意观察家庭电路了。
(1)假期爸爸、妈妈带小明外出旅游,小明发现宾馆客房都配备房卡,只有把房卡插入电槽中,房间内插座才能有电,房卡插入电槽中后再闭合开关,电灯才能发光。请你连接如图甲所示房间内的简化电路。
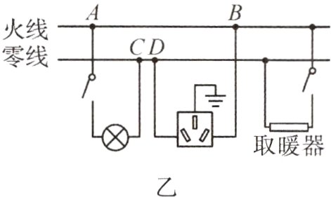
(2)如图乙所示是卫生间的电路。小明发现原本卫生间的电灯与取暖器均正常工作,当他在三孔插座上插入电热水器后取暖器突然停止工作,卫生间内电灯仍正常发光。于是,小明请来了电工师傅,师傅拔出电热水器的插头,用验电笔分别测试三孔插座的下排左右两孔,验电笔管均不发光。此时电路故障可能是______(填字母)。
A. 火线与零线在某处被直接连在一起了
B. 插座开路
C. A、B间开路
D. C、D间开路
(3)为了保障安全,电工师傅在电路中安装上了漏电保护器。漏电保护器主要是用来对用电设备发生漏电故障或对有致命危险的人身触电时的保护。如图丙所示是安装了漏电保护器的家庭电路,当漏电保护器检测到通过图中A、B两处的电流不相等(即发生漏电)时,会迅速切断电路,从而起到保护作用。若维修人员不慎触碰图中C点发生触电情况,漏电保护器______(选填“会”或“不会”)切断电路;若人体电阻为10kΩ,触电时通过人体的电流为______mA。
答案:
(1)如图所示.

(2)C
(3)会、22
(1)如图所示.
(2)C
(3)会、22
1. 2023年2月16日,国内首例5G超远程机器人肝胆手术成功进行,杭州的医生通过5G远程机器人为远在新疆的患者实施了手术。手术时信号传输利用的是 ( )
A. 超声波 B. 次声波
C. 紫外线 D. 电磁波
A. 超声波 B. 次声波
C. 紫外线 D. 电磁波
答案:
D
2. (2023.南阳卧龙区一模)如图,取一节旧的干电池和一根导线,靠近收音机,将导线的一端与电池的一极相连,再用导线的另一端与电池的另一极时断时续地接触。从收音机里听到了“咔嚓、咔嚓”的声音,这个现象反映了____________的电流能在周围的空间中产生电磁波。如果把收音机放入一个密闭的金属盒中,进行同样的操作,________(选填“能”或“不能”)听到咔嚓声,这说明____。
答案:
迅速变化 不能 金属对电磁波有屏蔽作用
3. 以下说法中正确的是 ( )
A. 电磁波是在空间传播的周期性变化的电磁场
B. 电磁波的传播需要介质
C. 电磁波的频率越高,波长越长
D. 倒车雷达是利用电磁波工作的
A. 电磁波是在空间传播的周期性变化的电磁场
B. 电磁波的传播需要介质
C. 电磁波的频率越高,波长越长
D. 倒车雷达是利用电磁波工作的
答案:
A
4. (2023.达州开江模拟)某电磁波波形如图所示,该电磁波的波长是________m,频率是__________Hz。
答案:
0.01 3×10¹⁰
5. (内江中考)在下面所列举的电磁波谱大家庭中,其中频率最高的是 ( )
A. 无线电波 B. 红外线
C. 紫外线 D. X射线
A. 无线电波 B. 红外线
C. 紫外线 D. X射线
答案:
D
6. (2023.广州白云区二模)CT根据所采用的射线不同可分为X射线CT(X−CT)以及γ射线CT(γ−CT)两种,其应用到的X射线或γ射线都是电磁波,如图为电磁波家族。
(1)X射线在真空中传播的速度为$c_x$,γ射线在真空中传播的速度为$c_γ$,则$c_x$______(选填“>”“=”或“<”)$c_γ$。
(2)在真空中,γ射线的波长要比X射线的波长要______(选填“长”或“短”)。
(1)X射线在真空中传播的速度为$c_x$,γ射线在真空中传播的速度为$c_γ$,则$c_x$______(选填“>”“=”或“<”)$c_γ$。
(2)在真空中,γ射线的波长要比X射线的波长要______(选填“长”或“短”)。
答案:
(1)=
(2)短
(1)=
(2)短
7. 当电磁波由空气中向水中传播时,下列说法正确的是 ( )
A. 频率变小,波长变短
B. 频率不变,波长变长
C. 频率变小,波速变小
D. 频率不变,波速变小
A. 频率变小,波长变短
B. 频率不变,波长变长
C. 频率变小,波速变小
D. 频率不变,波速变小
答案:
D
查看更多完整答案,请扫码查看