第60页
- 第1页
- 第2页
- 第3页
- 第4页
- 第5页
- 第6页
- 第7页
- 第8页
- 第9页
- 第10页
- 第11页
- 第12页
- 第13页
- 第14页
- 第15页
- 第16页
- 第17页
- 第18页
- 第19页
- 第20页
- 第21页
- 第22页
- 第23页
- 第24页
- 第25页
- 第26页
- 第27页
- 第28页
- 第29页
- 第30页
- 第31页
- 第32页
- 第33页
- 第34页
- 第35页
- 第36页
- 第37页
- 第38页
- 第39页
- 第40页
- 第41页
- 第42页
- 第43页
- 第44页
- 第45页
- 第46页
- 第47页
- 第48页
- 第49页
- 第50页
- 第51页
- 第52页
- 第53页
- 第54页
- 第55页
- 第56页
- 第57页
- 第58页
- 第59页
- 第60页
- 第61页
- 第62页
- 第63页
- 第64页
- 第65页
- 第66页
- 第67页
14. (2023.武威中考)如图所示为发光二极管(简称LED),当电流从较长的引脚流入时,发光二极管和小灯泡都发光;当电流从较短的引脚流入时,发光二极管和小灯泡都不发光。根据上述实验现象判断,两种情况下LED的电阻__________(选填“相同”或“不相同”)。其额定电压通常都比较小,在家庭电路中需要与其他用电器________(选填“串联”或“并联”)才能正常工作。

答案:
不相同 串联
15. (2023.广安中考)丽丽发现奶奶家常用的电风扇上容易布满灰尘,主要是因为旋转的扇叶与空气发生摩擦,使其带了电,说明带电体具有吸引______________的性质。家庭电路中,电风扇与其他家用电器是______联的。
答案:
轻小物体 并
16. (长春中考)如图所示是一个简化的玩具电动车的电路图。
(1)闭合开关S₁,电动车运动,将电能主要转化为________能;再闭合开关S₂,小灯泡L发光,电路的总功率________。小灯泡L和电动机M的连接方式是______联。
(2)给电动车的电池充电时,电池相当于电路中的__________。

(1)闭合开关S₁,电动车运动,将电能主要转化为________能;再闭合开关S₂,小灯泡L发光,电路的总功率________。小灯泡L和电动机M的连接方式是______联。
(2)给电动车的电池充电时,电池相当于电路中的__________。
答案:
(1)机械 变大 并
(2)用电器
(1)机械 变大 并
(2)用电器
三、作图题
17. (2023.贵州中考)如图所示的实物电路,请用笔画线代替导线,按要求完成电路连接。要求:两灯并联,电流表测通过灯L₁的电流,开关控制整个电路,导线不能交叉。
答案:
如图所示.
如图所示.
四、实验探究题
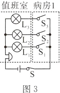
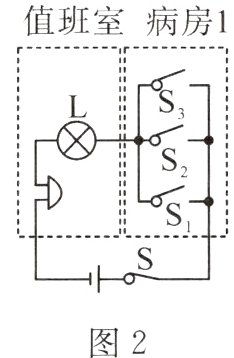
18. (成都中考)在医院住院部,病人需要护理时,闭合床头开关,就能及时通知值班室里的护士。这个呼叫电路应该怎么设计呢?实验小组进行了模拟设计。



(1)设计呼叫电路时,下列因素中,不需要考虑的是______(填字母)。
A. 护士工作很忙,要用多种信号提醒
B. 能够确定呼叫发出的位置
C. 呼叫信号强弱合适
D. 值班室是否有护士值班
(2)小李同学以一个病房只有一张病床为例,设计了如图1所示的电路。该电路能不能达到呼叫目的?答:__________。
(3)当一个病房有三张病床时,小杨同学设计的电路如图2所示,小张同学设计的电路如图3所示。对比这两个电路,图3电路的优点是____________________________。
(4)关于图3所示呼叫电路的器材选择,下列说法中,不合理的是______(填字母)。
A. 电源能长时间稳定供电
B. 指示灯选用15W的节能灯
C. 电铃额定功率不宜太大
D. 病房开关必须安全且使用方便
(5)进一步讨论发现,图3所示的呼叫电路还不够完善,应该继续改进。
18. (成都中考)在医院住院部,病人需要护理时,闭合床头开关,就能及时通知值班室里的护士。这个呼叫电路应该怎么设计呢?实验小组进行了模拟设计。
(1)设计呼叫电路时,下列因素中,不需要考虑的是______(填字母)。
A. 护士工作很忙,要用多种信号提醒
B. 能够确定呼叫发出的位置
C. 呼叫信号强弱合适
D. 值班室是否有护士值班
(2)小李同学以一个病房只有一张病床为例,设计了如图1所示的电路。该电路能不能达到呼叫目的?答:__________。
(3)当一个病房有三张病床时,小杨同学设计的电路如图2所示,小张同学设计的电路如图3所示。对比这两个电路,图3电路的优点是____________________________。
(4)关于图3所示呼叫电路的器材选择,下列说法中,不合理的是______(填字母)。
A. 电源能长时间稳定供电
B. 指示灯选用15W的节能灯
C. 电铃额定功率不宜太大
D. 病房开关必须安全且使用方便
(5)进一步讨论发现,图3所示的呼叫电路还不够完善,应该继续改进。
答案:
(1)D
(2)能达到
(3)能够确定发出呼叫的床位
(4)B
(1)D
(2)能达到
(3)能够确定发出呼叫的床位
(4)B
查看更多完整答案,请扫码查看