第54页
- 第1页
- 第2页
- 第3页
- 第4页
- 第5页
- 第6页
- 第7页
- 第8页
- 第9页
- 第10页
- 第11页
- 第12页
- 第13页
- 第14页
- 第15页
- 第16页
- 第17页
- 第18页
- 第19页
- 第20页
- 第21页
- 第22页
- 第23页
- 第24页
- 第25页
- 第26页
- 第27页
- 第28页
- 第29页
- 第30页
- 第31页
- 第32页
- 第33页
- 第34页
- 第35页
- 第36页
- 第37页
- 第38页
- 第39页
- 第40页
- 第41页
- 第42页
- 第43页
- 第44页
- 第45页
- 第46页
- 第47页
- 第48页
- 第49页
- 第50页
- 第51页
- 第52页
- 第53页
- 第54页
- 第55页
- 第56页
- 第57页
- 第58页
- 第59页
- 第60页
- 第61页
- 第62页
- 第63页
- 第64页
- 第65页
- 第66页
- 第67页
8.(2023.天津中考)小明要测出一个电压约为30V的电源电压(电压保持不变),手边可供选用的器材如下:待测电源,一块电压表(量程0~15V),一块电流表(量程0~0.6A),两个阻值已知的电阻,分别为R(20Ω)和R2(40Ω),一个开关及若干导线.请你合理选择器材,设计实验测出该电源的电压.要求:
(1)画出实验电路图.
(2)写出主要的实验步骤和需要测量的物理量.
(3)写出电源电压的表达式(用已知量和测量量表示).
(1)画出实验电路图.
(2)写出主要的实验步骤和需要测量的物理量.
(3)写出电源电压的表达式(用已知量和测量量表示).
答案:
解:
(1) 如图所示。
(2) 主要的实验步骤和需要测量的物理量:① 按照电路图连接电路;② 闭合开关 S,读出电流表的示数 I。
(3) 电源电压的表达式:U = IR 总 = I(R1 + R2)。
解:
(1) 如图所示。
(2) 主要的实验步骤和需要测量的物理量:① 按照电路图连接电路;② 闭合开关 S,读出电流表的示数 I。
(3) 电源电压的表达式:U = IR 总 = I(R1 + R2)。
9.(2023.兰州中考)学习了欧姆定律的知识后,老师给同学们布置了设计不同方案测量未知电阻阻值的任务,三位同学的设计方案如下:
(1)小明的设计方案如图甲所示,闭合开关S,调节滑动变阻器R的滑片P至适当位置,电压表、电流表的示数分别如图乙、丙所示,则电压表的示数为________V,未知电阻Rx的阻值为____Ω.
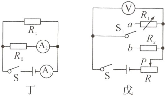
(2)小林的设计方案如图丁所示,闭合开关S,电流表A1和A2的示数分别为I1和I2,已知定值电阻的阻值为R。,则未知电阻RI=__________(用I1、I2和R表示).
(3)小刚的设计方案如图戊所示,闭合开关S后,先将开关Sl拨至触点______,移动滑动变阻器R的滑片P至适当位置,此时电压表的示数为U;保持滑片P的位置不变,再将开关S拨至另一触点,调节电阻箱Rl 的阻值,使__________________________,此时电阻箱的读数为R。,则未知电阻Rx=
______.
(1)小明的设计方案如图甲所示,闭合开关S,调节滑动变阻器R的滑片P至适当位置,电压表、电流表的示数分别如图乙、丙所示,则电压表的示数为________V,未知电阻Rx的阻值为____Ω.
(2)小林的设计方案如图丁所示,闭合开关S,电流表A1和A2的示数分别为I1和I2,已知定值电阻的阻值为R。,则未知电阻RI=__________(用I1、I2和R表示).
(3)小刚的设计方案如图戊所示,闭合开关S后,先将开关Sl拨至触点______,移动滑动变阻器R的滑片P至适当位置,此时电压表的示数为U;保持滑片P的位置不变,再将开关S拨至另一触点,调节电阻箱Rl 的阻值,使__________________________,此时电阻箱的读数为R。,则未知电阻Rx=
______.
答案:
(1) 2.7,9。
(2) $\frac{IR}{I - I_2}$。
(3) b,电压表的示数恰好为 UR。
(1) 2.7,9。
(2) $\frac{IR}{I - I_2}$。
(3) b,电压表的示数恰好为 UR。
查看更多完整答案,请扫码查看