第4页
- 第1页
- 第2页
- 第3页
- 第4页
- 第5页
- 第6页
- 第7页
- 第8页
- 第9页
- 第10页
- 第11页
- 第12页
- 第13页
- 第14页
- 第15页
- 第16页
- 第17页
- 第18页
- 第19页
- 第20页
- 第21页
- 第22页
- 第23页
- 第24页
- 第25页
- 第26页
- 第27页
- 第28页
- 第29页
- 第30页
- 第31页
- 第32页
- 第33页
- 第34页
- 第35页
- 第36页
- 第37页
- 第38页
- 第39页
- 第40页
- 第41页
- 第42页
- 第43页
- 第44页
- 第45页
- 第46页
- 第47页
- 第48页
- 第49页
- 第50页
- 第51页
- 第52页
- 第53页
- 第54页
- 第55页
- 第56页
- 第57页
- 第58页
- 第59页
- 第60页
- 第61页
- 第62页
- 第63页
- 第64页
- 第65页
- 第66页
- 第67页
9. 家庭电路中有时会出现这样的现象:原来各用电器都在正常工作,当把手机充电器的插头插入插座时,家里所有的用电器都停止了工作,其原因可能是( )
A. 这个插座的火线和零线原来就相接触形成了短路
B. 插头插入这个插座时,导致火线和零线相接触形成了短路
C. 插头与这个插座接触不良形成了开路
D. 同时工作的用电器过多,导致干路电流过大,保险开关跳闸
A. 这个插座的火线和零线原来就相接触形成了短路
B. 插头插入这个插座时,导致火线和零线相接触形成了短路
C. 插头与这个插座接触不良形成了开路
D. 同时工作的用电器过多,导致干路电流过大,保险开关跳闸
答案:
B
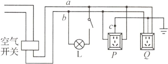
10. (通辽中考) 小玲家的家庭电路简化后如图所示,由该电路可知( )
A. a线是零线,b线是火线
B. 灯泡L与插座Q是串联关系
C. c处断开,洗衣机插头插入插座P,洗衣机虽能工作但有安全隐患
D. 台灯插头插入插座Q后,空气开关立刻跳闸,是因为灯丝开路造成的
A. a线是零线,b线是火线
B. 灯泡L与插座Q是串联关系
C. c处断开,洗衣机插头插入插座P,洗衣机虽能工作但有安全隐患
D. 台灯插头插入插座Q后,空气开关立刻跳闸,是因为灯丝开路造成的
答案:
C
11. 小明想在家里安装一盏照明灯,他设计的电路如图所示。图中虚线框A和B两个位置应该接开关和电灯,那么开关应接在______(选填“A”或“B”)处。小明请电工师傅正确安装完毕,闭合开关,电灯不亮。电工师傅用验电笔分别测试电灯两接线处和插座的两孔时,验电笔的氖管都发光,则可能是电路的______段发生________(选填“开路”或“短路”)故障。
答案:
B 短路 开路
12. 如图甲,插线板上的指示灯(发光二极管)在开关闭合时会发光,插孔正常供电。如果指示灯损坏,开关闭合时插孔也能正常供电。根据上述现象,在图乙中画出插线板中开关、指示灯和插座的连接方式,并与电源线接通。
答案:
13. 现在家庭电路中一般不再使用保险丝,而是使用一种叫做空气开关的新型保险装置(如图所示)。这种装置被附加在总开关上,通过电磁原理来实现断开。当电路中的电流过大时,保险装置就会自动脱扣,切断电路,俗称“跳闸”。
(1) 空气开关与保险丝相比较,好处是____(写出一条即可)。
(2) 如果你家的空气开关老是跳闸,你应该______________________________。
(1) 空气开关与保险丝相比较,好处是____(写出一条即可)。
(2) 如果你家的空气开关老是跳闸,你应该______________________________。
答案:
(1)更准确、迅速、可靠,且故障排除后,不用更换零部件
(2)先查清故障原因,排除故障后再重新合上开关
(1)更准确、迅速、可靠,且故障排除后,不用更换零部件
(2)先查清故障原因,排除故障后再重新合上开关
查看更多完整答案,请扫码查看