第9页
- 第1页
- 第2页
- 第3页
- 第4页
- 第5页
- 第6页
- 第7页
- 第8页
- 第9页
- 第10页
- 第11页
- 第12页
- 第13页
- 第14页
- 第15页
- 第16页
- 第17页
- 第18页
- 第19页
- 第20页
- 第21页
- 第22页
- 第23页
- 第24页
- 第25页
- 第26页
- 第27页
- 第28页
- 第29页
- 第30页
- 第31页
- 第32页
- 第33页
- 第34页
- 第35页
- 第36页
- 第37页
- 第38页
- 第39页
- 第40页
- 第41页
- 第42页
- 第43页
- 第44页
- 第45页
- 第46页
- 第47页
- 第48页
- 第49页
- 第50页
- 第51页
- 第52页
- 第53页
- 第54页
- 第55页
- 第56页
- 第57页
- 第58页
- 第59页
- 第60页
- 第61页
- 第62页
- 第63页
- 第64页
- 第65页
- 第66页
- 第67页
- 第68页
- 第69页
- 第70页
- 第71页
- 第72页
- 第73页
- 第74页
- 第75页
- 第76页
- 第77页
- 第78页
- 第79页
- 第80页
1. 测量小灯泡电功率的实验原理是__________,实验器材包括电源、开关、导线、小灯泡、______________________________,实验目的是测量小灯泡在不同电压下的________和______________。
答案:
P = UI,实验中需要用到滑动变阻器、电流表、电压表,测量小灯泡的实际功率和额定功率。
2. 在“测定小灯泡额定功率”的实验中,当手移动变阻器滑片时,眼睛应观察( )
A. 灯泡的发光情况
B. 变阻器滑片的位置
C. 电压表的示数
D. 电流表的示数
A. 灯泡的发光情况
B. 变阻器滑片的位置
C. 电压表的示数
D. 电流表的示数
答案:
C
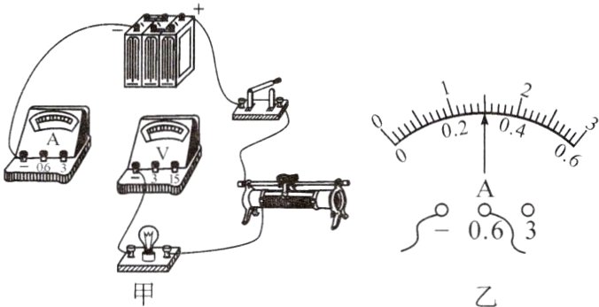
3. 小明做“探究小灯泡在不同电压下工作时的电功率”的实验时,实验室提供了如下器材:电源(电压恒为 6V)、电流表、电压表、滑动变阻器(20Ω 2A)、小灯泡(额定电压为 2.5V,额定功率小于 1.2W)、开关及导线若干。
(1) 请你用笔画线代替导线,将图甲中的实物电路连接完整(导线不得交叉)。
(2) 正确连线后,闭合开关前,应将滑片移到最______(选填“左”或“右”)端。再闭合开关,移动滑片,发现电流表的示数几乎为 0,电压表的示数接近电源电压且几乎不变,若电路中只有一处故障,该故障可能是________________。
(3) 排除故障后,移动滑片至某一位置时电压表的示数为 2.2V,为使小灯泡正常发光,应将滑片向______(选填“左”或“右”)移动。
(4) 如表记录了部分实验数据,当电压表的示数为 2.5V 时,电流表的示数如图乙所示,则小灯泡的额定功率为________W。
(5) 分析表中数据可得出结论:小灯泡工作时,消耗的电功率随其两端电压的增大而________(选填“增大”“不变”或“减小”);小灯泡的实际功率越大,亮度________。
(1) 请你用笔画线代替导线,将图甲中的实物电路连接完整(导线不得交叉)。
(2) 正确连线后,闭合开关前,应将滑片移到最______(选填“左”或“右”)端。再闭合开关,移动滑片,发现电流表的示数几乎为 0,电压表的示数接近电源电压且几乎不变,若电路中只有一处故障,该故障可能是________________。
(3) 排除故障后,移动滑片至某一位置时电压表的示数为 2.2V,为使小灯泡正常发光,应将滑片向______(选填“左”或“右”)移动。
(4) 如表记录了部分实验数据,当电压表的示数为 2.5V 时,电流表的示数如图乙所示,则小灯泡的额定功率为________W。
(5) 分析表中数据可得出结论:小灯泡工作时,消耗的电功率随其两端电压的增大而________(选填“增大”“不变”或“减小”);小灯泡的实际功率越大,亮度________。
答案:
(1)如图所示
(2)右,若移动滑片,电压表示数接近电源电压,电流表示数几乎为零,故障原因是小灯泡断路。
(3)左
(4)0.75
(5)增大,小灯泡的实际功率越大,灯泡越亮。
(1)如图所示
(2)右,若移动滑片,电压表示数接近电源电压,电流表示数几乎为零,故障原因是小灯泡断路。
(3)左
(4)0.75
(5)增大,小灯泡的实际功率越大,灯泡越亮。
4. 小明进行“测量规格为‘2.5V 0.3A’小灯泡的额定功率”的实验,电源由 4 节新干电池串联组成,滑动变阻器的规格为“10Ω 1A”。正确连接好测量电路,闭合开关,保证小灯泡发光的情况下,无论如何移动滑片,电压表示数始终高于 2.5V,为此必须对实验器材进行调整,下列措施不可行的是( )

A. 串联定值电阻
B. 减少电池个数
C. 换最大阻值较大的滑动变阻器
D. 增加电池个数
A. 串联定值电阻
B. 减少电池个数
C. 换最大阻值较大的滑动变阻器
D. 增加电池个数
答案:
D
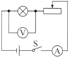
5. 在“测量小灯泡的电功率”的实验中,电源电压为 6V 恒定不变,小灯泡的额定电压为 3.8V (电阻约为 12Ω)。
(1) 请用笔画线代替导线,将图甲的电路连接完整(要求:滑片向左移动时小灯泡变亮)。
练间考 九年级物理(下)(配北师地区使用)
(2) 闭合开关,发现小灯泡不亮,移动滑片小灯泡仍不亮。突然小芳的文具盒掉到桌上,小灯泡亮了。小芳敲了几下桌子,小灯泡又熄灭了。出现这种故障的原因是______。
A. 开关短路
B. 小灯泡短路
C. 电压表断路
D. 小灯泡接触不良
(3) 排除故障,再次闭合开关,移动滑片,当电压表的示数为________V 时,小灯泡正常发光,此时电流表的示数如图乙所示,则小灯泡的额定功率为________。
(4) 现有规格为“5Ω 3A”“20Ω 1A”和“50Ω 0.2A”的甲、乙、丙三个滑动变阻器,为了实验的顺利进行,小芳应在其中选择“________________”的滑动变阻器接入电路。
(5) 若实验过程中电压表的 0~15V 量程已损坏,只能使用 0~3V 量程,其他器材不变,应该______________________________;从而测出小灯泡的额定功率。
(6) 此实验中将小灯泡依次换成 5Ω、10Ω、20Ω 的定值电阻,还能完成的探究实验是________。
A. 电流与电阻的关系
B. 电流与电压的关系
(7) 小明在做同样实验(选用器材不尽相同)的过程中,正确连接电路,无论怎样调节滑动变阻器滑片都不能使小灯泡正常发光,请对这一现象产生的原因提出合理的猜想:______________。
(1) 请用笔画线代替导线,将图甲的电路连接完整(要求:滑片向左移动时小灯泡变亮)。
练间考 九年级物理(下)(配北师地区使用)
(2) 闭合开关,发现小灯泡不亮,移动滑片小灯泡仍不亮。突然小芳的文具盒掉到桌上,小灯泡亮了。小芳敲了几下桌子,小灯泡又熄灭了。出现这种故障的原因是______。
A. 开关短路
B. 小灯泡短路
C. 电压表断路
D. 小灯泡接触不良
(3) 排除故障,再次闭合开关,移动滑片,当电压表的示数为________V 时,小灯泡正常发光,此时电流表的示数如图乙所示,则小灯泡的额定功率为________。
(4) 现有规格为“5Ω 3A”“20Ω 1A”和“50Ω 0.2A”的甲、乙、丙三个滑动变阻器,为了实验的顺利进行,小芳应在其中选择“________________”的滑动变阻器接入电路。
(5) 若实验过程中电压表的 0~15V 量程已损坏,只能使用 0~3V 量程,其他器材不变,应该______________________________;从而测出小灯泡的额定功率。
(6) 此实验中将小灯泡依次换成 5Ω、10Ω、20Ω 的定值电阻,还能完成的探究实验是________。
A. 电流与电阻的关系
B. 电流与电压的关系
(7) 小明在做同样实验(选用器材不尽相同)的过程中,正确连接电路,无论怎样调节滑动变阻器滑片都不能使小灯泡正常发光,请对这一现象产生的原因提出合理的猜想:______________。
答案:
(1)如图所示
(2)D
(3)当电压表示数为3.8V时,电流表示数为0.3A,小灯泡的额定功率为1.14W。
(4)滑动变阻器的规格为“20Ω 1A”
(5)将电压表并联在滑动变阻器的两端
(6)AB
(7)电源电压太小或滑动变阻器最大阻值太小
(1)如图所示
(2)D
(3)当电压表示数为3.8V时,电流表示数为0.3A,小灯泡的额定功率为1.14W。
(4)滑动变阻器的规格为“20Ω 1A”
(5)将电压表并联在滑动变阻器的两端
(6)AB
(7)电源电压太小或滑动变阻器最大阻值太小
查看更多完整答案,请扫码查看