第53页
- 第1页
- 第2页
- 第3页
- 第4页
- 第5页
- 第6页
- 第7页
- 第8页
- 第9页
- 第10页
- 第11页
- 第12页
- 第13页
- 第14页
- 第15页
- 第16页
- 第17页
- 第18页
- 第19页
- 第20页
- 第21页
- 第22页
- 第23页
- 第24页
- 第25页
- 第26页
- 第27页
- 第28页
- 第29页
- 第30页
- 第31页
- 第32页
- 第33页
- 第34页
- 第35页
- 第36页
- 第37页
- 第38页
- 第39页
- 第40页
- 第41页
- 第42页
- 第43页
- 第44页
- 第45页
- 第46页
- 第47页
- 第48页
- 第49页
- 第50页
- 第51页
- 第52页
- 第53页
- 第54页
- 第55页
- 第56页
- 第57页
- 第58页
- 第59页
- 第60页
- 第61页
- 第62页
- 第63页
- 第64页
- 第65页
- 第66页
- 第67页
- 第68页
- 第69页
- 第70页
- 第71页
- 第72页
- 第73页
- 第74页
- 第75页
- 第76页
- 第77页
- 第78页
- 第79页
- 第80页
2. 小波在“探究通电螺线管外部磁场的方向”实验中,组装了如图甲所示电路,实验时:
(1)可通过观察______________判断通电螺线管的磁极。
(2)为了探究通电螺线管外部磁场的方向与电流方向是否有关?实验中是通过__________来改变通电螺线管中电流的方向。
(3)如图乙所示是通电螺线管周围的有机玻璃板上的小磁针分布状态,观察可知通电螺线管的外部磁场与________的磁场相似。
(4)本实验经过改进,还可以探究通电螺线管外部磁场的强弱与电流大小的关系。请说出一种你的改进方法______________________。
(1)可通过观察______________判断通电螺线管的磁极。
(2)为了探究通电螺线管外部磁场的方向与电流方向是否有关?实验中是通过__________来改变通电螺线管中电流的方向。
(3)如图乙所示是通电螺线管周围的有机玻璃板上的小磁针分布状态,观察可知通电螺线管的外部磁场与________的磁场相似。
(4)本实验经过改进,还可以探究通电螺线管外部磁场的强弱与电流大小的关系。请说出一种你的改进方法______________________。
答案:
(1)小磁针N极的指向
(2)对调电源正、负极
(3)条形磁体
(4)增加电池节数(或串联一个滑动变阻器)
(1)小磁针N极的指向
(2)对调电源正、负极
(3)条形磁体
(4)增加电池节数(或串联一个滑动变阻器)
3. 如图甲所示,物理兴趣小组的同学在研究磁场对电流的作用时,确定了研究课题:磁场对电流作用力的方向与什么因素有关?他们设计了如下实验:

(1)电路连接正确无误后,闭合开关发现导体ab并没有移动,出现这种现象的可能原因是:______________________________(写出一种即可);根据你的判断,提出一条解决方案:______________________________。
(2)解决问题后,小凡同学分别进行了如图乙所示实验:(其中“ ”表示导体的横截面,“×”表示电流方向垂直指向纸面内部,“.”表示电流方向垂直指向纸面外部)若要研究磁场对电流作用力的方向和磁场方向之间的关系,应选择________两个实验;若要研究磁场对电流作用力的方向和电流方向之间的关系,应选择________两个实验。
(3)实验表明,磁场对电流作用力的方向和磁场方向、电流方向__________(选填“有关”或“无关”)。
(1)电路连接正确无误后,闭合开关发现导体ab并没有移动,出现这种现象的可能原因是:______________________________(写出一种即可);根据你的判断,提出一条解决方案:______________________________。
(2)解决问题后,小凡同学分别进行了如图乙所示实验:(其中“ ”表示导体的横截面,“×”表示电流方向垂直指向纸面内部,“.”表示电流方向垂直指向纸面外部)若要研究磁场对电流作用力的方向和磁场方向之间的关系,应选择________两个实验;若要研究磁场对电流作用力的方向和电流方向之间的关系,应选择________两个实验。
(3)实验表明,磁场对电流作用力的方向和磁场方向、电流方向__________(选填“有关”或“无关”)。
答案:
(1)磁场太弱(答案不唯一) 换一个强一些的磁场
(2)A、B 、A、C
(3)有关
(1)磁场太弱(答案不唯一) 换一个强一些的磁场
(2)A、B 、A、C
(3)有关
4. (1)为使如图1所示的简易电动机模型中的线圈能持续转动,你采取的办法是____________。
(2)小孙、小金、小星各自把安装好的电动机如图2接入电路,闭合开关,线圈均不转。若小孙用手轻轻一推转子,线圈就转动起来,则她的线圈不转的原因是________________;若小金用手轻轻地把电刷(铜片)弯曲一下,线圈就转动起来,则她的线圈不转的原因是________________________;若小星在原磁体上加一块磁体,线圈就转动起来,则她的线圈不转的原因是________________________。
(3)为探究线圈的转动方向与电流方向之间的关系,需保持__________不变,改变__________。
要使电动机转得更快,我们可以________或________。
(2)小孙、小金、小星各自把安装好的电动机如图2接入电路,闭合开关,线圈均不转。若小孙用手轻轻一推转子,线圈就转动起来,则她的线圈不转的原因是________________;若小金用手轻轻地把电刷(铜片)弯曲一下,线圈就转动起来,则她的线圈不转的原因是________________________;若小星在原磁体上加一块磁体,线圈就转动起来,则她的线圈不转的原因是________________________。
(3)为探究线圈的转动方向与电流方向之间的关系,需保持__________不变,改变__________。
要使电动机转得更快,我们可以________或________。
答案:
(1)将线圈两端引线的漆皮一端全部刮掉,另一端只刮掉半周
(2)线圈刚好处于平衡位置 换向器与电刷接触不良 磁铁的磁性太弱
(3)磁场方向 电流方向 增大电流 增强磁场
(1)将线圈两端引线的漆皮一端全部刮掉,另一端只刮掉半周
(2)线圈刚好处于平衡位置 换向器与电刷接触不良 磁铁的磁性太弱
(3)磁场方向 电流方向 增大电流 增强磁场
5. “探究导体在磁场中运动时产生感应电流的条件”的实验装置如图所示,实验时,控制磁场方向相同,改变导体ab的运动方向。
步骤一:导体ab水平左右运动,如图甲所示,电流表指针不发生偏转,是因为________。
步骤二:导体ab竖直上下运动,如图乙所示,电流表指针________,是因为____________。
步骤三:导体ab水平左右运动,如图丙所示,电流表指针偏转,电路中有电流产生。
结合上面实验现象,可以得出感应电流产生的条件是:______________________。
步骤一:导体ab水平左右运动,如图甲所示,电流表指针不发生偏转,是因为________。
步骤二:导体ab竖直上下运动,如图乙所示,电流表指针________,是因为____________。
步骤三:导体ab水平左右运动,如图丙所示,电流表指针偏转,电路中有电流产生。
结合上面实验现象,可以得出感应电流产生的条件是:______________________。
答案:
开关没有闭合 不发生偏转 导体没有做切割磁感线运动 闭合电路的一部分导体在磁场中做切割磁感线运动
6. 如图所示,在蹄形磁体的磁场中放置一根与螺线管连接的导体棒ab,当ab棒静止时,小磁针N极指向下(如图甲);当ab棒水平向右运动时,棒内电流方向由a到b,小磁针N极指向右(如图乙)。
(1)当ab棒竖直向上运动时,小磁针N极指向________(选填“上”“下”“左”或“右”)。
(2)当ab棒水平向左运动时,棒内电流方向________(选填“由a到b”或“由b到a”),小磁针N极指向__________(选填“上”“下”“左”或“右”)。
(3)保持ab棒水平向左运动,同时把蹄形磁体的N、S上下对调,棒内电流方向__________(选填“由a到b”或“由b到a”),小磁针N极指向__________(选填“上”“下”“左”或“右”)。
(1)当ab棒竖直向上运动时,小磁针N极指向________(选填“上”“下”“左”或“右”)。
(2)当ab棒水平向左运动时,棒内电流方向________(选填“由a到b”或“由b到a”),小磁针N极指向__________(选填“上”“下”“左”或“右”)。
(3)保持ab棒水平向左运动,同时把蹄形磁体的N、S上下对调,棒内电流方向__________(选填“由a到b”或“由b到a”),小磁针N极指向__________(选填“上”“下”“左”或“右”)。
答案:
(1)下
(2)由b到a 左
(3)由a到b 右
(1)下
(2)由b到a 左
(3)由a到b 右
1. 物体能吸引__________等物质的性质叫磁性;磁体上磁性最强的部分叫__________;同名磁极互相________,异名磁极互相________;使原来没有磁性的物体带上磁性的过程叫________。
答案:
铁、钴、镍,磁极,排斥,吸引,磁化
2. 磁体周围存在着________;在磁场中的某一点,小磁针静止时________所指的方向就是该点的磁场方向;磁体周围的磁感线都是从它的____出发,回到________。
答案:
磁场,N极,N极,S极
3. 地磁的N极在地理位置的________附近,而地磁的S极则在地理位置的________附近。小磁针指南北,就是因为受到________的作用。
答案:
南极,北极,地磁场
4. 通电导线周围存在________,即电流的磁效应;通电导体周围磁场的方向与__________的方向有关。
答案:
磁场,电流
5. 通电螺线管外部的磁场与________外部的磁场相似,通电螺线管两端的磁极可用__________来判定。
答案:
条形磁体,右手螺旋定则
6. 电磁铁磁性的有无可由____________来控制;磁性的强弱可由____________和____________来调节;磁极可由____________来改变。
答案:
电流的通断,电流的大小,线圈的匝数,电流的方向
7. 通电导线在磁场中要受到________的作用。这一现象中________能转化为________能。应用此原理可制成________。
答案:
力,电,机械,电动机
8. 通电导体在磁场中受力方向跟________方向和________方向有关,可由________来判定。
答案:
电流,磁感线,左手定则
9. 闭合电路的________导体在磁场中做________运动时,导体中就会产生电流,这种现象叫________,产生的电流叫________;这一现象中________能转化为__________能。主要应用是________。
答案:
一部分,切割磁感线,电磁感应,感应电流,机械,电,发电机
1. 关于磁体、磁场和磁感线,下列说法中正确的是( )
A. 铜、铁和铝都能够被磁体所吸引
B. 磁感线是磁场中真实存在的曲线
C. 磁体之间的相互作用都是通过磁场发生的
D. 物理学中,把小磁针静止时S极所指的方向规定为该点磁场的方向
A. 铜、铁和铝都能够被磁体所吸引
B. 磁感线是磁场中真实存在的曲线
C. 磁体之间的相互作用都是通过磁场发生的
D. 物理学中,把小磁针静止时S极所指的方向规定为该点磁场的方向
答案:
C
2. 我国北宋学者沈括在《梦溪笔谈》中,将指南针分为“水针”和“旱针”两类。在如图所示装置中,条形磁铁左方的水盆中悬浮的“水针”和正上方悬挂的“旱针”在静止时其N极分别指向( )

A. 左 右
B. 右 左
C. 左 左
D. 右 右
A. 左 右
B. 右 左
C. 左 左
D. 右 右
答案:
B
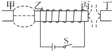
3. 在图中,有条形磁铁和电磁铁,虚线表示磁感线,磁极甲、乙、丙、丁的极性依次是( )

A. S、N、S、S
B. N、N、S、N
C. S、S、N、N
D. N、S、N、N
A. S、N、S、S
B. N、N、S、N
C. S、S、N、N
D. N、S、N、N
答案:
A
4. 闭合开关S后,小磁针静止时N极的指向如图所示,则螺线管左端是__________(选填“N”或“S”)极,电源左端是__________(选填“正”或“负”)极。
答案:
N,负
查看更多完整答案,请扫码查看