第24页
- 第1页
- 第2页
- 第3页
- 第4页
- 第5页
- 第6页
- 第7页
- 第8页
- 第9页
- 第10页
- 第11页
- 第12页
- 第13页
- 第14页
- 第15页
- 第16页
- 第17页
- 第18页
- 第19页
- 第20页
- 第21页
- 第22页
- 第23页
- 第24页
- 第25页
- 第26页
- 第27页
- 第28页
- 第29页
- 第30页
- 第31页
- 第32页
- 第33页
- 第34页
- 第35页
- 第36页
- 第37页
- 第38页
- 第39页
- 第40页
- 第41页
- 第42页
- 第43页
- 第44页
- 第45页
- 第46页
- 第47页
- 第48页
- 第49页
- 第50页
- 第51页
- 第52页
- 第53页
- 第54页
- 第55页
- 第56页
- 第57页
- 第58页
- 第59页
- 第60页
- 第61页
- 第62页
- 第63页
- 第64页
- 第65页
- 第66页
- 第67页
- 第68页
- 第69页
- 第70页
- 第71页
- 第72页
- 第73页
- 第74页
- 第75页
- 第76页
- 第77页
- 第78页
- 第79页
- 第80页
9. 对于家庭电路中的漏电保护器和空气开关的作用,下列说法错误的是( )

A. 发生甲图触电时,漏电保护器不起作用
B. 发生乙图触电时,漏电保护器不起作用
C. 发生如图所示的两种触电时,空气开关都不会断开电路
D. 当电路发生短路时,空气开关会自动切断电路
A. 发生甲图触电时,漏电保护器不起作用
B. 发生乙图触电时,漏电保护器不起作用
C. 发生如图所示的两种触电时,空气开关都不会断开电路
D. 当电路发生短路时,空气开关会自动切断电路
答案:
B
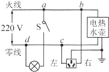
10. 如图所示是小明家的部分电路,他将电饭煲的插头插入三孔插座后,正在烧水的电热水壶突然停止工作,但电灯仍正常发光,拔出电饭煲的插头,电热水壶仍不能工作,用试电笔分别测试插座的左、右孔,氖管均发光。若电路中只有一处故障,则( )

A. 电热水壶所在电路的b、c间导线断路
B. 插座的接地线断路
C. 电路的c、d间导线断路
D. 电路的a、b间导线断路
A. 电热水壶所在电路的b、c间导线断路
B. 插座的接地线断路
C. 电路的c、d间导线断路
D. 电路的a、b间导线断路
答案:
C
11. 如图所示,志愿者小亮正在为社区老人家里更换灯泡。下列操作流程符合安全用电原则的是( )

A. 摘下灯罩→更换灯泡→切断电源→通电测试
B. 切断电源→摘下灯罩→更换灯泡→通电测试
C. 更换灯泡→切断电源→摘下灯罩→通电测试
D. 摘下灯罩→切断电源→更换灯泡→通电测试
A. 摘下灯罩→更换灯泡→切断电源→通电测试
B. 切断电源→摘下灯罩→更换灯泡→通电测试
C. 更换灯泡→切断电源→摘下灯罩→通电测试
D. 摘下灯罩→切断电源→更换灯泡→通电测试
答案:
B
12. 在使用试电笔时手必须接触________(选填“笔尖”或“笔尾”)金属体。如图所示的电路,开关闭合后,灯不亮,用试电笔接触A、B、C三点,管均发光,接触D点氖管不发光,则故障可能是______________。
答案:
笔尾;CD间断路
13. 如图甲所示是宾馆床头柜上开关的示意图,图乙是其控制的电路,其中S₁为旋钮开关,单独控制台灯的通断和亮度,S₂为单独控制电视插座的开关。在图乙中将电路图连接完整,要求符合安全用电原则。
答案:
如图所示
如图所示
14. 小明家买了一台“220V 1500W”的热水器,由于安装的位置离固定插座太远,便到商店买了标有“220V 6A”字样的插座,标有“220V 10A”字样的两脚插头以及若干导线,组装了一个多孔的移动插座。请问:
(1) 这台热水器与其他家用电器之间的连接方式是________(选填“串联”或“并联”)。
(2) 从安全用电的角度指出这个移动插座存在问题的两个地方并说明原因:
①______________________________;
②______________________________。
(1) 这台热水器与其他家用电器之间的连接方式是________(选填“串联”或“并联”)。
(2) 从安全用电的角度指出这个移动插座存在问题的两个地方并说明原因:
①______________________________;
②______________________________。
答案:
(1)并联
(2)①插座:允许通过的电流小于热水器正常工作的电流
②插头:两脚插头没有接地线
(1)并联
(2)①插座:允许通过的电流小于热水器正常工作的电流
②插头:两脚插头没有接地线
查看更多完整答案,请扫码查看