第22页
- 第1页
- 第2页
- 第3页
- 第4页
- 第5页
- 第6页
- 第7页
- 第8页
- 第9页
- 第10页
- 第11页
- 第12页
- 第13页
- 第14页
- 第15页
- 第16页
- 第17页
- 第18页
- 第19页
- 第20页
- 第21页
- 第22页
- 第23页
- 第24页
- 第25页
- 第26页
- 第27页
- 第28页
- 第29页
- 第30页
- 第31页
- 第32页
- 第33页
- 第34页
- 第35页
- 第36页
- 第37页
- 第38页
- 第39页
- 第40页
- 第41页
- 第42页
- 第43页
- 第44页
- 第45页
- 第46页
- 第47页
- 第48页
- 第49页
- 第50页
- 第51页
- 第52页
- 第53页
- 第54页
- 第55页
- 第56页
- 第57页
- 第58页
- 第59页
- 第60页
- 第61页
- 第62页
- 第63页
- 第64页
- 第65页
- 第66页
- 第67页
- 第68页
- 第69页
- 第70页
- 第71页
- 第72页
- 第73页
- 第74页
- 第75页
- 第76页
- 第77页
- 第78页
- 第79页
- 第80页
8. 如图所示的甲、乙两个电路,闭合开关后都会使得保险丝熔断。关于保险丝熔断的原因,下列说法正确的是( )

A. 甲图是由于灯泡被短路
B. 甲图是由于灯泡被断路
C. 乙图是由于电路总电阻太大,功率太大
D. 乙图是由于电路总电阻太小,功率太小
A. 甲图是由于灯泡被短路
B. 甲图是由于灯泡被断路
C. 乙图是由于电路总电阻太大,功率太大
D. 乙图是由于电路总电阻太小,功率太小
答案:
A
9. “安全用电,从我做起”。如图所示是已接入家庭电路中的一个插线板。
(1) 插线板上标记A的插孔,应与家庭电路的______线相连。
(2) 多个用电器同时插在插线板上工作,它们的连接方式是______联。
(3) 将电烤箱的插头插入插线板,闭合开关,家里的空气开关跳闸了,原因可能是______________________________。
(1) 插线板上标记A的插孔,应与家庭电路的______线相连。
(2) 多个用电器同时插在插线板上工作,它们的连接方式是______联。
(3) 将电烤箱的插头插入插线板,闭合开关,家里的空气开关跳闸了,原因可能是______________________________。
答案:
(1)地
(2)并
(3)用电器总功率过大
(1)地
(2)并
(3)用电器总功率过大
10. 如图所示,同一个插排上同时使用多个用电器,用电器的总功率过大,会造成家庭电路中的__________过大,此时______(选填“空气开关”或“漏电保护器”)会自动切断电路,起到保护作用。
答案:
电流、空气开关
11. 如图所示是220V的家庭电路,电路中安装了额定电流为10A的保险丝和漏电保护器(在图中虚线框内,未画出),电路中有一个用电器正在工作,其实际功率是1000W。
(1) 保险丝是利用电流的热效应工作的,保险丝应该选择电阻比较______(选填“大”或“小”)、熔点比较______(选填“高”或“低”)的材料制作。
(2) 若此时有一人赤脚站在地上,不小心手接触了火线,假设人的电阻为4.4kΩ,此时通过人体的电流是0.05A,保险丝________(选填“会”或“不会”)熔断,漏电保护器检测到通过A、B两处的电流IA______(选填“>”“<”或“=”)IB,从而切断电路,保护人身安全。
(1) 保险丝是利用电流的热效应工作的,保险丝应该选择电阻比较______(选填“大”或“小”)、熔点比较______(选填“高”或“低”)的材料制作。
(2) 若此时有一人赤脚站在地上,不小心手接触了火线,假设人的电阻为4.4kΩ,此时通过人体的电流是0.05A,保险丝________(选填“会”或“不会”)熔断,漏电保护器检测到通过A、B两处的电流IA______(选填“>”“<”或“=”)IB,从而切断电路,保护人身安全。
答案:
(1)大、低
(2)不会、>
(1)大、低
(2)不会、>
12. 要在卫生间安装一盏“220V 40W”的电灯、一个“220V 50W”的排风扇和一个两孔插座。要求:开关S只控制灯和排风扇,且两个用电器都能正常工作。工人师傅已经连好其中部分电路,请你用笔画线代替导线将电路补充完整。
答案:
如图所示
如图所示
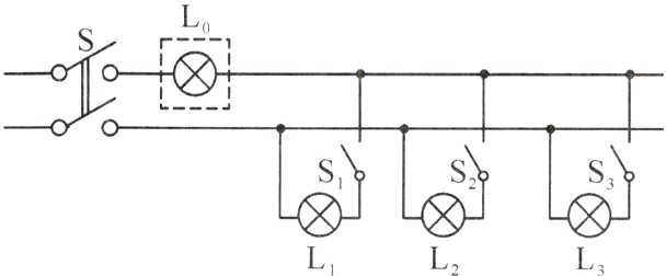
13. 电工师傅常用一只额定电压为220V的灯泡L₀(检验灯泡)取代保险丝来检查新安装的照明电路中每个支路的情况,如图所示。当S闭合后,再分别闭合S₁、S₂、S₃(每次只能闭合其中之一)时,可能出现以下三种情况,试判断下列现象:(均选填“短路”“断路”或“正常”)
(1) L₀不亮,说明该支路________。
(2) L₀正常发光,说明该支路________。
(3) L₀发光呈暗红色,说明该支路________。
(1) L₀不亮,说明该支路________。
(2) L₀正常发光,说明该支路________。
(3) L₀发光呈暗红色,说明该支路________。
答案:
(1)断路
(2)短路
(3)正常
(1)断路
(2)短路
(3)正常
查看更多完整答案,请扫码查看