第10页
- 第1页
- 第2页
- 第3页
- 第4页
- 第5页
- 第6页
- 第7页
- 第8页
- 第9页
- 第10页
- 第11页
- 第12页
- 第13页
- 第14页
- 第15页
- 第16页
- 第17页
- 第18页
- 第19页
- 第20页
- 第21页
- 第22页
- 第23页
- 第24页
- 第25页
- 第26页
- 第27页
- 第28页
- 第29页
- 第30页
- 第31页
- 第32页
- 第33页
- 第34页
- 第35页
- 第36页
- 第37页
- 第38页
- 第39页
- 第40页
- 第41页
- 第42页
- 第43页
- 第44页
- 第45页
- 第46页
- 第47页
- 第48页
- 第49页
- 第50页
- 第51页
- 第52页
- 第53页
- 第54页
- 第55页
- 第56页
- 第57页
- 第58页
- 第59页
- 第60页
- 第61页
- 第62页
- 第63页
- 第64页
- 第65页
- 第66页
- 第67页
- 第68页
- 第69页
- 第70页
- 第71页
- 第72页
- 第73页
- 第74页
- 第75页
- 第76页
- 第77页
- 第78页
- 第79页
- 第80页
6. 在“测量小灯泡电功率”的实验中,电源电压恒为 3V,小灯泡的额定电压为 2.5V,滑动变阻器的规格为“20Ω 1A”。
(1) 如图甲所示,闭合开关后,发现只有__________有示数,经检查发现有根导线连接错误。请在错误导线上打“×”,并用笔画线代替导线,将电路连接正确。
(2) 改正错误后,移动滑动变阻器的滑片到某一位置,电压表的示数如图乙所示。要测量小灯泡的额定功率,应将滑片适当向______(选填“左”或“右”)滑动。
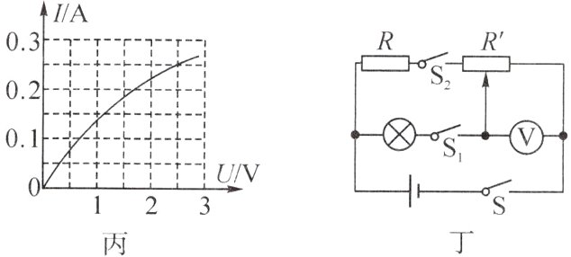
(3) 图丙是小灯泡的电流随电压变化关系的图像,则小灯泡的额定功率为________W。
(4) 测量小灯泡的电功率____________(选填“需要”或“不需要”)多次测量求平均值,原因是______________________________。
(5) 利用如图甲所示电路,依据________(原理)也可测出小灯泡正常工作时的电阻。如果考虑电表的电阻,此时电流表测量值比通过小灯泡电流的真实值________(选填“偏大”或“偏小”)。
(6) 在实际测量过程中,调节滑动变阻器使其接入电路中的电阻减小△R1,相应的小灯泡的阻值变化△R2,则△R1________(选填“>”“<”或“=”)△R2。
(7) 实验结束后,某同学设计了如图丁所示电路来测定额定电压为 3V 的小灯泡的额定功率。已知电源电压为 9V,定值电阻 R 的阻值为 10Ω。实验步骤如下:
① 开关 S、S1 闭合,S2 断开,调节滑动变阻器的滑片,使电压表的示数为______V 时,灯泡正常发光。
② 保持滑片位置不动,开关 S、S2 闭合,S1 断开,此时电压表示数为 4V;再将滑动变阻器的滑片移至最______(选填“左”或“右”)端,此时电压表示数为 7V。
③ 小灯泡的额定功率为 P 额 =________W。
(1) 如图甲所示,闭合开关后,发现只有__________有示数,经检查发现有根导线连接错误。请在错误导线上打“×”,并用笔画线代替导线,将电路连接正确。
(2) 改正错误后,移动滑动变阻器的滑片到某一位置,电压表的示数如图乙所示。要测量小灯泡的额定功率,应将滑片适当向______(选填“左”或“右”)滑动。
(3) 图丙是小灯泡的电流随电压变化关系的图像,则小灯泡的额定功率为________W。
(4) 测量小灯泡的电功率____________(选填“需要”或“不需要”)多次测量求平均值,原因是______________________________。
(5) 利用如图甲所示电路,依据________(原理)也可测出小灯泡正常工作时的电阻。如果考虑电表的电阻,此时电流表测量值比通过小灯泡电流的真实值________(选填“偏大”或“偏小”)。
(6) 在实际测量过程中,调节滑动变阻器使其接入电路中的电阻减小△R1,相应的小灯泡的阻值变化△R2,则△R1________(选填“>”“<”或“=”)△R2。
(7) 实验结束后,某同学设计了如图丁所示电路来测定额定电压为 3V 的小灯泡的额定功率。已知电源电压为 9V,定值电阻 R 的阻值为 10Ω。实验步骤如下:
① 开关 S、S1 闭合,S2 断开,调节滑动变阻器的滑片,使电压表的示数为______V 时,灯泡正常发光。
② 保持滑片位置不动,开关 S、S2 闭合,S1 断开,此时电压表示数为 4V;再将滑动变阻器的滑片移至最______(选填“左”或“右”)端,此时电压表示数为 7V。
③ 小灯泡的额定功率为 P 额 =________W。
答案:
(1)电压表,如图所示
(2)左
(3)0.625
(4)不需要,因为小灯泡在不同电压下的功率不同。
(5)R = U/I,测量的电阻值偏大。
(6)>
(7)①电源电压为6V
②滑片向左移动
③小灯泡的实际功率为0.9W
(1)电压表,如图所示
(2)左
(3)0.625
(4)不需要,因为小灯泡在不同电压下的功率不同。
(5)R = U/I,测量的电阻值偏大。
(6)>
(7)①电源电压为6V
②滑片向左移动
③小灯泡的实际功率为0.9W
查看更多完整答案,请扫码查看