第48页
- 第1页
- 第2页
- 第3页
- 第4页
- 第5页
- 第6页
- 第7页
- 第8页
- 第9页
- 第10页
- 第11页
- 第12页
- 第13页
- 第14页
- 第15页
- 第16页
- 第17页
- 第18页
- 第19页
- 第20页
- 第21页
- 第22页
- 第23页
- 第24页
- 第25页
- 第26页
- 第27页
- 第28页
- 第29页
- 第30页
- 第31页
- 第32页
- 第33页
- 第34页
- 第35页
- 第36页
- 第37页
- 第38页
- 第39页
- 第40页
- 第41页
- 第42页
- 第43页
- 第44页
- 第45页
- 第46页
- 第47页
- 第48页
- 第49页
- 第50页
- 第51页
- 第52页
- 第53页
- 第54页
- 第55页
- 第56页
- 第57页
- 第58页
- 第59页
- 第60页
- 第61页
- 第62页
- 第63页
- 第64页
- 第65页
- 第66页
10. 如图(a)是一款磁悬浮饮料展示架,其简化原理图如图(b)所示,在饮料上方固定一个条形磁体,展示架内有一电磁铁,闭合开关后使饮料悬空,请在括号中标出电磁铁下端极性和电源上端极性。

答案:
解:如图所示 。
11. 小明将自制电磁小船放在水中,闭合开关后船头(右端)在地磁场的作用下,静止时的位置如图所示。请在图中标出电磁铁右端的磁极,以及图标中的方向。

答案:
解:如图所示
地理(南)方。
地理(南)方。
12. 如图所示,将小磁针靠近螺线管的一端,当开关S闭合后,小磁针N极的指向如图所示。请在图中标出电源的“+”极和螺线管的N极,并画出螺线管的绕法。

答案:
解:如图所示
解:如图所示
13. 如图所示的A、B为两个通电螺线管,ab处是电池,通电时小磁针(黑端为N极)能在图示位置静止,标出电池ab的正负极及通电螺线管A的线圈绕法。

答案:
解:如图所示
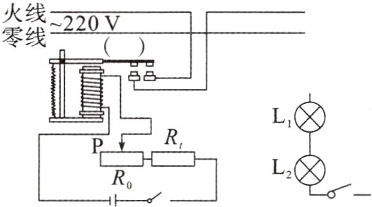
14. 如图是给蔬菜大棚提供光、热的装置电路图,$L_1$和$L_2$是规格均为“220V 880W”的灯泡,$R_t$是热敏电阻,$R_0$是设定温度的变阻器,当温度下降到设定温度时,衔铁就会被吸引,工作电路接通,两灯泡正常发光。
(1)在括号中标出电磁铁上端的磁极;
(2)把$L_1$和$L_2$正确地连接在火线和零线上,要求开关S同时控制两盏灯。

(1)在括号中标出电磁铁上端的磁极;
(2)把$L_1$和$L_2$正确地连接在火线和零线上,要求开关S同时控制两盏灯。
答案:
解:如图所示
解:如图所示
15. 某自动除尘装置简化电路的元件如图所示。空气中尘埃量较少时,光源发出来的光被挡板挡住。当空气中尘埃量达到一定值时,由于尘埃的反射,部分光越过挡板射到光敏电阻上,其电阻值减小。通过电磁继电器的电流增大,衔铁被吸下,除尘电动机工作。请用笔画线代替导线连接电路图。

答案:
解:如图所示
解:如图所示
查看更多完整答案,请扫码查看