第13页
- 第1页
- 第2页
- 第3页
- 第4页
- 第5页
- 第6页
- 第7页
- 第8页
- 第9页
- 第10页
- 第11页
- 第12页
- 第13页
- 第14页
- 第15页
- 第16页
- 第17页
- 第18页
- 第19页
- 第20页
- 第21页
- 第22页
- 第23页
- 第24页
- 第25页
- 第26页
- 第27页
- 第28页
- 第29页
- 第30页
- 第31页
- 第32页
- 第33页
- 第34页
- 第35页
- 第36页
- 第37页
- 第38页
- 第39页
- 第40页
- 第41页
- 第42页
- 第43页
- 第44页
- 第45页
- 第46页
- 第47页
- 第48页
- 第49页
- 第50页
- 第51页
- 第52页
- 第53页
- 第54页
- 第55页
- 第56页
- 第57页
- 第58页
- 第59页
- 第60页
- 第61页
- 第62页
- 第63页
- 第64页
- 第65页
- 第66页
1. 在用伏安法测量标有“2.5V”灯泡额定功率的实验中,小明发现电流表损坏,其他元件完好。
(1)小明用已有的器材、5Ω的电阻R₀和另一块电压表,设计了如图所示电路图。

其中虚线框内的元件组合体相当于____。
(2)小明进行了如下实验,请补充完整。
①连接好电路,将滑动变阻器连入电路的阻值调到________。
②合上开关,移动滑片,使灯泡两端电压为______V。
③再读出R₀两端的电压为1.5V。
(3)若实验操作正确,则灯泡的额定功率为________W。
(1)小明用已有的器材、5Ω的电阻R₀和另一块电压表,设计了如图所示电路图。
其中虚线框内的元件组合体相当于____。
(2)小明进行了如下实验,请补充完整。
①连接好电路,将滑动变阻器连入电路的阻值调到________。
②合上开关,移动滑片,使灯泡两端电压为______V。
③再读出R₀两端的电压为1.5V。
(3)若实验操作正确,则灯泡的额定功率为________W。
答案:
(1)电流表
(2)①最大 ②2.5
(3)0.75
(1)电流表
(2)①最大 ②2.5
(3)0.75
2. 用如图所示的电路来测量额定电压为2.5V的小灯泡的额定功率,已知R₀的阻值为10Ω。
(1)将实验过程补充完整:
a. 对照电路图连接好电路,并将滑动变阻器的滑片移至连入阻值最大处;
b. 闭合开关,调节滑动变阻器,使电流表A₁示数I₁为_______A;
c. 然后读出此时电流表A₂示数I₂;
d. 断开开关,整理器材。
(2)用测量所得的物理量和已知量符号表示出小灯泡的额定功率P = __________。
(1)将实验过程补充完整:
a. 对照电路图连接好电路,并将滑动变阻器的滑片移至连入阻值最大处;
b. 闭合开关,调节滑动变阻器,使电流表A₁示数I₁为_______A;
c. 然后读出此时电流表A₂示数I₂;
d. 断开开关,整理器材。
(2)用测量所得的物理量和已知量符号表示出小灯泡的额定功率P = __________。
答案:
(1)0.25
(2)2.5V×I₂
(1)0.25
(2)2.5V×I₂
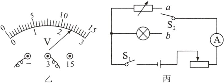
3. 有一只小灯泡的铭牌上仅能看清“0.5A”的字样,小强为了测量该小灯泡的额定功率,进行了如下实验:
(1)他连接了如图甲所示的电路,闭合开关后,发现小灯泡不亮,电流表的示数始终为零,电压表的示数接近3V,为了排除故障,接下来的操作合理的是______(选填字母);
A. 拧紧开关两端的接线柱
B. 拧紧小灯泡和它两端的接线柱
(2)排除故障后,正确连接电路,使小灯泡正常发光,电压表示数如图乙所示为_______V,小灯泡的额定功率为_______W;
(3)小强对实验进行了拓展,利用如图丙所示的电路,测出了另一只已知额定电流为I₁的小灯泡的额定功率,请完成实验步骤:
①闭合开关S₁,开关S₂连接b,移动滑动变阻器的滑片,使电流表示数为______;
②保持滑动变阻器的滑片位置不变,开关S₂连接a,调节电阻箱的阻值,使电流表示数为I₁,读出电阻箱的示数为R₀;
③则小灯泡的额定功率表达式Pₙ = ________(用字母表示)。
(1)他连接了如图甲所示的电路,闭合开关后,发现小灯泡不亮,电流表的示数始终为零,电压表的示数接近3V,为了排除故障,接下来的操作合理的是______(选填字母);
A. 拧紧开关两端的接线柱
B. 拧紧小灯泡和它两端的接线柱
(2)排除故障后,正确连接电路,使小灯泡正常发光,电压表示数如图乙所示为_______V,小灯泡的额定功率为_______W;
(3)小强对实验进行了拓展,利用如图丙所示的电路,测出了另一只已知额定电流为I₁的小灯泡的额定功率,请完成实验步骤:
①闭合开关S₁,开关S₂连接b,移动滑动变阻器的滑片,使电流表示数为______;
②保持滑动变阻器的滑片位置不变,开关S₂连接a,调节电阻箱的阻值,使电流表示数为I₁,读出电阻箱的示数为R₀;
③则小灯泡的额定功率表达式Pₙ = ________(用字母表示)。
答案:
(1)B
(2)2.4 1.2
(3)I₁ I₁²R₀
(1)B
(2)2.4 1.2
(3)I₁ I₁²R₀
查看更多完整答案,请扫码查看