第42页
- 第1页
- 第2页
- 第3页
- 第4页
- 第5页
- 第6页
- 第7页
- 第8页
- 第9页
- 第10页
- 第11页
- 第12页
- 第13页
- 第14页
- 第15页
- 第16页
- 第17页
- 第18页
- 第19页
- 第20页
- 第21页
- 第22页
- 第23页
- 第24页
- 第25页
- 第26页
- 第27页
- 第28页
- 第29页
- 第30页
- 第31页
- 第32页
- 第33页
- 第34页
- 第35页
- 第36页
- 第37页
- 第38页
- 第39页
- 第40页
- 第41页
- 第42页
- 第43页
- 第44页
- 第45页
- 第46页
- 第47页
- 第48页
- 第49页
- 第50页
- 第51页
- 第52页
- 第53页
- 第54页
- 第55页
- 第56页
- 第57页
- 第58页
- 第59页
- 第60页
- 第61页
- 第62页
- 第63页
- 第64页
- 第65页
- 第66页
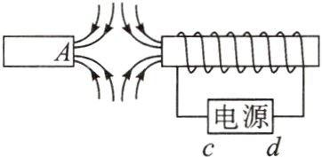
11. 如图画出了磁感线的分布情况,由此可知( )
A. A端为磁铁的N极,c端是电源正极
B. A端为磁铁的N极,c端是电源负极
C. A端为磁铁的S极,d端是电源正极
D. A端为磁铁的S极,d端是电源负极

A. A端为磁铁的N极,c端是电源正极
B. A端为磁铁的N极,c端是电源负极
C. A端为磁铁的S极,d端是电源正极
D. A端为磁铁的S极,d端是电源负极
答案:
D
12.(益阳市中考)如图所示,在通电螺线管周围a、b、c、d四个位置画出的小磁针指向正确的是( )
A. a、b B. b、c C. c、d D. a、d
A. a、b B. b、c C. c、d D. a、d
答案:
A
13. 图中的甲、乙两个线圈套在一根光滑的玻璃管上。导线柔软,可自由滑动。开关S闭合后,则( )
A. 两线圈左右分开
B. 两线圈向中间靠拢
C. 两线圈静止不动
D. 两线圈先左右分开,然后向中间靠拢
A. 两线圈左右分开
B. 两线圈向中间靠拢
C. 两线圈静止不动
D. 两线圈先左右分开,然后向中间靠拢
答案:
A
14. 方方按如图所示电路进行实验。闭合开关后,小磁针发生偏转。当小磁针静止时N极指向________(选填“上方”或“下方”)。向左移动滑动变阻器的滑片至某一位置时,硬币突然被吸起,此现象说明通电螺线管周围的磁场强弱与________有关。

答案:
下方 电流大小
15. 根据图中通电螺线管的磁感线方向,请在括号中标出电流表下端接线柱的正负以及静止的小磁针左端的极性。

答案:
解:如图
解:如图
16.(科学探究)如图是“探究通电螺线管外部磁场分布”的实验,在螺线管周围的玻璃板上均匀地撒满铁屑。通电后,轻敲玻璃板,观察铁屑的排列情况。
(1)由以上实验现象推断:通电螺线管外部的磁场与______磁体的磁场相似。
(2)为了进一步探究通电螺线管周围磁场的方向,可用______(选填“大头针”或“小磁针”)代替铁屑进行实验,为使磁场加强,可以在螺线管中插入一根______棒(选填“铁”或“铜”);观察实验现象后,应尽早断开开关,是为了保护电路和防止螺线管的______(选填“温度”“热量”或“内能”)过高。
(3)把螺线管沿东西方向水平悬挂起来,再给它通电,通电螺线管转动,最终A端指向______方。
(1)由以上实验现象推断:通电螺线管外部的磁场与______磁体的磁场相似。
(2)为了进一步探究通电螺线管周围磁场的方向,可用______(选填“大头针”或“小磁针”)代替铁屑进行实验,为使磁场加强,可以在螺线管中插入一根______棒(选填“铁”或“铜”);观察实验现象后,应尽早断开开关,是为了保护电路和防止螺线管的______(选填“温度”“热量”或“内能”)过高。
(3)把螺线管沿东西方向水平悬挂起来,再给它通电,通电螺线管转动,最终A端指向______方。
答案:
(1)条形
(2)小磁针 铁 温度
(3)北
(1)条形
(2)小磁针 铁 温度
(3)北
查看更多完整答案,请扫码查看