第28页
- 第1页
- 第2页
- 第3页
- 第4页
- 第5页
- 第6页
- 第7页
- 第8页
- 第9页
- 第10页
- 第11页
- 第12页
- 第13页
- 第14页
- 第15页
- 第16页
- 第17页
- 第18页
- 第19页
- 第20页
- 第21页
- 第22页
- 第23页
- 第24页
- 第25页
- 第26页
- 第27页
- 第28页
- 第29页
- 第30页
- 第31页
- 第32页
- 第33页
- 第34页
- 第35页
- 第36页
- 第37页
- 第38页
- 第39页
- 第40页
- 第41页
- 第42页
- 第43页
- 第44页
- 第45页
- 第46页
- 第47页
- 第48页
- 第49页
- 第50页
- 第51页
- 第52页
- 第53页
- 第54页
- 第55页
- 第56页
- 第57页
- 第58页
- 第59页
- 第60页
- 第61页
- 第62页
- 第63页
- 第64页
- 第65页
- 第66页
12. 家里一盏电灯突然熄灭,用试电笔(又名“测电笔”)分别测试电路中的a、b、c、d四点(如图),只有测a点时氖管发光。若电路中只有一处故障,则故障可能是( )

A. 进户零线断路
B. 灯泡L断路
C. 开关S接触不良
D. 导线cd断路
A. 进户零线断路
B. 灯泡L断路
C. 开关S接触不良
D. 导线cd断路
答案:
C
13. 将完好的插线板(如图)连入家庭电路中,闭合此插线板的控制开关S,其对应的指示灯D发光,再将台灯插头插入该插线板,若台灯与指示灯D能同时发光,则( )

A. 该接线板的连接线内只有火线和零线两根导线
B. 图中B、C两孔间电压为0V
C. 若图中指示灯D损坏,则台灯不亮
D. 将试电笔插入图中A孔,试电笔氖管不发光
A. 该接线板的连接线内只有火线和零线两根导线
B. 图中B、C两孔间电压为0V
C. 若图中指示灯D损坏,则台灯不亮
D. 将试电笔插入图中A孔,试电笔氖管不发光
答案:
D
14. 如图所示,灯泡L发光,正确使用试电笔接触A点,试电笔氖管__________;接触B点,试电笔氖管____________。(均选填“发光”或“不发光”)

答案:
发光 不发光
15. 如图是安装了漏电保护器的家庭电路。当漏电保护器检测到通过图中A、B两处的电流不相等(即发生漏电)时,会迅速切断电路,从而起到保护作用。当家电维修人员在图中C处不慎触电时,漏电保护器______(选填“会”或“不会”)切断电路。若人体电阻为10kΩ,触电时通过人体的电流为______mA。

答案:
会 22
16. 用电热壶烧开水既方便又卫生,因此被广泛使用,电热壶的结构如图所示。当电热壶接入电路时,图中的a端应当与__________相连,b端应当与__________相连,c端应当与__________相连。(均选填“地线”“零线”或“火线”)

答案:
火线 零线 地线
17. 在图中虚线框A和B内分别接入开关和电灯(元件符号:开关 -∘-,电灯Ⓧ),并完成三孔插座的连接,使电路符合安全用电的要求。

答案:
解:如图
解:如图
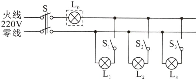
18.(科学推理)电工师傅常用一只额定电压为220V的灯泡L₀(检验灯泡)取代保险丝来检查新安装的照明电路中每个支路的情况,如图所示。当S闭合后,再分别闭合S₁、S₂、S₃(每次只能闭合其中之一)时,可能出现以下三种情况,试判断(均选填“短路”“断路”或“正常”):
(1)L₀不亮,说明该支路__________。
(2)L₀正常发光,说明该支路__________。
(3)L₀发光呈暗红色,说明该支路__________。
(1)L₀不亮,说明该支路__________。
(2)L₀正常发光,说明该支路__________。
(3)L₀发光呈暗红色,说明该支路__________。
答案:
(1)断路
(2)短路
(3)正常
(1)断路
(2)短路
(3)正常
查看更多完整答案,请扫码查看