第18页
- 第1页
- 第2页
- 第3页
- 第4页
- 第5页
- 第6页
- 第7页
- 第8页
- 第9页
- 第10页
- 第11页
- 第12页
- 第13页
- 第14页
- 第15页
- 第16页
- 第17页
- 第18页
- 第19页
- 第20页
- 第21页
- 第22页
- 第23页
- 第24页
- 第25页
- 第26页
- 第27页
- 第28页
- 第29页
- 第30页
- 第31页
- 第32页
- 第33页
- 第34页
- 第35页
- 第36页
- 第37页
- 第38页
- 第39页
- 第40页
- 第41页
- 第42页
- 第43页
- 第44页
- 第45页
- 第46页
- 第47页
- 第48页
- 第49页
- 第50页
- 第51页
- 第52页
- 第53页
- 第54页
- 第55页
- 第56页
- 第57页
- 第58页
- 第59页
- 第60页
- 第61页
- 第62页
- 第63页
- 第64页
- 第65页
- 第66页
6. 现有一台电动机,其线圈电阻为0.4Ω,当电动机两端加220V电压时,通过电动机线圈的电流为50A,则1分钟内线圈产生的热量是____________J,电动机所做的机械功是__________J。
答案:
6. $6×10^{4}$ $6×10^{5}$
7. 计算电流通过电风扇产生的热量,下面公式选用正确的是( )
A. UIt
B. $\frac{U^{2}}{R}t$
C. $I^{2}Rt$
D. 前面三个都可以
A. UIt
B. $\frac{U^{2}}{R}t$
C. $I^{2}Rt$
D. 前面三个都可以
答案:
7.C
8. 如图甲所示是一种饮水机的电路原理图,$R_{1}$和$R_{2}$均为电热丝,饮水机工作时功率随时间变化的关系图象如图乙所示。饮水机工作时,电阻$R_{1}$的阻值为________Ω,电阻$R_{2}$的阻值为________Ω,则30min内电路消耗的总电能为____________J。

答案:
8.220 110 $6.6×10^{5}$
9. 将一个电热水器单独接在清零的计量插座上工作2h,屏幕显示如图所示,已知电费单价为0.5元/kW·h,电热水器的功率为________W;若该时间内消耗的电能全部给40kg的水加热(水未沸腾),则水温升高______℃。[$c_{水}=4.2×10^{3}J/(kg·℃)$]

答案:
9.700 30
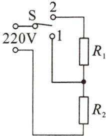
10.(成都市中考)某家用电热壶有“加热”和“保温”两个挡位,其简化电路如图所示,$R_{1}$、$R_{2}$是电热丝,$R_{1}=1050Ω$,$R_{2}=50Ω$。开关S接“1”时,电热壶为________挡位。开关S接“2”时,通电5min,电流通过$R_{2}$产生的热量为________J。

答案:
10.加热 600
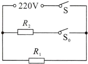
11.(邵阳市中考)如表是小华同学家饮水机的铭牌参数,学习电学知识后,他好奇饮水机的工作原理,请教老师后得到饮水机的电路原理图如图所示。当蓄水箱中装满水时,请你帮他解决如下问题:


(1)蓄水箱中水的质量是多少?($\rho_{水}=1.0×10^{3}kg/m^{3}$)
(2)如果饮水机把蓄水箱中的水从75℃加热到95℃用了210s,求此饮水机的加热效率。[$c_{水}=4.2×10^{3}J/(kg·℃)$]
(3)铭牌上的保温功率已模糊不清,已知$R_{1}=988Ω$,求饮水机的保温功率。(结果保留整数)
(1)蓄水箱中水的质量是多少?($\rho_{水}=1.0×10^{3}kg/m^{3}$)
(2)如果饮水机把蓄水箱中的水从75℃加热到95℃用了210s,求此饮水机的加热效率。[$c_{水}=4.2×10^{3}J/(kg·℃)$]
(3)铭牌上的保温功率已模糊不清,已知$R_{1}=988Ω$,求饮水机的保温功率。(结果保留整数)
答案:
11.
(1)解:水的质量:$m = \rho_{水}V = 1.0×10^{3}kg/m^{3}×1×10^{-3}m^{3} = 1kg$
(2)水吸收的热量:$Q_{吸} = c_{水}m(t_{2} - t_{1}) = 4.2×10^{3}J/(kg\cdot^{\circ}C)×1kg×(95^{\circ}C - 75^{\circ}C) = 8.4×10^{4}J$,消耗的电能:$W = P_{加}t = 500W×210s = 1.05×10^{5}J$,饮水机的加热效率:$\eta = \frac{Q_{吸}}{W}×100\% = \frac{8.4×10^{4}J}{1.05×10^{5}J}×100\% = 80\%$
(3)当开关S闭合、$S_{0}$断开时,只有$R_{1}$工作,此时为保温状态,保温时的功率:$P_{保} = \frac{U^{2}}{R_{1}} = \frac{(220V)^{2}}{988\Omega} \approx 49W$
(1)解:水的质量:$m = \rho_{水}V = 1.0×10^{3}kg/m^{3}×1×10^{-3}m^{3} = 1kg$
(2)水吸收的热量:$Q_{吸} = c_{水}m(t_{2} - t_{1}) = 4.2×10^{3}J/(kg\cdot^{\circ}C)×1kg×(95^{\circ}C - 75^{\circ}C) = 8.4×10^{4}J$,消耗的电能:$W = P_{加}t = 500W×210s = 1.05×10^{5}J$,饮水机的加热效率:$\eta = \frac{Q_{吸}}{W}×100\% = \frac{8.4×10^{4}J}{1.05×10^{5}J}×100\% = 80\%$
(3)当开关S闭合、$S_{0}$断开时,只有$R_{1}$工作,此时为保温状态,保温时的功率:$P_{保} = \frac{U^{2}}{R_{1}} = \frac{(220V)^{2}}{988\Omega} \approx 49W$
查看更多完整答案,请扫码查看