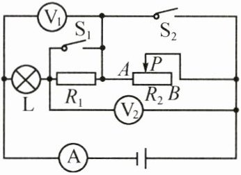
7. (6分)如图所示电路,电源两端电压保持不变。当开关S₁闭合、S₂断开,滑动变阻器的滑片P移到阻值最大端B点时(滑动变阻器最大阻值为R₂),灯L的电功率为P_L,电流表的示数为I₁;当开关S₁断开、S₂闭合时,灯L的电功率为P'_L,电流表的示数为I₂,已知P_L:P'_L=9:25。通过闭合或断开开关及移动滑动变阻器的滑片P,会形成不同的电路,在这些不同的电路中,电路消耗的最大功率与电路消耗的最小功率之比为3:1,当电路消耗的功率最大时,灯正常发光。(灯丝电阻不随温度改变,各电表和灯泡均在安全范围内)求:
(1)电流表的示数I₁与I₂的比值;
(2)R₂:R₁;
(3)当开关S₁、S₂都断开,滑动变阻器的滑片P在某点C时,变阻器接入电路的电阻为R_C,电压表V₁的示数为U₁,电压表V₂的示数为U₂,已知U₁:U₂=3:2,R_C的电功率为6W,求灯的额定功率。

(1)电流表的示数I₁与I₂的比值;
(2)R₂:R₁;
(3)当开关S₁、S₂都断开,滑动变阻器的滑片P在某点C时,变阻器接入电路的电阻为R_C,电压表V₁的示数为U₁,电压表V₂的示数为U₂,已知U₁:U₂=3:2,R_C的电功率为6W,求灯的额定功率。
答案:
7.解:
(1)当开关S₁闭合、S₂断开,滑动变阻器的滑片P移到B端时,灯泡L与滑动变阻器串联;当开关S₁断开、S₂闭合时,灯L与电阻R₁串联。由P = I²R可知,电流I = √(P / R),则
电流表的示数I₁与I₂的比值:I₁ / I₂ = √(PL / PL') = √(9 / 25) = 3 / 5。
(2)电源电压:U = I₁(RL + R₂)=I₂(RL + R₁)。因为I₁ : I₂ = 3 : 5,
所以,代入数据整理得,2RL = 3R₂ - 5R₁ ①。
因为电源电压不变,根据P = U² / R可得:当S₁、S₂都闭合,电路中只有灯L接入电路时,电路消耗的功率最大;当S₁、S₂都断开,滑动变阻器的滑片P移到B点,电路中三电阻串联时,电路消耗的功率最小。
电路消耗的最大功率与电路消耗的最小功率之比:P最大 / P最小 = (RL + R₁ + R₂) / RL = 3 / 1,整理得,2RL = R₁ + R₂ ②。
联立①②可解得,R₂ : R₁ = 3 : 1。
(3)当开关S₁、S₂都断开时,灯泡L与电阻R₁、R₂串联,电压表V₁测L与R₁两端的总电压,电压表V₂测R₁与R₂两端的总电压,U₁ / U₂ = (RL + R₁) / (RC + R₁) = 3 / 2,整理得,2RL = R₁ + 3RC ③。
联立①②③可解得,RL = 2RC,则有R₁ : RL : RC : R₂ = 1 : 2 : 1 : 3,由欧姆定律得,RC两端的电压:UC = U / (RL + R₁ + RC) × RC = 1 / 4 U,则有PL / PC = (RL / UC²) × (RC / RL) = (4 / 1)² × (1 / 2) = 8 / 1。
所以灯的额定功率:PL = 8PC = 8×6W = 48W。
答:
(1)电流表的示数I₁与I₂的比值为3 / 5;
(2)R₂ : R₁为3 : 1;
(3)灯的额定功率为48W。
(1)当开关S₁闭合、S₂断开,滑动变阻器的滑片P移到B端时,灯泡L与滑动变阻器串联;当开关S₁断开、S₂闭合时,灯L与电阻R₁串联。由P = I²R可知,电流I = √(P / R),则
电流表的示数I₁与I₂的比值:I₁ / I₂ = √(PL / PL') = √(9 / 25) = 3 / 5。
(2)电源电压:U = I₁(RL + R₂)=I₂(RL + R₁)。因为I₁ : I₂ = 3 : 5,
所以,代入数据整理得,2RL = 3R₂ - 5R₁ ①。
因为电源电压不变,根据P = U² / R可得:当S₁、S₂都闭合,电路中只有灯L接入电路时,电路消耗的功率最大;当S₁、S₂都断开,滑动变阻器的滑片P移到B点,电路中三电阻串联时,电路消耗的功率最小。
电路消耗的最大功率与电路消耗的最小功率之比:P最大 / P最小 = (RL + R₁ + R₂) / RL = 3 / 1,整理得,2RL = R₁ + R₂ ②。
联立①②可解得,R₂ : R₁ = 3 : 1。
(3)当开关S₁、S₂都断开时,灯泡L与电阻R₁、R₂串联,电压表V₁测L与R₁两端的总电压,电压表V₂测R₁与R₂两端的总电压,U₁ / U₂ = (RL + R₁) / (RC + R₁) = 3 / 2,整理得,2RL = R₁ + 3RC ③。
联立①②③可解得,RL = 2RC,则有R₁ : RL : RC : R₂ = 1 : 2 : 1 : 3,由欧姆定律得,RC两端的电压:UC = U / (RL + R₁ + RC) × RC = 1 / 4 U,则有PL / PC = (RL / UC²) × (RC / RL) = (4 / 1)² × (1 / 2) = 8 / 1。
所以灯的额定功率:PL = 8PC = 8×6W = 48W。
答:
(1)电流表的示数I₁与I₂的比值为3 / 5;
(2)R₂ : R₁为3 : 1;
(3)灯的额定功率为48W。
查看更多完整答案,请扫码查看