16. 将两个阻值不等的电阻R₁和R₂按如图甲、乙所示的方式接入电路中。已知电源电压相同,R₁小于R₂,闭合开关,则下列判断中正确的是(

A.电压表V₁的示数等于V₂的示数
B.电流表A₁的示数小于A₂的示数
C.电压表V₁与电流表A₁的比值等于电压表V₂与电流表A₂的比值
D.电压表V₁与电流表A₁的比值大于电压表V₂与电流表A₂的比值
B
)A.电压表V₁的示数等于V₂的示数
B.电流表A₁的示数小于A₂的示数
C.电压表V₁与电流表A₁的比值等于电压表V₂与电流表A₂的比值
D.电压表V₁与电流表A₁的比值大于电压表V₂与电流表A₂的比值
答案:
B
17. 为监测教室环境中PM2.5的浓度,创客社团的四位同学分别设计了如图所示的电路图,其中电源两端电压保持不变,R₁是定值电阻,R₂是气敏电阻(阻值随PM2.5浓度增大而减小)。现要求PM2.5浓度越大,电表的示数就越大,则符合要求的电路图是(

C
)
答案:
C
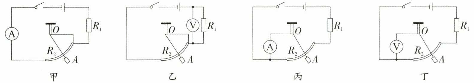
18. 如图是物理兴趣小组设计的风力测量仪的电路示意图。其电源电压恒定不变,R₂是均匀电阻丝,金属丝(电阻忽略不计)的上端固定在O点,下端系有一块塑料片A,当风从左向右吹动塑料片时,金属丝向右摆动并与电阻丝保持良好的接触,图中仪表示数随风力增大而增大的有(

A.甲、乙
B.丙、丁
C.乙、丁
D.乙、丙
B
)A.甲、乙
B.丙、丁
C.乙、丁
D.乙、丙
答案:
B
19. 在家庭电路中,抽油烟机正常工作的电压为
220
V,它与家中其他用电器是并联
(选填“串联”或“并联”)连接的;增加工作的家用电器个数,则总电阻将变小
(选填“变大”或“变小”)。
答案:
220 并联 变小
20. 元旦晚会要装一些小灯泡来增加气氛,现有一阻值为15Ω,正常发光电流为0.3A的小灯泡,应把
49
个这样的小灯泡串
联在220V的电路中使用。
答案:
49 串
21. 电阻R₁:R₂=1:2,将它们串联后接在电源上,则它们各自两端的电压之比为
1∶2
,通过它们的电流强度之比是1∶1
;将它们并联后接在电源上,它们各自两端的电压之比为1∶1
,通过它们的电流强度之比为2∶1
。
答案:
1∶2 1∶1 1∶1 2∶1
22. 如图所示,小南和小雄将一块铜片和一块锌片插入西红柿,做成了一个“西红柿电池”。该电池的铜片是

正
极,由电压表可知“西红柿电池”的电压为0.5
V。一个发光二极管工作时要求电压为2.5V,需要5
个这样的电池串联起来。
答案:
正 0.5 5
23. 如图所示是大型电子地磅的电路图。当称重物时,在压力作用下滑片P向B端滑动,滑动变阻器连入电路的电阻

变小
,电流表的示数变大
(均选填“变大”“变小”或“不变”),这样把电流对应的重量刻在电流表的刻度盘上,就可以读出被称物体的重量。
答案:
变小 变大
24. 如图所示,闭合开关S后,要使滑动变阻器的滑片向右移动时灯泡变暗,应把F点与滑动变阻器的

A
点用导线连接起来。
答案:
A
25. 当某导体两端电压是3V时,通过它的电流是0.3A,则该导体的电阻是
10
Ω;当它两端电压减小为1V时,通过它的电流变为0.1
A;当它两端电压为0时,该导体的电阻为10
Ω。
答案:
10 0.1 10
查看更多完整答案,请扫码查看