7. 如图4所示,闭合开关$S,L_1$和$L_2$两灯都不亮,电流表指针几乎没有偏转,电压表指针有明显偏转,该电路的故障可能是(

A.电流表损坏
B.L_1$灯丝断了$
C.L_2$灯丝断了$
$D.L_2$灯短路

C
)A.电流表损坏
B.L_1$灯丝断了$
C.L_2$灯丝断了$
$D.L_2$灯短路
答案:
C
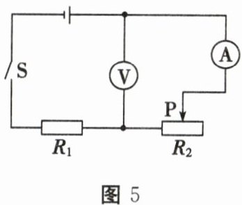
8. 在如图5所示的电路中,闭合开关S,当滑动变阻器的滑片P向右移动时,电压表、电流表的示数的变化情况是(

A.电压表、电流表示数均变大
B.电压表、电流表示数均变小
C.电压表示数变大,电流表示数变小
D.电压表示数变小,电流表示数变大
C
)A.电压表、电流表示数均变大
B.电压表、电流表示数均变小
C.电压表示数变大,电流表示数变小
D.电压表示数变小,电流表示数变大
答案:
C
9. 导体两端的电压一定时,导体的电阻越小,通过导体的电流
越大
;导体的电阻一定时,导体两端的电压变为原来的2倍,则通过导体的电流变为原来的2
倍。
答案:
越大 2
10. 如图6所示,电源电压不变,电阻$R_1= 4Ω,R_2= 6Ω,R_3= 5Ω。$当开关S闭合后,电流表示数为0.3A,则电源电压为

3
V。
答案:
3
11. 如图7所示是两个电阻器的电流随电压变化的关系图像,由图中信息可推断电阻$R_1$



小于
(选填“大于”“等于”或“小于”)$R_2$。将它们并联后接在电压为3V的电源上,干路中的电流为0.9
A;串联接入电路中时,电阻为$R_1、$$R_2$的电阻器两端的电压之比$U_1$:$U_2=$1:2
。
答案:
小于 0.9 1:2
12. 小吉在探究通过电阻的电流跟其两端电压的关系时,用记录的实验数据作出了如图8所示的U-I图像,则a的电阻为

10
Ω;将a、b串联接在电压为3V的电源上,电路中的电流为0.2
A;将a、b并联接在电路中,通过它们的电流之比Iₐ:Iᵦ=1:2
。
答案:
10 0.2 1:2
查看更多完整答案,请扫码查看