1. 当导体两端的电压为3V时,通过导体的电流为0.6A,若通过导体的电流为1.2A,则导体此时两端的电压和导体的电阻分别为(
A.6V 5Ω
B.6V 10Ω
C.3V 5Ω
D.3V 10Ω
A
)A.6V 5Ω
B.6V 10Ω
C.3V 5Ω
D.3V 10Ω
答案:
A
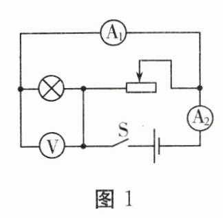
2. 如图1所示的电路,闭合开关S,当滑片向左移动时,则(

A.电压表示数变大
B.电流表$A_1$示数变大
C.灯泡亮度变暗
D.电流表$A_2$示数变大
D
)A.电压表示数变大
B.电流表$A_1$示数变大
C.灯泡亮度变暗
D.电流表$A_2$示数变大
答案:
D
3. 一个电阻器两端电压由2V增加到2.8V,通过该电阻器的电流增加了0.1A,则该电阻器的电阻为(
A.8Ω
B.18Ω
C.20Ω
D.28Ω
A
)A.8Ω
B.18Ω
C.20Ω
D.28Ω
答案:
A
4. 两盏电灯$L_1、$$L_2$并联接入电压为12V的电路中,干路中的电流为0.8A,通过$L_1$的电流为0.6A,则这两盏灯$L_1、$$L_2$的电阻分别是(
A.60Ω 20Ω
B.20Ω 60Ω
C.10Ω 30Ω
D.80Ω 20Ω
B
)A.60Ω 20Ω
B.20Ω 60Ω
C.10Ω 30Ω
D.80Ω 20Ω
答案:
B
5. 如图2所示是通过小灯泡和定值电阻的电流随电压变化的图像,由图可知(

A.甲是定值电阻的I-U关系图像
B.定值电阻的阻值为0.1Ω
C.小灯泡和定值电阻并联在2V电源上,干路电流为0.8A
D.小灯泡和定值电阻串联在5V电源上,电路电流为0.2A
C
)A.甲是定值电阻的I-U关系图像
B.定值电阻的阻值为0.1Ω
C.小灯泡和定值电阻并联在2V电源上,干路电流为0.8A
D.小灯泡和定值电阻串联在5V电源上,电路电流为0.2A
答案:
C
6. 灯泡$L_1$与$L_2$的额定电压均为6V,如图3甲是两灯的电流随其两端电压变化的曲线。现将两灯接入如图3乙所示电路,电源电压为3V,闭合开关,两灯泡均发光,则此时电流表$A_1$示数与$L_2$阻值分别是(

A.1.0A 10Ω
B.1.0A 5Ω
C.0.7A 10Ω
D.0.3A 12Ω
A
)A.1.0A 10Ω
B.1.0A 5Ω
C.0.7A 10Ω
D.0.3A 12Ω
答案:
A
查看更多完整答案,请扫码查看