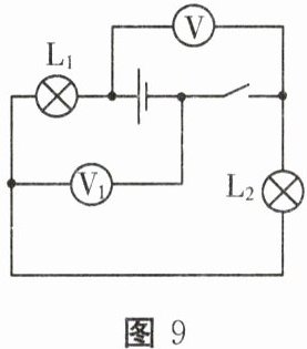
15. 如图 9 所示,开关闭合时,电压表 V 测的是


电源
(选填“$ L_1 $”“$ L_2 $”或“电源”)两端电压,$ V_1 $ 测的是$ L_2 $
(选填“$ L_1 $”“$ L_2 $”或“电源”)两端电压;若 $ L_1 $ 比 $ L_2 $ 亮,则通过两灯的电流 $ I_1 $=
(选填“>”“<”或“=”) $ I_2 $。
答案:
电源 L₂ =
16. 在实验室,小吉发现有一块除了正负接线柱清楚,其他标志均不清楚的电表,它可能是电流表,也可能是电压表,小明利用如图 10 所示器材组装成电路,该电表用符号 a 来代表,调节滑动变阻器,如果观察到灯泡
发光
,说明它是电流表;如果观察到灯泡不发光
,说明它是电压表。(两空均选填“发光”或“不发光”)
答案:
发光 不发光
17. (6 分)“探究影响导体电阻大小的因素”的实验装置如图 11 所示,在实验中使用四根电阻丝,实验记录如表所示。
| 编号 | 材料 | 长度/m | 横截面积$/mm^2 $| 灯泡亮度 |
| a | 锰铜 | 0.5 | 0.8 | 亮 |
| b | 镍铬合金 | 0.5 | 0.8 | 较亮 |
| c | 镍铬合金 | 0.5 | 0.4 | 较暗 |
| d | 镍铬合金 | 1.0 | 0.4 | 暗 |


(1)分别将编号为
(2)分别将编号为 c、d 的电阻丝接入电路进行实验,其得到的实验结论被实际应用到了
A. 电压表
B. 电流表
C. 滑动变阻器
| 编号 | 材料 | 长度/m | 横截面积$/mm^2 $| 灯泡亮度 |
| a | 锰铜 | 0.5 | 0.8 | 亮 |
| b | 镍铬合金 | 0.5 | 0.8 | 较亮 |
| c | 镍铬合金 | 0.5 | 0.4 | 较暗 |
| d | 镍铬合金 | 1.0 | 0.4 | 暗 |
(1)分别将编号为
a、b
的电阻丝接入电路进行实验,可得出初步结论:导体的电阻大小与导体的材料有关。(2)分别将编号为 c、d 的电阻丝接入电路进行实验,其得到的实验结论被实际应用到了
C
(填序号)的工作原理中。A. 电压表
B. 电流表
C. 滑动变阻器
答案:
(1)a、b
(2)C
(1)a、b
(2)C
18. (9 分)小吉和小林做“用滑动变阻器改变电流”的实验,电路如图 12 所示。

(1)连接实物时,滑片 P 应移动到最______(选填“左”或“右”)端。
(2)开始实验后,小吉发现无论怎样移动滑片 P,灯的亮度都不发生变化,而且一直很暗,这可能是因为______;小林缓慢移动滑片 P 时,看到灯忽然亮又忽然不亮,这可能是因为______。
(1)
(2)
(1)连接实物时,滑片 P 应移动到最______(选填“左”或“右”)端。
(2)开始实验后,小吉发现无论怎样移动滑片 P,灯的亮度都不发生变化,而且一直很暗,这可能是因为______;小林缓慢移动滑片 P 时,看到灯忽然亮又忽然不亮,这可能是因为______。
(1)
左
(2)
滑动变阻器连接的是下面两个接线柱
;滑片处接触不良
答案:
(1)左
(2)滑动变阻器连接的是下面两个接线柱 滑片处接触不良
(1)左
(2)滑动变阻器连接的是下面两个接线柱 滑片处接触不良
查看更多完整答案,请扫码查看