12. 某天然气热水器的热效率为84%,现用该天然气热水器将40kg、温度为15℃的水加热至65℃,则需要消耗
0.25
$m^3$的天然气。[c_1_水$ = 4.2×10^3J/(kg·℃),q_1_$天然气$ = 4×10^7J/m^3]$
答案:
0.25
13. 如图8所示,这是四冲程汽油机的

做功
冲程。设汽车的燃油为汽油,每辆汽车每年耗油约2.1t,若不计热量损失,这些燃料完全燃烧放出的热量为$9.66×10^{10}$
J,可供$1×10^6kg$的水温度升高23
℃。[已知水的比热容为$4.2×10^3J/(kg·℃),$汽油的热值为$4.6×10^7J/kg]$
答案:
做功 $9.66×10^{10}$ 23
14. 如图9所示,完全相同的A、B两金属片浸入盐水的深度相同,闭合开关后,小灯泡发光,通过灯泡灯丝的自由电子定向移动的方向是从___(选填“c到d”或“d到c”)。




d到c
答案:
d到c
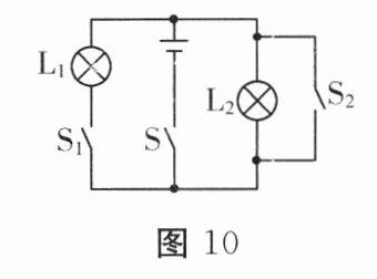
15. 如图10所示,先将开关S、$S_1$均闭合,再闭合开关$S_2$的瞬间,灯泡的发光情况为

L₁和L₂都不亮
(选填$“L_1$亮$”“L_1$和$L_2$都亮”或$“L_1$和$L_2$都不亮”)。
答案:
L₁和L₂都不亮
16. 给汽车蓄电池充电时,蓄电池相当于基本电路中的
用电器
;冬季空气非常干燥,汽车在长途行驶过程中,车身与空气摩擦带上电荷,汽车上会吸附很多灰尘,是因为带电体具有吸引轻小物体
的性质;如图11所示,这是某电动汽车充电站的一排充电桩,这些充电桩是并联
(选填“串联”或“并联”)的。
答案:
用电器 吸引轻小物体 并联
17. (14分)为了探究“不同物质的比热容”,在两个相同的容器中分别装入质量、初温都相同的两种液体A、B,并且用相同的装置加热,如图12甲所示。

(1)实验中,可以通过比较
(2)组装图12甲的实验器材时,应该按
(3)加热到4min时,液体B的温度如图12乙所示,此时温度计示数是
(4)为了比较A、B液体的比热容,小林提出两种比较方案:
①让两者升高相同的温度比较加热时间
②让两者加热相同时间比较升高的温度
在两种液体都不沸腾的前提下,你认为可行的方案是
(5)冬天,如果你想自制暖手袋,由图12丙可知,应选液体
(1)实验中,可以通过比较
加热时间
(选填“升高的温度”或“加热时间”)来反映两种液体吸收热量的多少;加热2min,液体A吸收的热量将等于
(选填“大于”“小于”或“等于”)液体B吸收的热量。(2)组装图12甲的实验器材时,应该按
自下而上
(选填“自上而下”或“自下而上”)的顺序进行组装。(3)加热到4min时,液体B的温度如图12乙所示,此时温度计示数是
42
℃;加热过程中需用玻璃棒不断搅拌,搅拌的目的是使液体均匀受热
。(4)为了比较A、B液体的比热容,小林提出两种比较方案:
①让两者升高相同的温度比较加热时间
②让两者加热相同时间比较升高的温度
在两种液体都不沸腾的前提下,你认为可行的方案是
①和②
(选填“①”“②”或“①和②”)。(5)冬天,如果你想自制暖手袋,由图12丙可知,应选液体
A
(选填“A”或“B”)作为供暖物质,其效果更佳。
答案:
(1)加热时间 等于
(2)自下而上
(3)42 使液体均匀受热
(4)①和②
(5)A
(1)加热时间 等于
(2)自下而上
(3)42 使液体均匀受热
(4)①和②
(5)A
查看更多完整答案,请扫码查看