第64页
- 第1页
- 第2页
- 第3页
- 第4页
- 第5页
- 第6页
- 第7页
- 第8页
- 第9页
- 第10页
- 第11页
- 第12页
- 第13页
- 第14页
- 第15页
- 第16页
- 第17页
- 第18页
- 第19页
- 第20页
- 第21页
- 第22页
- 第23页
- 第24页
- 第25页
- 第26页
- 第27页
- 第28页
- 第29页
- 第30页
- 第31页
- 第32页
- 第33页
- 第34页
- 第35页
- 第36页
- 第37页
- 第38页
- 第39页
- 第40页
- 第41页
- 第42页
- 第43页
- 第44页
- 第45页
- 第46页
- 第47页
- 第48页
- 第49页
- 第50页
- 第51页
- 第52页
- 第53页
- 第54页
- 第55页
- 第56页
- 第57页
- 第58页
- 第59页
- 第60页
- 第61页
- 第62页
- 第63页
- 第64页
- 第65页
- 第66页
- 第67页
- 第68页
- 第69页
- 第70页
- 第71页
- 第72页
- 第73页
- 第74页
- 第75页
- 第76页
- 第77页
- 第78页
- 第79页
- 第80页
- 第81页
- 第82页
- 第83页
- 第84页
答案:
$20$;$26$
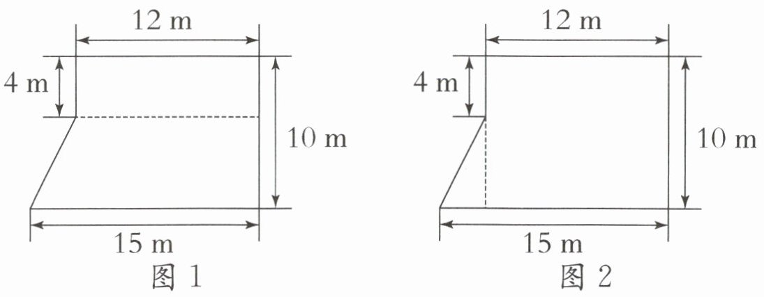
例1 华丰小学校园里有一块草坪(如图),它的面积是多少平方米?
过程探索 求草坪的面积就是求组合图形的面积。求组合图形的面积时,无法利用学过的面积计算公式直接计算时,可以先把组合图形分割或补成简单的图形,再利用简单图形的面积计算公式进行计算。
方法一:如图1,将组合图形分割成一个长方形和一个梯形。
草坪的面积= ()的面积+()的面积
方法二:如图2,将组合图形分割成一个长方形和一个三角形。
草坪的面积= ()的面积+()的面积

方法三:如图3,将组合图形分割成一个梯形和一个三角形。
草坪的面积= ()的面积+()的面积
方法四:如图4,将组合图形补成一个长方形。
草坪的面积= ()的面积-()的面积


完全解答 方法一:$12×4+(12+15)×(10-4)÷2= 129$(平方米)
方法二:$12×10+(15-12)×(10-4)÷2= 129$(平方米)
方法三:$(4+10)×12÷2+15×(10-4)÷2= 129$(平方米)
方法四:$15×10-(4+10)×(15-12)÷2= 129$(平方米)
答:这块草坪的面积是129平方米。
过程探索 求草坪的面积就是求组合图形的面积。求组合图形的面积时,无法利用学过的面积计算公式直接计算时,可以先把组合图形分割或补成简单的图形,再利用简单图形的面积计算公式进行计算。
方法一:如图1,将组合图形分割成一个长方形和一个梯形。
草坪的面积= ()的面积+()的面积
方法二:如图2,将组合图形分割成一个长方形和一个三角形。
草坪的面积= ()的面积+()的面积
方法三:如图3,将组合图形分割成一个梯形和一个三角形。
草坪的面积= ()的面积+()的面积
方法四:如图4,将组合图形补成一个长方形。
草坪的面积= ()的面积-()的面积
完全解答 方法一:$12×4+(12+15)×(10-4)÷2= 129$(平方米)
方法二:$12×10+(15-12)×(10-4)÷2= 129$(平方米)
方法三:$(4+10)×12÷2+15×(10-4)÷2= 129$(平方米)
方法四:$15×10-(4+10)×(15-12)÷2= 129$(平方米)
答:这块草坪的面积是129平方米。
答案:
长方形 梯形 长方形 三角形 梯形 三角形 长方形 梯形
查看更多完整答案,请扫码查看