2024年优等生测评卷九年级物理全一册人教版
注:目前有些书本章节名称可能整理的还不是很完善,但都是按照顺序排列的,请同学们按照顺序仔细查找。练习册 2024年优等生测评卷九年级物理全一册人教版 答案主要是用来给同学们做完题方便对答案用的,请勿直接抄袭。
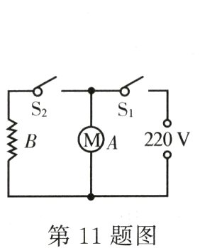
11. 如图所示是电吹风的简化电路图,A是风扇的电动机,B是电热丝,要吹热风应闭合开关________,此时A与B________联在电路中。

答案:
S₁和S₂ 并
12. 如图所示电路,闭合开关S后,电磁铁a端为________极,将滑动变阻器的滑片P向右移动,电磁铁的磁性将________(选填“增强”“减弱”或“不变”)。

答案:
S 减弱
13. (2024·临夏州中考) 新素材 北京时间2024年5月10日23时起发生地磁暴,最大级别达到超大地磁暴(Kp=9)水平,受超强地磁暴影响,全球多地在5月10日至12日出现绚烂的极光。极光的产生与地球的________有密切关系。地磁暴活动还会对电子设备(如手机、电视等)产生影响,这些电子设备是依靠________来传递信息的。
答案:
地磁场 电磁波
14. 当电阻两端的电压从2 V增加到2.8 V,通过该电阻的电流增加了0.1 A,该电阻的阻值为________Ω。
答案:
8
15. 易错题 甲、乙两灯的额定电压均为6 V,测得两灯的电流与电压关系图像如图所示。甲灯正常工作时的电阻是________Ω;当乙灯的实际功率是2.4 W时,它两端的实际电压是________V;当把甲、乙两灯串联接在7 V的电源上时,电路消耗的总功率是________W。

答案:
20 4 2.1
16. 如图所示,电源电压保持不变,电阻R₂=60 Ω,开关闭合后,电流表A的示数为0.2 A,电压表V的示数为4 V。求:
(1)R₁的阻值;(2)电源电压。

(1)R₁的阻值;(2)电源电压。
答案:
解:
(1)由图知,两电阻串联,电压表测R₁的电压,电流表测电路中的电流,由欧姆定律可得R₁的阻值:$R_{1}=\frac{U_{1}}{I}=\frac{4V}{0.2A}=20\Omega$;
(2)由欧姆定律和串联电路电流的规律可得,R₂的电压:$U_{2}=IR_{2}=0.2A×60\Omega = 12V$,
根据串联电路电压的规律可得,电源电压:$U = U_{1}+U_{2}=4V + 12V = 16V$。
答:
(1)R₁的阻值为20Ω;
(2)电源电压为16V。
(1)由图知,两电阻串联,电压表测R₁的电压,电流表测电路中的电流,由欧姆定律可得R₁的阻值:$R_{1}=\frac{U_{1}}{I}=\frac{4V}{0.2A}=20\Omega$;
(2)由欧姆定律和串联电路电流的规律可得,R₂的电压:$U_{2}=IR_{2}=0.2A×60\Omega = 12V$,
根据串联电路电压的规律可得,电源电压:$U = U_{1}+U_{2}=4V + 12V = 16V$。
答:
(1)R₁的阻值为20Ω;
(2)电源电压为16V。
17. 标有“6 V 2 W”的小灯泡与电阻R串联接入电路中,如图所示,闭合开关S,灯正常发光时,电路消耗的总功率为10 W。求:
(1)电源电压;(2)R消耗的功率;(3)R的电阻值。

(1)电源电压;(2)R消耗的功率;(3)R的电阻值。
答案:
解:
(1)因串联电路中各处的电流相等,且小灯泡正常发光,所以,由P = UI可得,电路中的电流:$I=\frac{P_{L}}{U_{L}}=\frac{2W}{6V}=\frac{1}{3}A$,
电源的电压:$U=\frac{P}{I}=\frac{10W}{\frac{1}{3}A}=30V$;
(2)因串联电路中总电压等于各分电压之和,所以,R两端的电压:$U_{R}=U - U_{L}=30V - 6V = 24V$,R消耗的功率:$P_{R}=U_{R}I=24V×\frac{1}{3}A = 8W$;
(3)由$I=\frac{U}{R}$可得,R的电阻值:$R=\frac{U_{R}}{I}=\frac{24V}{\frac{1}{3}A}=72\Omega$。
答:
(1)电源电压为30V;
(2)R消耗的功率为8W;
(3)R的电阻值为72Ω。
解:
(1)因串联电路中各处的电流相等,且小灯泡正常发光,所以,由P = UI可得,电路中的电流:$I=\frac{P_{L}}{U_{L}}=\frac{2W}{6V}=\frac{1}{3}A$,
电源的电压:$U=\frac{P}{I}=\frac{10W}{\frac{1}{3}A}=30V$;
(2)因串联电路中总电压等于各分电压之和,所以,R两端的电压:$U_{R}=U - U_{L}=30V - 6V = 24V$,R消耗的功率:$P_{R}=U_{R}I=24V×\frac{1}{3}A = 8W$;
(3)由$I=\frac{U}{R}$可得,R的电阻值:$R=\frac{U_{R}}{I}=\frac{24V}{\frac{1}{3}A}=72\Omega$。
答:
(1)电源电压为30V;
(2)R消耗的功率为8W;
(3)R的电阻值为72Ω。
查看更多完整答案,请扫码查看