2024年优等生测评卷九年级物理全一册人教版
注:目前有些书本章节名称可能整理的还不是很完善,但都是按照顺序排列的,请同学们按照顺序仔细查找。练习册 2024年优等生测评卷九年级物理全一册人教版 答案主要是用来给同学们做完题方便对答案用的,请勿直接抄袭。
18. 开启香槟瓶的瞬间伴随“嘭”的一声,瓶中有一股“白雾”冒出,试解释这一现象。
答案:
答:香槟瓶内的气压大于外界的气压,当开启瓶塞时,瓶内气体膨胀对瓶塞做功,导致气体的内能减小,温度降低,使水蒸气液化成小水珠,也就是看到的“白雾”。同时,空气振动产生声音。
19. 印刷厂里,在印刷过程中纸张往往会黏合在一起,难以分开,给印刷带来了麻烦。请你用所学的知识解释产生这种现象的原因。
答案:
答:印刷厂一般是采用静电复印技术,在这个过程中,纸张会带上少量的电荷,由于带电体间的相互作用力(异种电荷相互吸引),从而导致纸张黏合在一起,难以分开。
20. 白炽灯的灯丝断了,搭上后再使用,很容易再次烧断,这是为什么?
答案:
答:灯丝断了再搭上,灯丝长度变短、横截面积变大,电阻变小,接入原电路电压不变,通过灯丝的电流变大,超过灯泡正常的工作电流,所以灯丝容易再烧断。
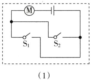
21. (1)智能锁正在逐步走进千家万户,某款智能锁支持密码与指纹两种认证方式开门,密码正确相当于开关S₁闭合,指纹正确相当于开关S₂闭合,开门由电动机完成。请你在图中的虚线框内设计出符合上述要求的智能锁电路。
(2)在图示电路的虚线框中填入电池或电表的符号,组成正确的电路。
(3)(2024·贵州中考) 如图所示是未完成连接的实物电路,请在图中用笔画线代替导线按要求完成电路连接。要求:两灯串联,电压表测量小灯泡L₂两端电压,导线不能交叉。

(2)在图示电路的虚线框中填入电池或电表的符号,组成正确的电路。
(3)(2024·贵州中考) 如图所示是未完成连接的实物电路,请在图中用笔画线代替导线按要求完成电路连接。要求:两灯串联,电压表测量小灯泡L₂两端电压,导线不能交叉。
答案:
22. 小明同学想比较铁和锌两种金属的吸热情况,他设计了如下实验步骤:A. 找到质量相等的铁块和锌块;B. 把铁块和锌块放到沸水里煮足够长的时间;C. 迅速将铁块和锌块夹出,分别放在足够大的两块0 ℃的冰块上,冰熔化形成两个水窝,直到铁块和锌块分别不能再熔化冰;D. 分别测量水窝里熔化出的水的质量。
(1)步骤B到C是为了保证________相等。
(2)针对本实验,步骤D比较熔化出的水的质量,其实是在比较________。
(3)如果测得的结果是铁块使冰熔化出更多的水,则比热容更大的金属是________(选填“铁”或“锌”)。
(1)步骤B到C是为了保证________相等。
(2)针对本实验,步骤D比较熔化出的水的质量,其实是在比较________。
(3)如果测得的结果是铁块使冰熔化出更多的水,则比热容更大的金属是________(选填“铁”或“锌”)。
答案:
(1)铁块和锌块下降的温度 (2)放出的热量 (3)铁
查看更多完整答案,请扫码查看