第79页
- 第2页
- 第3页
- 第4页
- 第5页
- 第6页
- 第7页
- 第8页
- 第9页
- 第10页
- 第11页
- 第12页
- 第13页
- 第14页
- 第15页
- 第16页
- 第17页
- 第18页
- 第19页
- 第20页
- 第21页
- 第22页
- 第23页
- 第24页
- 第25页
- 第26页
- 第27页
- 第28页
- 第29页
- 第30页
- 第31页
- 第32页
- 第33页
- 第34页
- 第35页
- 第36页
- 第37页
- 第38页
- 第39页
- 第40页
- 第41页
- 第42页
- 第43页
- 第44页
- 第45页
- 第46页
- 第47页
- 第48页
- 第49页
- 第50页
- 第51页
- 第52页
- 第53页
- 第54页
- 第55页
- 第56页
- 第57页
- 第58页
- 第59页
- 第60页
- 第61页
- 第62页
- 第63页
- 第64页
- 第65页
- 第66页
- 第67页
- 第68页
- 第69页
- 第70页
- 第71页
- 第72页
- 第73页
- 第74页
- 第75页
- 第76页
- 第77页
- 第78页
- 第79页
- 第80页
- 第81页
- 第82页
- 第83页
- 第84页
- 第85页
- 第86页
5. 奥斯特实验证明了 (
A.磁极之间的相互作用规律
B.地球是一个巨大的磁体
C.电流周围存在着磁场
D.电流周围存在着磁感应线
C
)A.磁极之间的相互作用规律
B.地球是一个巨大的磁体
C.电流周围存在着磁场
D.电流周围存在着磁感应线
答案:
C
6. 如图5所示,在通电螺线管的周围放着能自由转动的小磁针a、b、c、d,这四个小磁针静止时指向正确的是 (

A.a
B.b
C.c
D.d
D
)A.a
B.b
C.c
D.d
答案:
D
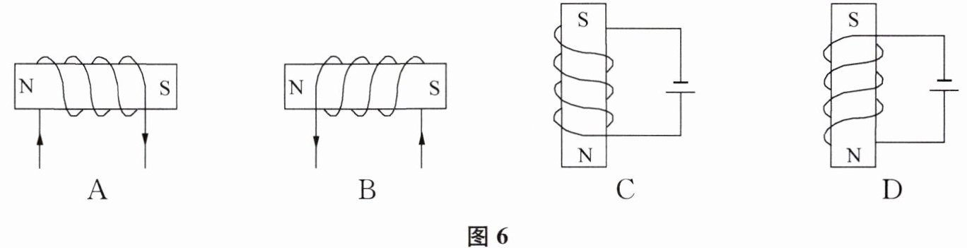
7. 如图6所示是通电螺线管中电流方向和磁极情况的示意图,正确的是 (

C
)
答案:
C
8. 如图7(a)、(b)所示,请在图中分别标出通电螺线管中的电流方向、南北极和小磁针的磁极名称.

答案:
(a) 电流方向从左端流入,右端流出;螺线管左端为S极,右端为N极;小磁针左端为S极,右端为N极。
(b) 电流方向从右上方流入,左下方流出;螺线管左端为S极,右端为N极;小磁针左端为N极,右端为S极。
(b) 电流方向从右上方流入,左下方流出;螺线管左端为S极,右端为N极;小磁针左端为N极,右端为S极。
9. 请根据如图8(a)、(b)所示小磁针静止的指向,分别标出通电螺线管的N、S极、磁感线方向和电源的+、-极.

答案:
图(a):
螺线管:上端为N极,下端为S极。
磁感线方向:外部从N极(上端)出发,向下回到S极(下端)。
电源:左端为“+”极,右端为“-”极。
图(b):
螺线管:右端为N极,左端为S极。
磁感线方向:外部从N极(右端)出发,向左回到S极(左端)。
电源:右端为“+”极,左端为“-”极。
螺线管:上端为N极,下端为S极。
磁感线方向:外部从N极(上端)出发,向下回到S极(下端)。
电源:左端为“+”极,右端为“-”极。
图(b):
螺线管:右端为N极,左端为S极。
磁感线方向:外部从N极(右端)出发,向左回到S极(左端)。
电源:右端为“+”极,左端为“-”极。
查看更多完整答案,请扫码查看