第59页
- 第2页
- 第3页
- 第4页
- 第5页
- 第6页
- 第7页
- 第8页
- 第9页
- 第10页
- 第11页
- 第12页
- 第13页
- 第14页
- 第15页
- 第16页
- 第17页
- 第18页
- 第19页
- 第20页
- 第21页
- 第22页
- 第23页
- 第24页
- 第25页
- 第26页
- 第27页
- 第28页
- 第29页
- 第30页
- 第31页
- 第32页
- 第33页
- 第34页
- 第35页
- 第36页
- 第37页
- 第38页
- 第39页
- 第40页
- 第41页
- 第42页
- 第43页
- 第44页
- 第45页
- 第46页
- 第47页
- 第48页
- 第49页
- 第50页
- 第51页
- 第52页
- 第53页
- 第54页
- 第55页
- 第56页
- 第57页
- 第58页
- 第59页
- 第60页
- 第61页
- 第62页
- 第63页
- 第64页
- 第65页
- 第66页
- 第67页
- 第68页
- 第69页
- 第70页
- 第71页
- 第72页
- 第73页
- 第74页
- 第75页
- 第76页
- 第77页
- 第78页
- 第79页
- 第80页
- 第81页
- 第82页
- 第83页
- 第84页
- 第85页
- 第86页
5. 在图4所示的电路中,电源电压保持不变.闭合开关且滑动变阻器滑片P向右移动的过程中,能保持不变的是 (

A.电压表V与电流表$A_1$示数的比值
B.电压表V与电流表$A_2$示数的比值
C.电流表$A_1$与电流表$A_2$示数的差值
D.电流表$A_1$与电流表$A_2$示数的比值
C
)A.电压表V与电流表$A_1$示数的比值
B.电压表V与电流表$A_2$示数的比值
C.电流表$A_1$与电流表$A_2$示数的差值
D.电流表$A_1$与电流表$A_2$示数的比值
答案:
C
6. 在图5所示电路中,滑动变阻器$R_2$的滑片P位于中点附近,闭合开关,电流表A与$A_1$的示数差为ΔI.若用电阻$R_3$替换$R_1(R_3>R_1)$后,无法使A与$A_1$的示数差ΔI保持与替换前相同的方法是 (

A.电源电压不变,不移动滑片P
B.电源电压不变,向左移动滑片P
C.减小电源电压,向右移动滑片P
D.增大电源电压,向左移动滑片P
B
)A.电源电压不变,不移动滑片P
B.电源电压不变,向左移动滑片P
C.减小电源电压,向右移动滑片P
D.增大电源电压,向左移动滑片P
答案:
B
1. 在图6所示的电路中,电源电压为U₀保持不变,电阻$R_1、$$R_2$的阻值均为R₀.开关S由断开到闭合时,电压表V与电流表$A_1、$$A_2$示数的比值均不变.若电路只存在一处故障,且发生在电阻$R_1、$$R_2$处.

(1) 电路中存在的故障是
(2) 请写出开关S闭合后三个电表的示数.
(1) 电路中存在的故障是
$R_{1}$断路
.(2) 请写出开关S闭合后三个电表的示数.
电压表的示数为$U_{0}$,电流表$A_{1}$和$A_{2}$的示数均为$U_{0}/R_{0}$.
答案:
(1)$R_{1}$断路.
(2)电压表的示数为$U_{0}$,电流表$A_{1}$和$A_{2}$的示数均为$U_{0}/R_{0}$.
(1)$R_{1}$断路.
(2)电压表的示数为$U_{0}$,电流表$A_{1}$和$A_{2}$的示数均为$U_{0}/R_{0}$.
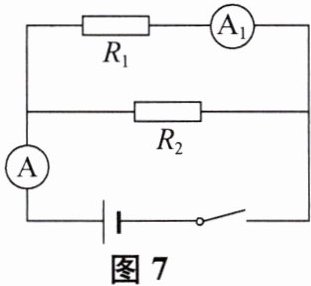
2. 在图7所示的电路中,电源电压保持不变,电阻$R_1= 10Ω,R_2= 20Ω.$闭合开关,电流表$A_1$的示数为0.6A.
(1) 求电源电压U及电流表A的示数I.

(2) 现用电阻R₀替换电阻$R_1、$$R_2$中的一个,替换前、后仅有一个电流表的示数发生了变化,且变化量为0.2A,求R₀的阻值.
(1) 求电源电压U及电流表A的示数I.
(2) 现用电阻R₀替换电阻$R_1、$$R_2$中的一个,替换前、后仅有一个电流表的示数发生了变化,且变化量为0.2A,求R₀的阻值.
答案:
(1)6 V,0.9 A.
(2)12 Ω或60 Ω.
(1)6 V,0.9 A.
(2)12 Ω或60 Ω.
查看更多完整答案,请扫码查看