2025年课时训练九年级物理下册沪粤版
注:目前有些书本章节名称可能整理的还不是很完善,但都是按照顺序排列的,请同学们按照顺序仔细查找。练习册 2025年课时训练九年级物理下册沪粤版 答案主要是用来给同学们做完题方便对答案用的,请勿直接抄袭。
9 如图所示,R₀是一个光敏电阻,光敏电阻的阻值随光照强度的增大而减小,R是电阻箱(已调至合适阻值),它们和继电器组成自动控制电路来控制路灯. 白天灯熄,夜晚灯亮. 下列说法正确的是( ).

A. 白天流过R₀的电流较小
B. 给路灯供电的电源应接在“b、c”两端
C. 如果将R的阻值调大一些,傍晚时路灯比原来迟一些亮
D. 电源电压减小后,傍晚时路灯比原来早一些亮
A. 白天流过R₀的电流较小
B. 给路灯供电的电源应接在“b、c”两端
C. 如果将R的阻值调大一些,傍晚时路灯比原来迟一些亮
D. 电源电压减小后,傍晚时路灯比原来早一些亮
答案:
D [解析]因为光敏电阻的阻值随光照强度的增加而减小,由I = $\frac{U}{R}$可知,白天流过R0的电流比夜晚大,故A错误;光敏电阻的阻值随光照强度的增大而减小,所以白天时光敏电阻的阻值小,电路中的电流大,电磁铁向下吸引衔铁,静触点与c接通;晚上时的光线暗,光敏电阻的阻值大,电路中的电流小,衔铁在弹簧作用下恢复原位,所以静触点与a接通. 所以要达到晚上灯亮,白天灯灭,则给路灯供电的电源应接在ab之间,故B错误;如果将电阻箱R的阻值调大,由于吸合电流不变,由I = $\frac{U}{R}$可知,电路总电阻不变,则光敏电阻阻值变小光照强度增强,路灯比原来早一些亮,故C错误;控制电路中的电压变小,而电路中的吸合电流不变,由I = $\frac{U}{R}$可知,电路总电阻变小,光敏电阻的阻值变小,光照强度增强,路灯比原来早一些亮,故D正确.
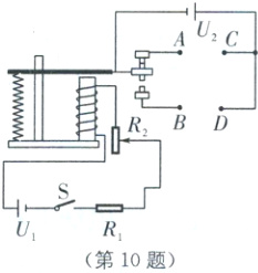
10 如图所示是汽车尾气中CO排放量的检测电路. 当CO浓度高于某一设定值时,电铃发声报警. 图中气敏电阻R₁阻值随CO浓度的增大而减小. 下列说法正确的是( ).

A. 电铃应接在A和C之间
B. 当CO浓度升高,电磁铁磁性减弱
C. 适当提高电源电压U₁,则该检测电路CO报警浓度低于设定值
D. 若不小心将R₂的滑片向下移动少许,则该检测电路CO报警浓度低于设定值
A. 电铃应接在A和C之间
B. 当CO浓度升高,电磁铁磁性减弱
C. 适当提高电源电压U₁,则该检测电路CO报警浓度低于设定值
D. 若不小心将R₂的滑片向下移动少许,则该检测电路CO报警浓度低于设定值
答案:
C [解析]题图中气敏电阻R1阻值随CO浓度的增大而减小,由欧姆定律可知,当CO浓度升高,R1阻值减小,控制电路的电流增大,电磁铁磁性增强,衔铁被吸下,因CO浓度高于某一设定值时,电铃发声报警,故电铃应接在BD之间,故A、B错误;提高电源电压,由欧姆定律可知,只有当R1阻值变大时,控制电路才能达到衔铁被吸下的最小电流,即报警时CO最小浓度比设定值低,故C正确;不小心将R2的滑片向下移动少许,滑动变阻器接入电路的电阻变大,由于控制电路衔铁被吸下的最小电流不变,由欧姆定律可知,此时分析气敏电阻R1阻值变小,CO浓度变大,检测电路CO报警浓度高于设定值,故D 错误.
11 如图所示是某宾馆走廊廊灯的自动控制电路,走廊入口上方安装有反射式光电传感器,当人靠近到一定距离时,从光电传感器上发射的红外线经人体反射后被接收器接收,接收器中的光敏电阻R₀阻值减小,定值电阻R两端的电压________,同时电磁铁磁性________,工作电路接通,灯泡发光,图中电磁铁的上端是________极.

答案:
增大 增强 S [解析]该自动控制电路的光敏电阻R0与定值电阻R串联,当人靠近到一定距离时,从光电传感器上发射的红外线经人体反射后被接收器接收,接收器中的光敏电阻R0阻值减小,由串联分压特点可知,R0分得的电压减小,定值电阻R两端电压增大,电路电流变大,电磁铁磁性增强,衔铁被吸下,灯泡所在电路接通,灯泡发光;电源左端是正极,因此电磁铁的下端是电流流进端,根据右手螺旋定则,可以判断电磁铁下端为N极,上端是S极.
12 如图所示是一种安全门锁的工作原理示意图. 保安室里的工作人员通过开关即可控制安全门锁的开、闭. 请你根据示意图,分析安全门锁的工作原理.

答案:
闭合开关后,电磁铁中有电流通过产生磁性,电磁铁吸引铁质插销使门锁打开,并且弹簧被拉长.断开开关后,电磁铁中无电流通过失去磁性,插销在弹簧的弹力作用下插入插槽,门锁关闭.
13 电磁铁的磁性强弱与它的匝数和通过它的电流有关. 为了证明“电磁铁的磁性强弱与匝数有关”,小美用两个匝数不同的电磁铁(电阻不同)设计了两种连接方式.
A. 将两个电磁铁直接串联在电路中
B. 将两个电磁铁直接并联在电路中
(1)以上二种设计中,你认为正确的是( ).
(2)简述你的理由:__________________________.
A. 将两个电磁铁直接串联在电路中
B. 将两个电磁铁直接并联在电路中
(1)以上二种设计中,你认为正确的是( ).
(2)简述你的理由:__________________________.
答案:
(1)A
(2)串联两个电磁铁,控制了通过它们的电流相同 [解析]电磁铁的磁性强弱和电流大小及线圈匝数有关,因而在探究“电磁铁的磁性强弱与匝数有关”中要采用控制变量法,控制电流相等.串联的两个电磁铁中的电流相同,匝数不同,这种方法可行;两电磁铁并联,通过它们的电流大小不同,线圈匝数也不同,此方法不行.
(1)A
(2)串联两个电磁铁,控制了通过它们的电流相同 [解析]电磁铁的磁性强弱和电流大小及线圈匝数有关,因而在探究“电磁铁的磁性强弱与匝数有关”中要采用控制变量法,控制电流相等.串联的两个电磁铁中的电流相同,匝数不同,这种方法可行;两电磁铁并联,通过它们的电流大小不同,线圈匝数也不同,此方法不行.
14 小文设计了如图甲所示的实验来研究电磁现象,当他闭合开关S后,发现小磁针发生了偏转. 这说明电流的周围存在着________. 这一现象最早是由________(填“法拉第”“奥斯特”或“安培”)发现的;接着小文又找来了一颗小铁钉,把导线的一部分绕在上面,制成了一个电磁铁连在电路乙中. 当再次闭合开关S后,小磁针静止时N极的指向如图乙所示,据此他判断出________(填“a”或“b”)端是电源的正极.

答案:
磁场 奥斯特 b [解析]闭合开关S后,发现小磁针发生了偏转.这说明电流的周围存在着磁场,这个现象是奥斯特首先发现的.由题图乙可知,根据磁极间相互作用的规律可以判断电磁铁的左端是S极,右端是N极,再利用右手螺旋定则,可以判断电流是从b经过电磁铁和滑动变阻器流向a的,因此电源的b端是正极.
查看更多完整答案,请扫码查看