第33页
- 第1页
- 第2页
- 第3页
- 第4页
- 第5页
- 第6页
- 第7页
- 第8页
- 第9页
- 第10页
- 第11页
- 第12页
- 第13页
- 第14页
- 第15页
- 第16页
- 第17页
- 第18页
- 第19页
- 第20页
- 第21页
- 第22页
- 第23页
- 第24页
- 第25页
- 第26页
- 第27页
- 第28页
- 第29页
- 第30页
- 第31页
- 第32页
- 第33页
- 第34页
- 第35页
- 第36页
- 第37页
- 第38页
- 第39页
- 第40页
- 第41页
- 第42页
- 第43页
- 第44页
- 第45页
- 第46页
- 第47页
- 第48页
- 第49页
- 第50页
- 第51页
- 第52页
- 第53页
- 第54页
- 第55页
- 第56页
- 第57页
- 第58页
- 第59页
- 第60页
- 第61页
- 第62页
- 第63页
- 第64页
- 第65页
- 第66页
- 第67页
- 第68页
- 第69页
- 第70页
- 第71页
- 第72页
- 第73页
- 第74页
- 第75页
- 第76页
- 第77页
- 第78页
- 第79页
- 第80页
- 第81页
- 第82页
- 第83页
- 第84页
- 第85页
- 第86页
- 第87页
- 第88页
- 第89页
- 第90页
- 第91页
- 第92页
- 第93页
- 第94页
- 第95页
|选项|分析|结论|
|----|----|----|
|A|电流表接在干路上,测 L₁ 和 L₂ 电流之和|×|
|B|电流表与 L₁ 串联,电流从“+”接线柱入,“—”接线柱出|√|
|C|电流表与 L₂ 串联,测 L₂ 中的电流|×|
|D|电流表与 L₁、L₂ 并联,即电流表直接接到电源两端,造成短路,易烧坏电流表|×|

|----|----|----|
|A|电流表接在干路上,测 L₁ 和 L₂ 电流之和|×|
|B|电流表与 L₁ 串联,电流从“+”接线柱入,“—”接线柱出|√|
|C|电流表与 L₂ 串联,测 L₂ 中的电流|×|
|D|电流表与 L₁、L₂ 并联,即电流表直接接到电源两端,造成短路,易烧坏电流表|×|
答案:
本题可根据电流表的使用规则,对各选项逐一进行分析。
电流表的使用规则为:与被测用电器串联;电流从正接线柱流入,从负接线柱流出;不要超过电流表的量程;绝对不允许不经过用电器而把电流表直接连到电源的两极上。
选项A:电流表接在干路上,测的是$L_1$和$L_2$的电流之和,不符合题目要求(题目未明确说明是测干路电流,通常此类题目是要求测某一灯泡电流),所以该选项错误。
选项B:电流表与$L_1$串联,且电流从“+”接线柱入,“-”接线柱出,符合电流表的使用规则,该选项正确。
选项C:电流表与$L_2$串联,测的是$L_2$中的电流,不符合要求(若题目未特别说明,一般不是测$L_2$电流),所以该选项错误。
选项D:电流表与$L_1$、$L_2$并联,即电流表直接接到电源两端,会造成短路,易烧坏电流表,不符合电流表的使用规则,所以该选项错误。
综上,答案是B。
电流表的使用规则为:与被测用电器串联;电流从正接线柱流入,从负接线柱流出;不要超过电流表的量程;绝对不允许不经过用电器而把电流表直接连到电源的两极上。
选项A:电流表接在干路上,测的是$L_1$和$L_2$的电流之和,不符合题目要求(题目未明确说明是测干路电流,通常此类题目是要求测某一灯泡电流),所以该选项错误。
选项B:电流表与$L_1$串联,且电流从“+”接线柱入,“-”接线柱出,符合电流表的使用规则,该选项正确。
选项C:电流表与$L_2$串联,测的是$L_2$中的电流,不符合要求(若题目未特别说明,一般不是测$L_2$电流),所以该选项错误。
选项D:电流表与$L_1$、$L_2$并联,即电流表直接接到电源两端,会造成短路,易烧坏电流表,不符合电流表的使用规则,所以该选项错误。
综上,答案是B。
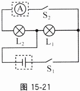
例 2 如图 15 - 20 所示,请在两个虚线框内选填“电源”和“电流表”的符号,使开关都闭合时两灯均能工作。
解析 要使两灯都能发光,根据电流的流向判断两灯都有电流通过的连接状态,注意电流表串联使用相当于导线。
若上面是电流表,下面也是电流表,没有电源;若上面是电源,下面是电流表,开关 S₁ 闭合后,灯泡 L₁ 短路;若上面是电流表,下面是电源,两个开关都闭合时,两灯泡并联,电流表测通过 L₂ 的电流,两灯泡都发光,如图 15 - 21 所示:


解析 要使两灯都能发光,根据电流的流向判断两灯都有电流通过的连接状态,注意电流表串联使用相当于导线。
若上面是电流表,下面也是电流表,没有电源;若上面是电源,下面是电流表,开关 S₁ 闭合后,灯泡 L₁ 短路;若上面是电流表,下面是电源,两个开关都闭合时,两灯泡并联,电流表测通过 L₂ 的电流,两灯泡都发光,如图 15 - 21 所示:
答案:
上面虚线框填电流表,下面虚线框填电源。
解析:两虚线框需分别为电源和电流表。若上面为电源、下面为电流表,闭合开关后电流会短路灯泡L₁,两灯无法工作;若上面为电流表(相当于导线)、下面为电源,闭合S₁、S₂后,电流从电源正极出发,分为两支:一支经L₁、一支经L₂和电流表,汇合后经S₂回电源负极,两灯并联均有电流通过,均能工作。
结论:上面框为电流表,下面框为电源。
解析:两虚线框需分别为电源和电流表。若上面为电源、下面为电流表,闭合开关后电流会短路灯泡L₁,两灯无法工作;若上面为电流表(相当于导线)、下面为电源,闭合S₁、S₂后,电流从电源正极出发,分为两支:一支经L₁、一支经L₂和电流表,汇合后经S₂回电源负极,两灯并联均有电流通过,均能工作。
结论:上面框为电流表,下面框为电源。
查看更多完整答案,请扫码查看