第84页
- 第1页
- 第2页
- 第3页
- 第4页
- 第5页
- 第6页
- 第7页
- 第8页
- 第9页
- 第10页
- 第11页
- 第12页
- 第13页
- 第14页
- 第15页
- 第16页
- 第17页
- 第18页
- 第19页
- 第20页
- 第21页
- 第22页
- 第23页
- 第24页
- 第25页
- 第26页
- 第27页
- 第28页
- 第29页
- 第30页
- 第31页
- 第32页
- 第33页
- 第34页
- 第35页
- 第36页
- 第37页
- 第38页
- 第39页
- 第40页
- 第41页
- 第42页
- 第43页
- 第44页
- 第45页
- 第46页
- 第47页
- 第48页
- 第49页
- 第50页
- 第51页
- 第52页
- 第53页
- 第54页
- 第55页
- 第56页
- 第57页
- 第58页
- 第59页
- 第60页
- 第61页
- 第62页
- 第63页
- 第64页
- 第65页
- 第66页
- 第67页
- 第68页
- 第69页
- 第70页
- 第71页
- 第72页
- 第73页
- 第74页
- 第75页
- 第76页
- 第77页
- 第78页
- 第79页
- 第80页
- 第81页
- 第82页
- 第83页
- 第84页
- 第85页
- 第86页
- 第87页
- 第88页
- 第89页
- 第90页
- 第91页
- 第92页
- 第93页
- 第94页
- 第95页
4. **家庭电路的基本组成**
家庭电路的基本组成依次为:
家庭电路的基本组成依次为:
进户线
、电能表
、总开关(含保险装置)、插座、用电器、导线等。
答案:
进户线 电能表
- **例1**:小明同学根据家庭电路画了如图19-2所示的电路图,其中包括电灯L、开关S、插座1和插座2,图中元件的画法错误的是()。

A.电灯L
B.开关S
C.插座1
D.插座2
**解析**:插座应当并联在电路中,对于两孔插座应当左孔接零线右孔接火线,故插座1错误,选C。
**评注**:家庭电路的连接:各种用电器都是并联接入电路的,控制各用电器工作的开关与用电器是串联的。两孔插座连接“左零右火”,三孔插座连接“左零右火上接地”。
A.电灯L
B.开关S
C.插座1
D.插座2
**解析**:插座应当并联在电路中,对于两孔插座应当左孔接零线右孔接火线,故插座1错误,选C。
**评注**:家庭电路的连接:各种用电器都是并联接入电路的,控制各用电器工作的开关与用电器是串联的。两孔插座连接“左零右火”,三孔插座连接“左零右火上接地”。
答案:
C
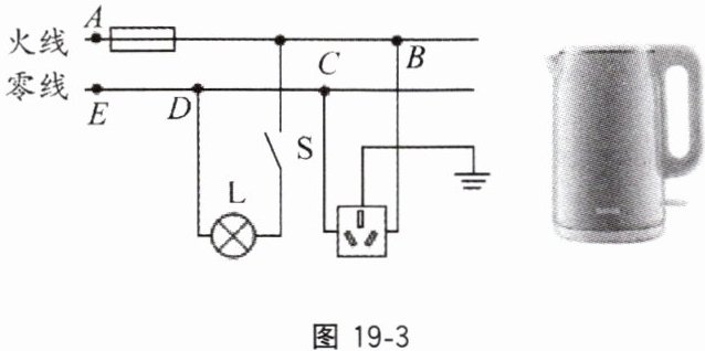
- **例2**:如图19-3所示,小李早上想用电热水壶烧开水,将插头插入插座,并闭合开关,发现电热水壶不工作,厨房的灯泡也不能工作。保持灯泡开关闭合,拔出插头,用试电笔分别接触插座的左右两孔,发现接左、右孔时氖管均发光。若电路中只有一处故障,则故障可能是()。

A.CD间电路断路
B.ED间电路断路
C.插座短路
D.保险丝烧断
**解析**:将电热水壶的插头插入插座,闭合开关,发现电热水壶不工作,厨房的灯泡也不能工作,说明整个电路存在故障。若CD间电路断路,而灯泡所在的电路是通路,则灯泡发光,故A选项不符合题意。若ED间电路断路,电热水壶不工作、灯泡不能发光,用试电笔分别接触插座的左右两孔,发现接左、右孔时氖管均发光,故B选项符合题意。若插座短路,则整个电路短路,保险丝会熔断,用试电笔分别接触插座的左、右两孔,氖管不会发光,故C选项不符合题意。若保险丝熔断,用试电笔分别接触插座的左、右两孔,氖管不会发光,故D选项不符合题意。
A.CD间电路断路
B.ED间电路断路
C.插座短路
D.保险丝烧断
**解析**:将电热水壶的插头插入插座,闭合开关,发现电热水壶不工作,厨房的灯泡也不能工作,说明整个电路存在故障。若CD间电路断路,而灯泡所在的电路是通路,则灯泡发光,故A选项不符合题意。若ED间电路断路,电热水壶不工作、灯泡不能发光,用试电笔分别接触插座的左右两孔,发现接左、右孔时氖管均发光,故B选项符合题意。若插座短路,则整个电路短路,保险丝会熔断,用试电笔分别接触插座的左、右两孔,氖管不会发光,故C选项不符合题意。若保险丝熔断,用试电笔分别接触插座的左、右两孔,氖管不会发光,故D选项不符合题意。
答案:
B
查看更多完整答案,请扫码查看