第77页
- 第1页
- 第2页
- 第3页
- 第4页
- 第5页
- 第6页
- 第7页
- 第8页
- 第9页
- 第10页
- 第11页
- 第12页
- 第13页
- 第14页
- 第15页
- 第16页
- 第17页
- 第18页
- 第19页
- 第20页
- 第21页
- 第22页
- 第23页
- 第24页
- 第25页
- 第26页
- 第27页
- 第28页
- 第29页
- 第30页
- 第31页
- 第32页
- 第33页
- 第34页
- 第35页
- 第36页
- 第37页
- 第38页
- 第39页
- 第40页
- 第41页
- 第42页
- 第43页
- 第44页
- 第45页
- 第46页
- 第47页
- 第48页
- 第49页
- 第50页
- 第51页
- 第52页
- 第53页
- 第54页
- 第55页
- 第56页
- 第57页
- 第58页
- 第59页
- 第60页
- 第61页
- 第62页
- 第63页
- 第64页
- 第65页
- 第66页
- 第67页
- 第68页
- 第69页
- 第70页
- 第71页
- 第72页
- 第73页
- 第74页
- 第75页
- 第76页
- 第77页
- 第78页
- 第79页
- 第80页
- 第81页
- 第82页
- 第83页
- 第84页
- 第85页
- 第86页
- 第87页
- 第88页
- 第89页
- 第90页
- 第91页
- 第92页
- 第93页
- 第94页
- 第95页
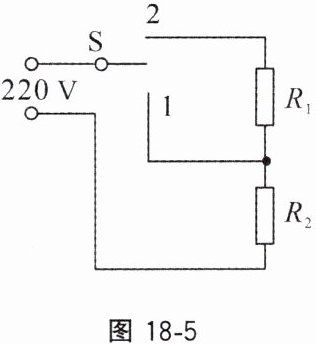
例 2 某家用电热毯有“高”和“低”两个挡位,其简化电路如图 18 - 5 所示,$R_{1}$、$R_{2}$是电热丝,$R_{1}=880\Omega$,$R_{2}=220\Omega$。开关 S 接“1”时,电热毯为挡位,开关 S 接“2”时,通电 1 min 电热毯产生的热量为J。
解析 (1)当 S 接“1”时,电路为仅接入$R_{2}$的简单电路;当 S 接“2”时,$R_{1}$、$R_{2}$串联;因为串联电路中的总电阻大于各串联导体的电阻,所以由$P = UI=\frac{U^{2}}{R}$可知,电路为$R_{2}$的简单电路时,电路中的电阻最小,电功率最大,电热毯为高挡位;$R_{1}$、$R_{2}$串联时,电路中的电阻最大,电功率最小,电热毯为低挡位,即开关 S 接“1”时,电热毯为高挡位。
(2)开关 S 接“2”时,两电阻串联,由串联电路的电阻特点和$Q = I^{2}Rt=\frac{U^{2}}{R}t$可知,通电 1 min 电热毯产生的热量:$Q=\frac{U^{2}}{R}t=\frac{(220V)^{2}}{880\Omega + 220\Omega}×1×60s = 2640J$。

解析 (1)当 S 接“1”时,电路为仅接入$R_{2}$的简单电路;当 S 接“2”时,$R_{1}$、$R_{2}$串联;因为串联电路中的总电阻大于各串联导体的电阻,所以由$P = UI=\frac{U^{2}}{R}$可知,电路为$R_{2}$的简单电路时,电路中的电阻最小,电功率最大,电热毯为高挡位;$R_{1}$、$R_{2}$串联时,电路中的电阻最大,电功率最小,电热毯为低挡位,即开关 S 接“1”时,电热毯为高挡位。
(2)开关 S 接“2”时,两电阻串联,由串联电路的电阻特点和$Q = I^{2}Rt=\frac{U^{2}}{R}t$可知,通电 1 min 电热毯产生的热量:$Q=\frac{U^{2}}{R}t=\frac{(220V)^{2}}{880\Omega + 220\Omega}×1×60s = 2640J$。
答案:
高;2640
1. 小明利用如图 18 - 6 所示的装置探究电流产生的热量多少与哪些因素有关。他在两个相同的烧瓶中装满煤油,瓶中各放置一根电阻丝,且$R_{甲}>R_{乙}$,通电一段时间后,甲瓶玻璃管中的煤油上升得比乙高。这现象能说明电流产生的热量多少与下列哪个因素有关?(

A.电流
B.电阻
C.电功率
D.通电时间
B
)A.电流
B.电阻
C.电功率
D.通电时间
答案:
1.B
查看更多完整答案,请扫码查看