第53页
- 第1页
- 第2页
- 第3页
- 第4页
- 第5页
- 第6页
- 第7页
- 第8页
- 第9页
- 第10页
- 第11页
- 第12页
- 第13页
- 第14页
- 第15页
- 第16页
- 第17页
- 第18页
- 第19页
- 第20页
- 第21页
- 第22页
- 第23页
- 第24页
- 第25页
- 第26页
- 第27页
- 第28页
- 第29页
- 第30页
- 第31页
- 第32页
- 第33页
- 第34页
- 第35页
- 第36页
- 第37页
- 第38页
- 第39页
- 第40页
- 第41页
- 第42页
- 第43页
- 第44页
- 第45页
- 第46页
- 第47页
- 第48页
- 第49页
- 第50页
- 第51页
- 第52页
- 第53页
- 第54页
- 第55页
- 第56页
- 第57页
- 第58页
- 第59页
- 第60页
- 第61页
- 第62页
- 第63页
- 第64页
- 第65页
- 第66页
- 第67页
- 第68页
- 第69页
- 第70页
- 第71页
- 第72页
- 第73页
- 第74页
- 第75页
- 第76页
- 第77页
- 第78页
- 第79页
- 第80页
- 第81页
- 第82页
- 第83页
- 第84页
- 第85页
- 第86页
- 第87页
- 第88页
- 第89页
- 第90页
- 第91页
- 第92页
- 第93页
- 第94页
- 第95页
1. 探究方法:控制变量法。
答案:
控制变量法是探究电流与电压、电阻关系实验中采用的主要方法,通过分别控制电阻和电压不变,研究电流与另一个量的关系。
2. 实验器材:电源、开关、滑动变阻器、几个阻值不同的
定值电阻
、电流表、电压表、导线若干。
答案:
定值电阻
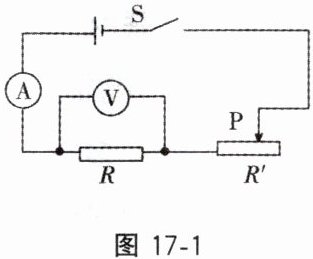
3. 实验电路(图17-1)

答案:
由于您提供的题目信息不完整(仅提及“实验电路(图17-1)”及插图,未给出具体问题),无法进行针对性解答。请补充完整题目内容(如具体问题、选项等),以便我按照要求规范作答。
4. 实验过程
(1)保持
①按照电路图连接电路。
②闭合开关S,调节滑动变阻器,使电阻R两端的电压成整数倍变化,如2V、4V、6V等,将对应的电流值和电压值记录在表格中。
③分析数据,得出结论。
(2)保持
①按照电路图连接电路。
②换用不同阻值的定值电阻R接入电路中,使电阻成整数倍变化,如5Ω、10Ω、15Ω等,闭合开关S,调节滑动变阻器,控制电压表示数即电阻两端电压不变,将对应的电流值和电阻值记录在表格中。
③分析数据,得出结论。
(1)保持
电阻
不变,探究电阻上的电流跟两端电压的关系。①按照电路图连接电路。
②闭合开关S,调节滑动变阻器,使电阻R两端的电压成整数倍变化,如2V、4V、6V等,将对应的电流值和电压值记录在表格中。
③分析数据,得出结论。
(2)保持
电压
不变,探究电阻上的电流跟导体电阻的关系。①按照电路图连接电路。
②换用不同阻值的定值电阻R接入电路中,使电阻成整数倍变化,如5Ω、10Ω、15Ω等,闭合开关S,调节滑动变阻器,控制电压表示数即电阻两端电压不变,将对应的电流值和电阻值记录在表格中。
③分析数据,得出结论。
答案:
(1)电阻 (2)电压
查看更多完整答案,请扫码查看