第54页
- 第1页
- 第2页
- 第3页
- 第4页
- 第5页
- 第6页
- 第7页
- 第8页
- 第9页
- 第10页
- 第11页
- 第12页
- 第13页
- 第14页
- 第15页
- 第16页
- 第17页
- 第18页
- 第19页
- 第20页
- 第21页
- 第22页
- 第23页
- 第24页
- 第25页
- 第26页
- 第27页
- 第28页
- 第29页
- 第30页
- 第31页
- 第32页
- 第33页
- 第34页
- 第35页
- 第36页
- 第37页
- 第38页
- 第39页
- 第40页
- 第41页
- 第42页
- 第43页
- 第44页
- 第45页
- 第46页
- 第47页
- 第48页
- 第49页
- 第50页
- 第51页
- 第52页
- 第53页
- 第54页
- 第55页
- 第56页
- 第57页
- 第58页
- 第59页
- 第60页
- 第61页
- 第62页
- 第63页
- 第64页
- 第65页
- 第66页
- 第67页
- 第68页
- 第69页
- 第70页
- 第71页
- 第72页
- 第73页
- 第74页
- 第75页
- 第76页
- 第77页
- 第78页
1. 我国规定的家庭电路电压、安全电压和一节干电池电压的值分别是( )
A.220 V,不高于 38 V,1.5 V
B.38 V,不高于 36 V,2 V
C.110 V,不高于 24 V,15 V
D.220 V,不高于 36 V,1.5 V
A.220 V,不高于 38 V,1.5 V
B.38 V,不高于 36 V,2 V
C.110 V,不高于 24 V,15 V
D.220 V,不高于 36 V,1.5 V
答案:
D
2. 如图所示,人站在干燥的木凳上,左手接触零线,右手接触火线,则( )

A.人不会触电,因为没有电流通过人体
B.人会触电,因为有较大的电流通过人的左右手和心脏
C.人不会触电,因为人站在干燥的木凳上,流过人体的电流很小
D.人会触电,因为有电流经过人的右手、双脚流入大地
A.人不会触电,因为没有电流通过人体
B.人会触电,因为有较大的电流通过人的左右手和心脏
C.人不会触电,因为人站在干燥的木凳上,流过人体的电流很小
D.人会触电,因为有电流经过人的右手、双脚流入大地
答案:
B
3. 下列关于家庭电路及安全用电的说法正确的是( )
A.只要人体接触火线都会发生触发事故
B.低于 36 V 的电压对人体一定是安全的
C.测电笔可用于检测物体带正电还是带负电
D.使用三脚插头是为防止触电而采取的安全措施
A.只要人体接触火线都会发生触发事故
B.低于 36 V 的电压对人体一定是安全的
C.测电笔可用于检测物体带正电还是带负电
D.使用三脚插头是为防止触电而采取的安全措施
答案:
D
4. 有关测电笔的使用,下列说法正确的是( )

A.氖管发光时测电笔接触的是零线
B.使用时手可以接触测电笔的任何部位
C.测电笔不能用来辨别电池的正负极
D.测电笔与手接触的部分都是绝缘体
A.氖管发光时测电笔接触的是零线
B.使用时手可以接触测电笔的任何部位
C.测电笔不能用来辨别电池的正负极
D.测电笔与手接触的部分都是绝缘体
答案:
C
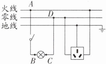
5. 如图家庭电路连接正确,各元件均正常,现将洗衣机接入三孔插座,有关说法不正确的是( )

A.若接地线断了,则人碰到洗衣机金属外壳可能会触电
B.闭合开关时人接触 B 点或 C 点都可能引起触电
C.电灯与洗衣机是并联的,开关与电灯是串联的
D.把开关接在 AB 之间比接在 CD 之间更安全
A.若接地线断了,则人碰到洗衣机金属外壳可能会触电
B.闭合开关时人接触 B 点或 C 点都可能引起触电
C.电灯与洗衣机是并联的,开关与电灯是串联的
D.把开关接在 AB 之间比接在 CD 之间更安全
答案:
B
6. 下列做法中,符合安全用电原则的是( )
A.用电器的金属外壳接地
B.控制电灯的开关接在零线上
C.绝缘皮破损的插头继续使用
D.用湿手触摸开关
A.用电器的金属外壳接地
B.控制电灯的开关接在零线上
C.绝缘皮破损的插头继续使用
D.用湿手触摸开关
答案:
A
查看更多完整答案,请扫码查看