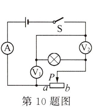
10. (2025·江苏南京月考·2分)如图所示的电路中,电源电压不变,不考虑灯丝电阻随温度的变化.当开关S闭合,滑片P置于变阻器的b端时,电压表$V_{1}$示数为12V,电流表示数为0.4A;当滑片P移至变阻器的中点时,电压表$V_{2}示数恰等于V_{1}$示数的一半,则变阻器最大阻值为____Ω;滑片由变阻器的b端移至中点过程中,通过灯泡的电流变化了____A.

答案:
20 0.2 解析:当开关 S 闭合,滑片 P 置于滑动变阻器的 b 端时,灯泡与滑动变阻器的最大阻值串联,电压表$V_{1}$测电源电压,电压表$V_{2}$测灯泡两端的电压,电流表测电路中电流,$V_{1}$示数为 12 V,则电源电压$U=12V$,电路中的电流$I=0.4A$,由欧姆定律可得,电路的总电阻$R_{总}=R_{L}+R=\frac {U}{I}=\frac {12V}{0.4A}=30Ω$ ①;当滑片 P 移至滑动变阻器的中点时,灯泡与滑动变阻器最大阻值的一半串联,电压表$V_{2}$的示数恰等于$V_{1}$示数的一半,即灯泡两端的电压$U_{L}=\frac {1}{2}U=\frac {1}{2}×12V=6V$,此时滑动变阻器两端的电压$U_{R}=U-U_{L}=12V-6V=6V$,由串联分压可知,此时滑动变阻器和灯泡的电阻大小相等,即$R_{L}=\frac {1}{2}R$ ②. 联立①②,解得$R_{L}=10Ω$,$R=20Ω$. 滑片由变阻器的 b 端移至中点时通过灯泡的电流$I'=\frac {U_{L}}{R_{L}}=\frac {6V}{10Ω}=0.6A$,则其电流变化了$\Delta I=I'-I=0.6A-0.4A=0.2A$.
11. (2分)如图所示的电路中,电源电压$U = 24V$保持不变.只闭合开关$S_{1}和S_{3}$,电流表A的示数为$I_{1}$;只闭合开关$S_{1}和S_{2}$,电流表A的示数为$I_{2}$,$I_{1}:I_{2}= 1:2$,则$R_{1}与R_{2}$的阻值之比为____;将滑动变阻器的滑片P置于某位置a,其接入电路的电阻值为$R_{a}= 12Ω$,闭合开关$S_{1}$,断开$S_{2}$、$S_{3}$,电压表$V_{1}的示数为U_{1}$,电流表A的示数为$I_{3}$,再将滑动变阻器的滑片置于最右端,电流表A的示数为$I_{4}$,电压表$V_{2}的示数为U_{2}$,$U_{1}:U_{2}= 2:7$,$I_{3}:I_{4}= 2:1$,则闭合开关$S_{1}$、$S_{2}和S_{3}$,移动滑动变阻器的滑片,电流表A示数的最小值为____A.

答案:
$1:2$ 3.4 解析:只闭合开关$S_{1}$和$S_{3}$,电路为电阻$R_{2}$的简单电路,电流表 A 的示数为$I_{1}$,由欧姆定律可得$I_{1}=\frac {U}{R_{2}}$;只闭合开关$S_{1}$和$S_{2}$,电路为电阻$R_{1}$的简单电路,电流表 A 的示数为$I_{2}$,由欧姆定律可得$I_{2}=\frac {U}{R_{1}}$. 已知$I_{1}:I_{2}=1:2$,即$\frac {U}{R_{2}}:\frac {U}{R_{1}}=1:2$,解得$R_{1}:R_{2}=1:2$. 闭合开关$S_{1}$,断开$S_{2}$、$S_{3}$时,将滑片 P 置于某位置 a 和最右端时,$R_{1}$、$R_{2}$、滑动变阻器串联,电压表$V_{1}$测$R_{1}$两端的电压,电压表$V_{2}$测滑动变阻器和$R_{2}$两端的总电压,电流表测电路中的电流.$R_{1}:R_{2}=1:2$,则$R_{2}=2R_{1}$,由欧姆定律可得,电路中的电流即$I_{3}=\frac {U}{R_{1}+R_{a}+R_{2}}=\frac {24V}{12Ω+3R_{1}}$、$I_{4}=\frac {U}{R_{1}+R+R_{2}}=\frac {24V}{R+3R_{1}}$,已知$I_{3}:I_{4}=2:1$,即$\frac {12Ω+3R_{1}}{R+3R_{1}}=\frac {1}{2}$,整理可得$R=24Ω+3R_{1}$,由欧姆定律可得$U_{1}=I_{3}R_{1}$,$U_{2}=I_{4}(R+R_{2})=I_{4}(R+2R_{1})=I_{4}(24Ω+5R_{1})$,$U_{1}:U_{2}=2:7$,即$\frac {I_{3}R_{1}}{I_{4}(24Ω+5R_{1})}=\frac {2}{7}$ ①,将$I_{3}:I_{4}=2:1$代入①式,解得$R_{1}=12Ω$,则$R_{2}=24Ω$,$R=60Ω$. 闭合开关$S_{1}$、$S_{2}$和$S_{3}$,三个电阻并联,电流表 A 测干路电流,并联电路中干路电流等于各支路电流之和,滑片 P 置于最右端时,滑动变阻器接入电路的阻值最大,则总电流最小,由欧姆定律可得,电流表 A 示数的最小值$I=\frac {U}{R_{1}}+\frac {U}{R}+\frac {U}{R_{2}}=\frac {24V}{12Ω}+\frac {24V}{60Ω}+\frac {24V}{24Ω}=3.4A$.
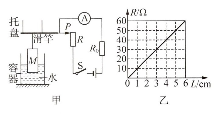
12. (2024·四川南充·8分)科创小组设计利用电流表测量质量的装置如图甲.现截取适当长度的电阻片R(它的阻值随长度L的变化图像如图乙所示)作为滑动变阻器接入电路.图甲中,电源电压为6V恒定不变,电流表量程为0~0.6A,当滑片P在最下端时,电流表示数为0.6A.装置中托盘与圆柱形实心塑料浮筒M通过硬质绝缘细杆固定连接,整体漂浮在装有足够深水的柱形薄壁容器中,且只能竖直移动.托盘的质量为0.27kg;M高22cm,底面积为300cm^2,质量为0.33kg;容器的底面积为400cm^2.托盘通过滑竿带动滑片P上下移动,托盘中未放物体时,调节水量,使滑片P正好位于R最上端;托盘中放入物体A时,M刚好浸没,滑片P正好位于R最下端.($g$取10N/kg,$\rho_{水}= 1.0×10^{3}kg/m^{3}$,不计滑片、滑竿、细杆的质量,忽略摩擦阻力,工作中水不溢出)求:
(1)$R_{0}$的阻值.
(2)物体A的质量.
(3)托盘中未放物体时,电流表的示数.

(1)$R_{0}$的阻值.
(2)物体A的质量.
(3)托盘中未放物体时,电流表的示数.
答案:
(1) 10 Ω
(2) 6 kg
(3) 0.1 A 解析:
(1) 当滑片 P 位于最下端时,滑动变阻器接入电路的阻值为 0,电路为$R_{0}$的简单电路,电流表测电路中的电流,由题意知此时电路中电流$I=0.6A$,则$R_{0}$的阻值$R_{0}=\frac {U}{I}=\frac {6V}{0.6A}=10Ω$.
(2) 物体 M 的体积$V_{M}=S_{M}h=300cm^{2}×22cm=6600cm^{3}=6.6×10^{-3}m^{3}$,浸没时受到的浮力$F_{浮}=ρ_{水}V_{M}g=1.0×10^{3}kg/m^{3}×6.6×10^{-3}m^{3}×10N/kg=66N$,对浮筒 M 受力分析,M 受到竖直向上的浮力$F_{浮}$,竖直向下的重力$G_{M}$、物体 A 和托盘通过细杆对其向下的压力$F=G_{盘}+G_{A}$,根据力的平衡,有$F_{浮}=G_{M}+F=G_{M}+G_{盘}+G_{A}$,所以$G_{A}=F_{浮}-(G_{M}+G_{盘})=66N-(0.33kg+0.27kg)×10N/kg=60N$,则物体 A 的质量$m_{A}=\frac {G_{A}}{g}=\frac {60N}{10N/kg}=6kg$.
(3) 托盘未放物体时浮筒受到的浮力$F_{浮1}=G_{盘}+G_{M}=(0.27kg+0.33kg)×10N/kg=6N$,此时浮筒排开水的体积$V_{排1}=\frac {F_{浮1}}{ρ_{水}g}=\frac {6N}{1.0×10^{3}kg/m^{3}×10N/kg}=6×10^{-4}m^{3}=600cm^{3}$,浮筒浸入水中的深度$h_{1}=\frac {V_{排1}}{S_{M}}=\frac {600cm^{3}}{300cm^{3}}=2cm$,放入物体 A 后增加的浮力等于 A 的重力,即$\Delta F_{浮}=G_{A}=60N$,排开水的体积增加$V_{排2}=\frac {\Delta F_{浮}}{ρ_{水}g}=\frac {60N}{1.0×10^{3}kg/m^{3}×10N/kg}=6×10^{-3}m^{3}=6000cm^{3}$,则液面升高的距离$h_{2}=\frac {V_{排2}}{S_{容}}=\frac {6000cm^{3}}{400cm^{2}}=15cm$,滑片 P 移动的距离$l=h-(h_{1}+h_{2})=22cm-(2cm+15cm)=5cm$,由图乙可知托盘中未放物体时 R 的阻值$R=50Ω$,所以此时电流表的示数$I_{0}=\frac {U}{R+R_{0}}=\frac {6V}{50Ω+10Ω}=0.1A$.
(1) 10 Ω
(2) 6 kg
(3) 0.1 A 解析:
(1) 当滑片 P 位于最下端时,滑动变阻器接入电路的阻值为 0,电路为$R_{0}$的简单电路,电流表测电路中的电流,由题意知此时电路中电流$I=0.6A$,则$R_{0}$的阻值$R_{0}=\frac {U}{I}=\frac {6V}{0.6A}=10Ω$.
(2) 物体 M 的体积$V_{M}=S_{M}h=300cm^{2}×22cm=6600cm^{3}=6.6×10^{-3}m^{3}$,浸没时受到的浮力$F_{浮}=ρ_{水}V_{M}g=1.0×10^{3}kg/m^{3}×6.6×10^{-3}m^{3}×10N/kg=66N$,对浮筒 M 受力分析,M 受到竖直向上的浮力$F_{浮}$,竖直向下的重力$G_{M}$、物体 A 和托盘通过细杆对其向下的压力$F=G_{盘}+G_{A}$,根据力的平衡,有$F_{浮}=G_{M}+F=G_{M}+G_{盘}+G_{A}$,所以$G_{A}=F_{浮}-(G_{M}+G_{盘})=66N-(0.33kg+0.27kg)×10N/kg=60N$,则物体 A 的质量$m_{A}=\frac {G_{A}}{g}=\frac {60N}{10N/kg}=6kg$.
(3) 托盘未放物体时浮筒受到的浮力$F_{浮1}=G_{盘}+G_{M}=(0.27kg+0.33kg)×10N/kg=6N$,此时浮筒排开水的体积$V_{排1}=\frac {F_{浮1}}{ρ_{水}g}=\frac {6N}{1.0×10^{3}kg/m^{3}×10N/kg}=6×10^{-4}m^{3}=600cm^{3}$,浮筒浸入水中的深度$h_{1}=\frac {V_{排1}}{S_{M}}=\frac {600cm^{3}}{300cm^{3}}=2cm$,放入物体 A 后增加的浮力等于 A 的重力,即$\Delta F_{浮}=G_{A}=60N$,排开水的体积增加$V_{排2}=\frac {\Delta F_{浮}}{ρ_{水}g}=\frac {60N}{1.0×10^{3}kg/m^{3}×10N/kg}=6×10^{-3}m^{3}=6000cm^{3}$,则液面升高的距离$h_{2}=\frac {V_{排2}}{S_{容}}=\frac {6000cm^{3}}{400cm^{2}}=15cm$,滑片 P 移动的距离$l=h-(h_{1}+h_{2})=22cm-(2cm+15cm)=5cm$,由图乙可知托盘中未放物体时 R 的阻值$R=50Ω$,所以此时电流表的示数$I_{0}=\frac {U}{R+R_{0}}=\frac {6V}{50Ω+10Ω}=0.1A$.
查看更多完整答案,请扫码查看