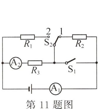
11. (2024·江西·2分)上分点四 如图所示,三个电阻$R_1、$$R_2、$$R_3$的阻值均相同,开关$S_1$断开、$S_2$掷到1,电流表$A_1$与电流表$A_2$的示数之比为______;当开关$S_1$闭合、$S_2$掷到2时,电流表$A_1$与电流表$A_2$的示数之比为______.

答案:
$1:1$ $2:1$ 解析:由图可知,开关$S_{1}$断开、$S_{2}$掷到1,$R_{2}$和$R_{3}$串联,由于串联电路中电流处处相等,所以电流表$A_{1}$与电流表$A_{2}$的示数之比为$1:1$;当开关$S_{1}$闭合、$S_{2}$掷到2时,$R_{1}$与$R_{3}$并联,$A_{1}$测干路电流,$A_{2}$测通过$R_{3}$的电流,由题意知电阻$R_{1}$、$R_{3}$的阻值相同,所以$A_{1}$的示数等于$A_{2}$示数的2倍,则电流表$A_{1}$与电流表$A_{2}$的示数之比为$2:1$.
12. (2025·江苏南京期末·4分)如图甲所示,电源电压恒定,R₀、$R_1$均为定值电阻$,R_2$为滑动变阻器.闭合开关S,将滑片P由a端滑到b端过程中,电流表示数将变______;图乙中图线①、②分别表示电压表$V_1、$$V_2$示数与电流表示数变化的关系,则滑动变阻器$R_2$的最大阻值为______Ω;通过分析可知$,R_1$的阻值为______Ω,电源电压为______V.

答案:
小 15 10 6 解析:由图甲可知,闭合开关S,$R_{1}$、$R_{2}$与$R_{0}$串联,电流表测电路中的电流,电压表$V_{1}$测$R_{1}$和$R_{2}$两端的总电压,电压表$V_{2}$测$R_{2}$两端的电压.将滑片P由a端滑到b 端过程中,滑动变阻器接入电路的阻值变大,电路的总电阻变大,电源电压恒定,由欧姆定律可知,电路中的电流变小,即电流表的示数将变小.当滑片P在b端时,滑动变阻器接入电路的阻值最大,电路的电流最小,由图乙知最小电流$I_{小}=0.2A$,$V_{2}$的示数$U_{2大}=3.0V$,则滑动变阻器$R_{2}$的最大阻值$R_{2}=\frac{U_{2大}}{I_{小}}=\frac{3.0V}{0.2A}=15Ω$;此时电压表$V_{1}$的示数即$R_{1}$和$R_{2}$两端的总电压$U_{12}=5.0V$,则$R_{1}$两端的电压$U_{1}=U_{12}-U_{2大}=5.0V - 3.0V = 2.0V$,由$I=\frac{U}{R}$可得,$R_{1}$的阻值$R_{1}=\frac{U_{1}}{I_{小}}=\frac{2.0V}{0.2A}=10Ω$;滑片P在b端时,电源电压$U = U_{0}+U_{12}=I_{小}R_{0}+U_{12}=0.2A×R_{0}+5.0V$ ①;滑片P在a端时,滑动变阻器接入电路的阻值为0,电路中的电流最大,由图乙知最大电流$I_{大}=0.4A$,此时电源电压$U = I_{大}(R_{0}+R_{1})=0.4A×(R_{0}+10Ω)$ ②.联立①②,解得$R_{0}=5Ω$,$U = 6V$.
13. 新趋势 综合实践 (6分)在中学生科技创新大赛中,某参赛小组设计了一种测定风力大小的装置,如图甲所示,迎风板与力敏电阻Rₓ连接,工作时迎风板总是正对风吹来的方向.力敏电阻的阻值随风力变化而变化,其阻值Rₓ与风力F的关系图像如图乙所示.电源电压恒为12V,定值电阻R为4Ω.
(1) 开关闭合后,无风时,电压表示数为______V.
(2) 当风力增大时,电路中的电流______(填变化情况).
(3) 如果电压表的读数范围为0~8V,该装置所能测量的最大风力为______N.

(1) 开关闭合后,无风时,电压表示数为______V.
(2) 当风力增大时,电路中的电流______(填变化情况).
(3) 如果电压表的读数范围为0~8V,该装置所能测量的最大风力为______N.
答案:
(1)3
(2)变大
(3)500 解析:
(1)由图甲可知,R与$R_{x}$串联,电压表测R两端的电压.由图乙可知,当无风时,$R_{x}=12Ω$,此时电路中的电流$I=\frac{U}{R + R_{x}}=\frac{12V}{4Ω + 12Ω}=0.75A$,则R两端的电压即电压表的示数$U_{R}=IR = 0.75A×4Ω = 3V$.
(2)由图乙可知,当风力增大时,$R_{x}$的阻值减小,电路的总电阻减小,由$I=\frac{U}{R}$可知,电路中的电流变大.
(3)当所测风力最大时,$R_{x}$的阻值最小,电路中的电流最大,则电压表的示数最大,电压表的读数范围为0~8V,则$U_{Rmax}=8V$,此时$R_{x}$两端的电压$U_{x}=U - U_{Rmax}=12V - 8V = 4V$,此时电路中的电流$I'=\frac{U_{Rmax}}{R}=\frac{8V}{4Ω}=2A$,则此时力敏电阻的阻值$R_{x}'=\frac{U_{x}}{I'}=\frac{4V}{2A}=2Ω$,由图乙可知,该装置所能测量的最大风力为500N.
(1)3
(2)变大
(3)500 解析:
(1)由图甲可知,R与$R_{x}$串联,电压表测R两端的电压.由图乙可知,当无风时,$R_{x}=12Ω$,此时电路中的电流$I=\frac{U}{R + R_{x}}=\frac{12V}{4Ω + 12Ω}=0.75A$,则R两端的电压即电压表的示数$U_{R}=IR = 0.75A×4Ω = 3V$.
(2)由图乙可知,当风力增大时,$R_{x}$的阻值减小,电路的总电阻减小,由$I=\frac{U}{R}$可知,电路中的电流变大.
(3)当所测风力最大时,$R_{x}$的阻值最小,电路中的电流最大,则电压表的示数最大,电压表的读数范围为0~8V,则$U_{Rmax}=8V$,此时$R_{x}$两端的电压$U_{x}=U - U_{Rmax}=12V - 8V = 4V$,此时电路中的电流$I'=\frac{U_{Rmax}}{R}=\frac{8V}{4Ω}=2A$,则此时力敏电阻的阻值$R_{x}'=\frac{U_{x}}{I'}=\frac{4V}{2A}=2Ω$,由图乙可知,该装置所能测量的最大风力为500N.
14. (2025·重庆期中·9分)如图所示的电路中,电源电压可调,定值电阻$R_2= 20Ω,$灯泡L标有“12V 0.3A”,滑动变阻器$R_1$标有“50Ω 1A”.求:
(1) 灯泡L正常发光时的电阻.
(2) 将电源电压调至18V,只闭合开关$S_1,$为保证电路安全$,R_1$允许接入电路的最小阻值.
(3) 只闭合开关$S_2,$电流表的量程为0~0.6A,电压表的量程为0~15V.调节电源电压,使移动$R_1$的滑片P的过程中,两个电表都能够达到满刻度,且电路安全,求此时电源电压的

范围.
(1) 灯泡L正常发光时的电阻.
(2) 将电源电压调至18V,只闭合开关$S_1,$为保证电路安全$,R_1$允许接入电路的最小阻值.
(3) 只闭合开关$S_2,$电流表的量程为0~0.6A,电压表的量程为0~15V.调节电源电压,使移动$R_1$的滑片P的过程中,两个电表都能够达到满刻度,且电路安全,求此时电源电压的
范围.
答案:
(1)$40Ω$
(2)$20Ω$
(3)$21~27V$ 解析:
(1)由欧姆定律可得,灯泡L正常发光时的电阻$R_{L}=\frac{U_{L}}{I_{L}}=\frac{12V}{0.3A}=40Ω$.
(2)只闭合开关$S_{1}$,滑动变阻器$R_{1}$与灯泡L串联,为保证电路安全,电路中的最大电流$I_{大}=I_{L}=0.3A$,由欧姆定律可得,$R_{1}$允许接入电路的最小阻值$R_{1小}=\frac{U - U_{L}}{I_{大}}=\frac{18V - 12V}{0.3A}=20Ω$.
(3)只闭合开关$S_{2}$,滑动变阻器$R_{1}$与定值电阻$R_{2}$串联,电压表测$R_{1}$两端的电压,电流表测电路中的电流,调节电源电压,使移动$R_{1}$的滑片P的过程中,两个电表都能够达到满刻度,且电路安全,则电路情况分析如下:当电流表满偏时,$I_{大}=0.6A$,若滑动变阻器接入电路的阻值为0,电源电压最小为$U_{小}=I_{大}R_{2}=0.6A×20Ω = 12V<15V$,此电源电压下电压表不可能达到满偏程度,不符合题意,舍去.当电压表满偏时,$U_{V大}=15V$,滑动变阻器接入电路的阻值最大为$50Ω$时,电流$I=\frac{U_{V大}}{R_{1大}}=\frac{15V}{50Ω}=0.3A<0.6A$,电路安全,电源电压$U_{min}=IR_{2}+U_{V大}=0.3A×20Ω + 15V = 21V$,若在此电源电压下电流表满偏,即$I_{大}=0.6A$,则有$R_{2}$两端的电压$U_{2}=I_{大}R_{2}=0.6A×20Ω = 12V$,此时滑动变阻器接入电路的阻值$R_{1实际}=\frac{U_{min}-U_{2}}{I_{大}}=\frac{21V - 12V}{0.6A}=15Ω<50Ω$,符合题意.当$I_{大}=0.6A$且$U_{V大}=15V$时,电源电压最大为$U_{max}=I_{大}R_{2}+U_{V大}=0.6A×20Ω + 15V = 27V$,符合要求.要求两个电表均能达到满刻度,且电路安全,所以电源电压的范围为$21~27V$.
(1)$40Ω$
(2)$20Ω$
(3)$21~27V$ 解析:
(1)由欧姆定律可得,灯泡L正常发光时的电阻$R_{L}=\frac{U_{L}}{I_{L}}=\frac{12V}{0.3A}=40Ω$.
(2)只闭合开关$S_{1}$,滑动变阻器$R_{1}$与灯泡L串联,为保证电路安全,电路中的最大电流$I_{大}=I_{L}=0.3A$,由欧姆定律可得,$R_{1}$允许接入电路的最小阻值$R_{1小}=\frac{U - U_{L}}{I_{大}}=\frac{18V - 12V}{0.3A}=20Ω$.
(3)只闭合开关$S_{2}$,滑动变阻器$R_{1}$与定值电阻$R_{2}$串联,电压表测$R_{1}$两端的电压,电流表测电路中的电流,调节电源电压,使移动$R_{1}$的滑片P的过程中,两个电表都能够达到满刻度,且电路安全,则电路情况分析如下:当电流表满偏时,$I_{大}=0.6A$,若滑动变阻器接入电路的阻值为0,电源电压最小为$U_{小}=I_{大}R_{2}=0.6A×20Ω = 12V<15V$,此电源电压下电压表不可能达到满偏程度,不符合题意,舍去.当电压表满偏时,$U_{V大}=15V$,滑动变阻器接入电路的阻值最大为$50Ω$时,电流$I=\frac{U_{V大}}{R_{1大}}=\frac{15V}{50Ω}=0.3A<0.6A$,电路安全,电源电压$U_{min}=IR_{2}+U_{V大}=0.3A×20Ω + 15V = 21V$,若在此电源电压下电流表满偏,即$I_{大}=0.6A$,则有$R_{2}$两端的电压$U_{2}=I_{大}R_{2}=0.6A×20Ω = 12V$,此时滑动变阻器接入电路的阻值$R_{1实际}=\frac{U_{min}-U_{2}}{I_{大}}=\frac{21V - 12V}{0.6A}=15Ω<50Ω$,符合题意.当$I_{大}=0.6A$且$U_{V大}=15V$时,电源电压最大为$U_{max}=I_{大}R_{2}+U_{V大}=0.6A×20Ω + 15V = 27V$,符合要求.要求两个电表均能达到满刻度,且电路安全,所以电源电压的范围为$21~27V$.
查看更多完整答案,请扫码查看