1. (2025·四川绵阳期末·2分)上分点二 如图所示,电源电压恒为6V,闭合开关S,电压表的示数为2V,电路中的电流为0.5A,则灯泡$L_2$两端的电压及灯泡$L_2$的电阻分别为 ()

A. 4V 4Ω
B. 2V 4Ω
C. 4V 8Ω
D. 2V 8Ω
A. 4V 4Ω
B. 2V 4Ω
C. 4V 8Ω
D. 2V 8Ω
答案:
C 解析:由电路图可知,闭合开关S后,两灯串联,电压表测$L_{1}$两端的电压,则$L_{1}$两端的电压为2V,由串联电路的电压特点可得,灯泡$L_{2}$两端的电压$U_{2}=U - U_{1}=6V - 2V = 4V$,由欧姆定律可得,灯泡$L_{2}$的电阻$R_{2}=\frac{U_{2}}{I}=\frac{4V}{0.5A}=8Ω$,故C正确.
2. (2分)如图所示的电路中,闭合开关S,电流表$A_1$的示数为1.2A,电流表$A_2$的示数为0.3A,已知$R_1= 10Ω,$则通过$R_1$的电流为$______A,R_2$的阻值为______Ω.

答案:
0.9 30 解析:由图可知,闭合开关S,两电阻并联,电流表$A_{1}$测干路电流,电流表$A_{2}$测通过$R_{2}$的电流,由并联电路的电流特点可得,通过$R_{1}$的电流$I_{1}=I - I_{2}=1.2A - 0.3A = 0.9A$;并联电路各支路两端电压相等,由欧姆定律可得,电源电压$U = I_{2}R_{2}=I_{1}R_{1}$,代入数据有$0.3A×R_{2}=0.9A×10Ω$,解得$R_{2}=30Ω$.
3. (2024·黑龙江龙东地区·2分)如图为灯泡L和定值电阻R的I-U图像,若将L和R并联在电源电压为3V的电路中,干路电流为______A;若将它们串联在电源电压为4V的电路中,L和R的阻值之比为______.

答案:
0.6 $1:3$ 解析:并联电路各个支路两端的电压相等,由图可知,当电源电压为3V时,通过R的电流为0.2A,通过L的电流为0.4A,则干路电流$I = I_{R}+I_{L}=0.2A + 0.4A = 0.6A$;若将L和R串联在电源电压为4V的电路中,根据串联电路的电流、电压规律可知,通过L和R的电流相同,且L和R两端电压之和等于电源电压,由图可知,当$I = 0.2A$、$U_{L}=1V$、$U_{R}=3V$时满足条件,则L和R的阻值之比$R_{L}:R=\frac{U_{L}}{I}:\frac{U_{R}}{I}=U_{L}:U_{R}=1V:3V = 1:3$.
4. (2024·山东临沂模拟·2分)特护病房的输液警报器内部有一可变电阻R,其阻值随输液管内液体的减少而减小,通过电铃的电流增大到一定大小时电铃接通发出警报.下列几个电路中符合报警要求,且当输液管内液体越少电表的示数也越小的是 ()

A
B
C
D
A
B
C
D
答案:
D 解析:由题意知,输液管内液体越少,R的阻值越小,通过电铃的电流越大,所以R与电铃应串联在电路中,而C图中电铃与R并联,故C不符合要求;R与电铃串联,R的阻值越小,电路总电阻越小,电源电压一定,由欧姆定律可知,电路中电流越大,由$U = IR$知,此时电铃两端的电压越大,由串联电路的电压特点可知,R两端电压越小,故A、B不符合要求,D符合要求.
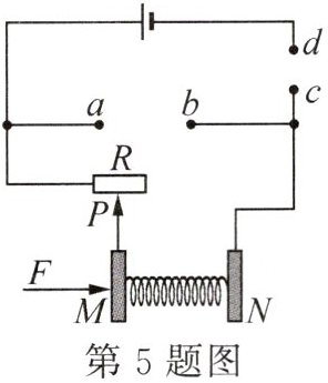
5. 新素养 科学思维 (1分)如图所示为一握力计的电路示意图,a、b、c、d为四个接线柱,电表及一定值电阻R₀未画出,金属板N固定不动,金属板M可带动金属片P滑动,从而与R构成滑动变阻器.若弹簧电阻不计,电源电压保持不变,要求握力增大时,电表示数也增大,则c、d之间应接入______(选填“定值电阻R₀”“电流表”或“电压表”).

答案:
定值电阻$R_{0}$ 解析:由图可知,若c、d之间接入电压表,则整个电路会断路,所以c、d之间不可能是电压表.若c、d之间接入电流表:当a、b 之间为定值电阻$R_{0}$时,R与$R_{0}$并联,电流表测干路电流,金属片P移动时通过$R_{0}$的电流不变,当握力增大时,金属片P右移,R接入电路的电阻变大,由$I=\frac{U}{R}$可知,通过R的电流减小,电流表示数减小,与电表的示数增大不符.若c、d之间接入定值电阻$R_{0}$:若a、b之间接入电流表,R会被短路,所以a、b之间不能接入电流表,则a、b之间为电压表,此时定值电阻$R_{0}$与R串联,电压表测R两端的电压,当握力增大时,金属片P右移,R接入电路的电阻增大,电路的总电阻增大,由$I=\frac{U}{R}$可知,电路中的电流减小,由$U = IR$可知,定值电阻$R_{0}$两端的电压减小,所以R两端的电压增大,即电压表的示数增大,符合题意.综上分析可知,c、d之间应接入定值电阻$R_{0}$.
查看更多完整答案,请扫码查看