2025年名校课堂内外五年级数学下册北师大版
注:目前有些书本章节名称可能整理的还不是很完善,但都是按照顺序排列的,请同学们按照顺序仔细查找。练习册 2025年名校课堂内外五年级数学下册北师大版 答案主要是用来给同学们做完题方便对答案用的,请勿直接抄袭。
一 判断。(对的画“√”,错的画“×”)
1. 物体的体积越大,容积就越大。( )
2. 体积单位之间的进率都是1000。( )
3. 棱长6m的正方体的表面积和体积相等。( )
4. 两个表面积相等的正方体,它们的体积一定相等。( )
1. 物体的体积越大,容积就越大。( )
2. 体积单位之间的进率都是1000。( )
3. 棱长6m的正方体的表面积和体积相等。( )
4. 两个表面积相等的正方体,它们的体积一定相等。( )
答案:
1.× 2.× 3.× 4.√
1. 一个正方体的棱长扩大到原来的4倍,表面积扩大到原来的( )倍,体积扩大到原来的( )倍。
A.4
B.8
C.16
D.64
A.4
B.8
C.16
D.64
答案:
C D
2. 一个长方体盒子,从里面量长8dm,宽4dm,高5dm,这个盒子里最多能装( )个棱长为2dm的小正方体。
A.12
B.16
C.20
D.40
A.12
B.16
C.20
D.40
答案:
B
三 一个长方体玻璃鱼缸(厚度忽略不计),底面长50cm,宽40cm,高30cm。
1. 在鱼缸里注入40L水,水深是多少厘米?
2. 再往鱼缸里放入鹅卵石、水草和鱼,水面离缸口3cm,这些鹅卵石、水草和鱼的体积一共是多少立方厘米?
1. 在鱼缸里注入40L水,水深是多少厘米?
2. 再往鱼缸里放入鹅卵石、水草和鱼,水面离缸口3cm,这些鹅卵石、水草和鱼的体积一共是多少立方厘米?
答案:
1. 40L = 40000cm³ 40000÷50÷40 = 20(cm) 2. 50×40×(30 - 3)=54000(cm³) 54000 - 40000 = 14000(cm³)
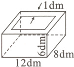
四 用混凝土浇铸一个无盖的长方体水槽,(如图)从外面量长12dm,宽8dm,高6dm,混凝土厚1dm。

1. 这个水槽的容积是多少升?
2. 浇铸这样一个水槽需要多少混凝土?
1. 这个水槽的容积是多少升?
2. 浇铸这样一个水槽需要多少混凝土?
答案:
1.(12 - 1×2)×(8 - 1×2)×(6 - 1)=300(升) 2.12×8×6 - 300 = 276(立方分米)
五 一个封闭的长方体容器里面装着水,容器的长、宽、高分别是8cm、8cm和10cm,淘气不小心把容器碰倒了。

答案:
8×8×6÷(8×10)=4.8(cm)
查看更多完整答案,请扫码查看