第83页
- 第1页
- 第2页
- 第3页
- 第4页
- 第5页
- 第6页
- 第7页
- 第8页
- 第9页
- 第10页
- 第11页
- 第12页
- 第13页
- 第14页
- 第15页
- 第16页
- 第17页
- 第18页
- 第19页
- 第20页
- 第21页
- 第22页
- 第23页
- 第24页
- 第25页
- 第26页
- 第27页
- 第28页
- 第29页
- 第30页
- 第31页
- 第32页
- 第33页
- 第34页
- 第35页
- 第36页
- 第37页
- 第38页
- 第39页
- 第40页
- 第41页
- 第42页
- 第43页
- 第44页
- 第45页
- 第46页
- 第47页
- 第48页
- 第49页
- 第50页
- 第51页
- 第52页
- 第53页
- 第54页
- 第55页
- 第56页
- 第57页
- 第58页
- 第59页
- 第60页
- 第61页
- 第62页
- 第63页
- 第64页
- 第65页
- 第66页
- 第67页
- 第68页
- 第69页
- 第70页
- 第71页
- 第72页
- 第73页
- 第74页
- 第75页
- 第76页
- 第77页
- 第78页
- 第79页
- 第80页
- 第81页
- 第82页
- 第83页
- 第84页
- 第85页
- 第86页
- 第87页
- 第88页
- 第89页
- 第90页
- 第91页
- 第92页
- 第93页
- 第94页
- 第95页
- 第96页
- 第97页
- 第98页
- 第99页
- 第100页
- 第101页
- 第102页
- 第103页
- 第104页
- 第105页
- 第106页
- 第107页
- 第108页
- 第109页
- 第110页
- 第111页
- 第112页
- 第113页
- 第114页
- 第115页
- 第116页
- 第117页
- 第118页
- 第119页
- 第120页
- 第121页
- 第122页
- 第123页
- 第124页
- 第125页
- 第126页
- 第127页
- 第128页
- 第129页
- 第130页
- 第131页
- 第132页
- 第133页
- 第134页
- 第135页
- 第136页
- 第137页
- 第138页
- 第139页
- 第140页
- 第141页
- 第142页
- 第143页
- 第144页
- 第145页
- 第146页
- 第147页
- 第148页
- 第149页
- 第150页
- 第151页
- 第152页
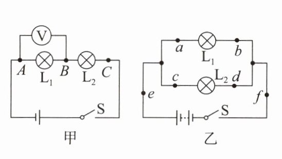
他们利用其中一种方法,把电流表分别接入到电路中的A、B、C处,完成第2、3次测量,并将测出的电流记入下表中。
|次数|IA|IB|IC|
|1|0.10|0.12|0.22|
|2|0.20|0.24|0.44|
|3|0.25|0.30|0.55|
(1)接好实验电路后,闭合开关发现两灯都亮。但由于连线较乱,一时无法确定两灯是串联还是并联,组内的小明灵机一动,随意拆下一根导线,发现两灯都熄灭,因此他判定两灯是串联的,小明的方法
(2)图13 - 16乙是小红连接的并联电路的局部图,她测量完图13 - 16甲中干路C处电流之后,想测量通过$L_1$的电流,需要拆接电路,依据图13 - 16乙中a、b、c、d四个接点,你认为最方便的拆接导线方法是
(3)数据记录表格中存在的不足之处是
实验2 探究串联、并联电路中电压的特点
|实验方法|多次测量寻找普遍性规律:①先后按图甲、乙连接好电路,用电压表分别测出图甲中AB、BC、AC间的电压UAB、UBC、UAC,用电压表分别测出图乙中ab、cd、ef间的电压Uab、Ucd、Uef,并填入数据记录表中。②换用不同规格的小灯泡进行实验,多测几组数据。③分析比较各组数据,得出串、并联电路中各处电压的关系,得出结论。|
|
|
|注意事项|(1)实验前,要观察电压表指针是否在零刻度线处,否则须进行调零。(2)连接电路时要断开开关(目的:保护电路)。(3)连接电压表时,要确保它的正、负接线柱连接正确(电流须“+”进“-”出),并选取合适的量程(用大量程试触)。(4)对电压表读数时要注意明确所选量程和分度值。(5)须选用不同规格的小灯泡进行多次实验(目的:避免结论的偶然性)。|
|实验结论|(1)分析实验甲中数据可知UAC = UAB + UBC,结论:串联电路中电源两端电压等于各用电器两端电压之和。(2)分析实验乙中数据可知Uef = Uab = Ucd,结论:并联电路中电源两端电压与各支路用电器两端电压相等。|
|评估交流|(1)实验甲中,电路元件完好,但两灯都不亮,电压表示数约等于电源电压,原因:电压表与两灯串联。(2)实验甲中,测得UAB = UBC,原因:选用了两个规格相同的灯泡进行实验。(3)实验中电压表指针反偏的原因:电压表正、负接线柱接反了。(4)电压表指针偏转超过最大刻度值的原因:量程选小了。|
|深入拓展|(1)实验甲中,测完AB间的电压后,直接将电压表与A点的接线头改接到C点,不能测出BC间的电压,原因:电压表正、负接线柱接反了。(2)连接电路时,刚连接灯泡就发光,原因:开关没有断开。(3)电路故障分析:①电压表示数为零(电压表所测元件之外开路、电压表开路、电压表短路);②串联电路中两灯都不亮且电压表示数约等于电源电压(电压表所测元件开路);③串联电路中一灯不亮(不亮的灯泡短路);④并联电路中两灯都不亮(干路开路、电源短路);⑤并联电路中一灯不亮(不亮的灯泡开路)。|
例2 实验小组用如图13 - 17所示的电路来探究串联电路中电压的特点,用电压表分别测量$L_1$两端的电压UAB、$L_2$两端的电压UBC和$L_1、$$L_2$两端的总电压UAC,数据记录如下表所示。
|
|
|次数|UAB|UBC|UAC|
|1|1.5|1.5|3|
|2|1.6|1.4|3|
|3|1.2|1.8|3|
(1)小明根据第1次的实验数据断定“串联电路中各用电器两端的电压相等”,这一结论是______(选填“正确”或“错误”)的,他得出这样的结论是因为______。
(2)为了避免偶然因素的影响,采用了以下两种方法之一来重复实验,完成了第2次和第3次测量:
方法一:改变电源电压(电池节数);
方法二:更换其中一个灯泡(规格不同)。
请你根据他们的实验过程和有关数据回答下列问题:
①在拆接电路时,开关必须是______的;
②上面设计的表格中存在的不足之处是______;
③表格补充完整后,通过对上面数据的分析可知,后面两次实验是采用方法______(选填“一”或“二”)来进行的,实验的结论是:串联电路中,电源两端的电压等于______。
|次数|IA|IB|IC|
|1|0.10|0.12|0.22|
|2|0.20|0.24|0.44|
|3|0.25|0.30|0.55|
(1)接好实验电路后,闭合开关发现两灯都亮。但由于连线较乱,一时无法确定两灯是串联还是并联,组内的小明灵机一动,随意拆下一根导线,发现两灯都熄灭,因此他判定两灯是串联的,小明的方法
不正确
(选填“正确”或“不正确”)。(2)图13 - 16乙是小红连接的并联电路的局部图,她测量完图13 - 16甲中干路C处电流之后,想测量通过$L_1$的电流,需要拆接电路,依据图13 - 16乙中a、b、c、d四个接点,你认为最方便的拆接导线方法是
将bd导线的d点拆下,接在电流表的“0.6”接线柱上
。(3)数据记录表格中存在的不足之处是
缺少电流单位
。实验2 探究串联、并联电路中电压的特点
|实验方法|多次测量寻找普遍性规律:①先后按图甲、乙连接好电路,用电压表分别测出图甲中AB、BC、AC间的电压UAB、UBC、UAC,用电压表分别测出图乙中ab、cd、ef间的电压Uab、Ucd、Uef,并填入数据记录表中。②换用不同规格的小灯泡进行实验,多测几组数据。③分析比较各组数据,得出串、并联电路中各处电压的关系,得出结论。|
|
|注意事项|(1)实验前,要观察电压表指针是否在零刻度线处,否则须进行调零。(2)连接电路时要断开开关(目的:保护电路)。(3)连接电压表时,要确保它的正、负接线柱连接正确(电流须“+”进“-”出),并选取合适的量程(用大量程试触)。(4)对电压表读数时要注意明确所选量程和分度值。(5)须选用不同规格的小灯泡进行多次实验(目的:避免结论的偶然性)。|
|实验结论|(1)分析实验甲中数据可知UAC = UAB + UBC,结论:串联电路中电源两端电压等于各用电器两端电压之和。(2)分析实验乙中数据可知Uef = Uab = Ucd,结论:并联电路中电源两端电压与各支路用电器两端电压相等。|
|评估交流|(1)实验甲中,电路元件完好,但两灯都不亮,电压表示数约等于电源电压,原因:电压表与两灯串联。(2)实验甲中,测得UAB = UBC,原因:选用了两个规格相同的灯泡进行实验。(3)实验中电压表指针反偏的原因:电压表正、负接线柱接反了。(4)电压表指针偏转超过最大刻度值的原因:量程选小了。|
|深入拓展|(1)实验甲中,测完AB间的电压后,直接将电压表与A点的接线头改接到C点,不能测出BC间的电压,原因:电压表正、负接线柱接反了。(2)连接电路时,刚连接灯泡就发光,原因:开关没有断开。(3)电路故障分析:①电压表示数为零(电压表所测元件之外开路、电压表开路、电压表短路);②串联电路中两灯都不亮且电压表示数约等于电源电压(电压表所测元件开路);③串联电路中一灯不亮(不亮的灯泡短路);④并联电路中两灯都不亮(干路开路、电源短路);⑤并联电路中一灯不亮(不亮的灯泡开路)。|
例2 实验小组用如图13 - 17所示的电路来探究串联电路中电压的特点,用电压表分别测量$L_1$两端的电压UAB、$L_2$两端的电压UBC和$L_1、$$L_2$两端的总电压UAC,数据记录如下表所示。
|
|次数|UAB|UBC|UAC|
|1|1.5|1.5|3|
|2|1.6|1.4|3|
|3|1.2|1.8|3|
(1)小明根据第1次的实验数据断定“串联电路中各用电器两端的电压相等”,这一结论是______(选填“正确”或“错误”)的,他得出这样的结论是因为______。
(2)为了避免偶然因素的影响,采用了以下两种方法之一来重复实验,完成了第2次和第3次测量:
方法一:改变电源电压(电池节数);
方法二:更换其中一个灯泡(规格不同)。
请你根据他们的实验过程和有关数据回答下列问题:
①在拆接电路时,开关必须是______的;
②上面设计的表格中存在的不足之处是______;
③表格补充完整后,通过对上面数据的分析可知,后面两次实验是采用方法______(选填“一”或“二”)来进行的,实验的结论是:串联电路中,电源两端的电压等于______。
答案:
(1)不正确
(2)将bd导线的d点拆下,接在电流表的“0.6”接线柱上
(3)缺少电流单位
(1)不正确
(2)将bd导线的d点拆下,接在电流表的“0.6”接线柱上
(3)缺少电流单位
查看更多完整答案,请扫码查看