第151页
- 第1页
- 第2页
- 第3页
- 第4页
- 第5页
- 第6页
- 第7页
- 第8页
- 第9页
- 第10页
- 第11页
- 第12页
- 第13页
- 第14页
- 第15页
- 第16页
- 第17页
- 第18页
- 第19页
- 第20页
- 第21页
- 第22页
- 第23页
- 第24页
- 第25页
- 第26页
- 第27页
- 第28页
- 第29页
- 第30页
- 第31页
- 第32页
- 第33页
- 第34页
- 第35页
- 第36页
- 第37页
- 第38页
- 第39页
- 第40页
- 第41页
- 第42页
- 第43页
- 第44页
- 第45页
- 第46页
- 第47页
- 第48页
- 第49页
- 第50页
- 第51页
- 第52页
- 第53页
- 第54页
- 第55页
- 第56页
- 第57页
- 第58页
- 第59页
- 第60页
- 第61页
- 第62页
- 第63页
- 第64页
- 第65页
- 第66页
- 第67页
- 第68页
- 第69页
- 第70页
- 第71页
- 第72页
- 第73页
- 第74页
- 第75页
- 第76页
- 第77页
- 第78页
- 第79页
- 第80页
- 第81页
- 第82页
- 第83页
- 第84页
- 第85页
- 第86页
- 第87页
- 第88页
- 第89页
- 第90页
- 第91页
- 第92页
- 第93页
- 第94页
- 第95页
- 第96页
- 第97页
- 第98页
- 第99页
- 第100页
- 第101页
- 第102页
- 第103页
- 第104页
- 第105页
- 第106页
- 第107页
- 第108页
- 第109页
- 第110页
- 第111页
- 第112页
- 第113页
- 第114页
- 第115页
- 第116页
- 第117页
- 第118页
- 第119页
- 第120页
- 第121页
- 第122页
- 第123页
- 第124页
- 第125页
- 第126页
- 第127页
- 第128页
- 第129页
- 第130页
- 第131页
- 第132页
- 第133页
- 第134页
- 第135页
- 第136页
- 第137页
- 第138页
- 第139页
- 第140页
- 第141页
- 第142页
- 第143页
- 第144页
- 第145页
- 第146页
- 第147页
- 第148页
- 第149页
- 第150页
- 第151页
- 第152页
例 2 图 17 - 1 - 4 为直流电动机的示意图,线圈 $abcd$ 处于向右的磁场中,两个彼此绝缘的铜半圆环 $E$ 和 $F$ 跟线圈两端相连,可随线圈一起转动;$A$ 和 $B$ 是电刷,它们分别跟两个半圆环接触,使电源和线圈组成闭合电路。在图示位置,电流沿 $dcba$ 流过线圈,$dc$ 边受到磁场的作用力向下,则(

A.线圈在图示位置时,$ab$ 边受到磁场的作用力向下
B.线圈由图示位置转过 $180^{\circ}$ 时,电流沿 $dcba$ 流过线圈
C.线圈由图示位置转过 $180^{\circ}$ 时,$dc$ 边受到磁场的作用力向下
D.线圈由图示位置转过 $180^{\circ}$ 时,$ab$ 边受到磁场的作用力向下
小锦囊 直流电动机工作时,依靠换向器(两个铜半圆环)与电刷的配合,线圈每转过一周,线圈中的电流方向就改变两次,但外部电路的电流方向始终不变(由直流电源的正负极位置决定)。
D
)。A.线圈在图示位置时,$ab$ 边受到磁场的作用力向下
B.线圈由图示位置转过 $180^{\circ}$ 时,电流沿 $dcba$ 流过线圈
C.线圈由图示位置转过 $180^{\circ}$ 时,$dc$ 边受到磁场的作用力向下
D.线圈由图示位置转过 $180^{\circ}$ 时,$ab$ 边受到磁场的作用力向下
小锦囊 直流电动机工作时,依靠换向器(两个铜半圆环)与电刷的配合,线圈每转过一周,线圈中的电流方向就改变两次,但外部电路的电流方向始终不变(由直流电源的正负极位置决定)。
答案:
D 【解析】在图示位置时,电流沿dcba流过线圈,则ab边与dc边的电流方向相反,而磁场方向不变,则ad边受到磁场的作用力方向与bc边的相反,即向上,故A错误。线圈由图示位置转过180°时,ab边转到右侧,dc边转到左侧,电流沿abcd流过线圈,ab边和dc边此时的电流方向与它们在图示位置时的电流方向相反,而磁场方向不变,则dc边受到磁场的作用力向上,ab边受到磁场的作用力向下,故B、C错误,D正确。
2. 图 17 - 1 - 5 是直流电动机的工作原理图。线圈所在的位置

是
(选填“是”或“不是”)平衡位置,由图中 $C$、$D$ 组成的装置叫做换向器
,它的作用是在线圈刚转过
(选填“即将转到”或“刚转过”)平衡位置时,及时改变线圈中的电流方向,从而使线圈持续转动。
答案:
是 换向器 刚转过 【解析】当线圈刚转过平衡位置时,如果没有换向器改变线圈中的电流方向,则线圈的受力方向与转动方向相反,导致线圈不能持续转动。
1. 某地马拉松比赛使用“机器兔”(图 17 - 1 - 6)担任配速员,“机器兔”内部电动机的工作原理是(

A.电流的热效应
B.电流的磁效应
C.磁极的相互作用
D.通电导体在磁场中受到力的作用
D
)。A.电流的热效应
B.电流的磁效应
C.磁极的相互作用
D.通电导体在磁场中受到力的作用
答案:
D
2. 下列家用电器与电动机工作原理相同的是(

A.电饭锅
B.电风扇
C.手电筒
D.电视机
B
)。A.电饭锅
B.电风扇
C.手电筒
D.电视机
答案:
B
3. 如图 17 - 1 - 7 所示,闭合开关后导体棒 $ab$ 向右运动。下列操作能使导体棒 $ab$ 向左运动的是(

A.将导体棒的 $a$、$b$ 端对调
B.增加一节干电池
C.将磁体的 $N$、$S$ 极对调
D.向左移动滑动变阻器的滑片
C
)。A.将导体棒的 $a$、$b$ 端对调
B.增加一节干电池
C.将磁体的 $N$、$S$ 极对调
D.向左移动滑动变阻器的滑片
答案:
C
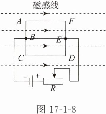
4. 如下页图 17 - 1 - 8 所示,将矩形铜线圈 $ACDF$ 上的 $B$、$E$ 两点接入电路并放入磁场中,$AB$、$BC$、$ED$ 和 $FE$ 段都受到磁场的作用力,则在磁场中受力的方向相同的是(

A.$AB$ 段与 $BC$ 段
B.$AB$ 段与 $ED$ 段
C.$BC$ 段与 $ED$ 段
D.$ED$ 段与 $FE$ 段
B
)。A.$AB$ 段与 $BC$ 段
B.$AB$ 段与 $ED$ 段
C.$BC$ 段与 $ED$ 段
D.$ED$ 段与 $FE$ 段
答案:
B 【解析】磁场方向一定,若导体中的电流方向相同,则导体所受磁场力的方向相同。线圈BAFE段和BCDE段并联在电源上,则AB段中的电流向下、EF段中的电流向上、CB段中的电流向上、DE段中的电流向下。
查看更多完整答案,请扫码查看