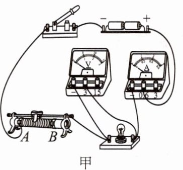
例1(2023乐山)小杨同学用如图17-3-3甲所示的电路,测量定值电阻R的阻值。
图17−3−3

(1)请你用笔画线代替导线,将图甲中的电路连接完整。(要求:滑片向左移动时电流表示数变大,且导线不能交叉)
(2)实验开始前,开关应处于________状态,滑动变阻器的滑片应调到________阻值处。
(3)小杨同学正确连接电路后,闭合开关,发现电流表无示数,电压表示数接近电源电压,出现这种故障的原因可能是________(选填“R短路”或“R断路”)。
(4)排除故障后的某次实验中,移动滑片使电压表示数为2 V时,电流表的指针位置如图乙所示,则电流表的示数为________A,定值电阻R的阻值为________Ω。
(5)小杨同学通过改变滑动变阻器滑片的位置,进行了多次测量,目的是________。
A. 减小误差
B. 寻找实验的普遍规律
图17−3−3
(1)请你用笔画线代替导线,将图甲中的电路连接完整。(要求:滑片向左移动时电流表示数变大,且导线不能交叉)
(2)实验开始前,开关应处于________状态,滑动变阻器的滑片应调到________阻值处。
(3)小杨同学正确连接电路后,闭合开关,发现电流表无示数,电压表示数接近电源电压,出现这种故障的原因可能是________(选填“R短路”或“R断路”)。
(4)排除故障后的某次实验中,移动滑片使电压表示数为2 V时,电流表的指针位置如图乙所示,则电流表的示数为________A,定值电阻R的阻值为________Ω。
(5)小杨同学通过改变滑动变阻器滑片的位置,进行了多次测量,目的是________。
A. 减小误差
B. 寻找实验的普遍规律
答案:
(1)如图所示

(2)断开 最大
(3)$R$断路
(4)0.4 5
(5)A
(1)如图所示
(2)断开 最大
(3)$R$断路
(4)0.4 5
(5)A
例2(2023株洲)某同学利用实验室提供的器材,测量标有2.5 V字样的小灯泡在不同电压下的电阻。他所连接的实验电路如图17-3-4甲所示。


(1)在闭合开关前,需要将滑动变阻器的滑片移至________(选填“A”或“B”)端。
(2)实验中,第一次测量时电压表示数为2.5 V,小灯泡正常发光。之后调节滑动变阻器,让电压逐次下调,使灯丝温度不断降低,灯泡变暗直至完全不发光,测量的数据如表所示。

根据表格中的实验数据,图乙中能正确描述通过该小灯泡的电流I和其两端电压U之间关系的是图线________(选填“①”或“②”)。
(3)第6次测量时,电流表指针的偏转情况如图丙所示,则电流表的读数为________A,此时小灯泡的电阻为________Ω。
(4)对比不同电压下小灯泡的电阻值可知,小灯泡的电阻是变化的,主要原因是小灯泡的电阻受________的影响。
(1)在闭合开关前,需要将滑动变阻器的滑片移至________(选填“A”或“B”)端。
(2)实验中,第一次测量时电压表示数为2.5 V,小灯泡正常发光。之后调节滑动变阻器,让电压逐次下调,使灯丝温度不断降低,灯泡变暗直至完全不发光,测量的数据如表所示。
根据表格中的实验数据,图乙中能正确描述通过该小灯泡的电流I和其两端电压U之间关系的是图线________(选填“①”或“②”)。
(3)第6次测量时,电流表指针的偏转情况如图丙所示,则电流表的读数为________A,此时小灯泡的电阻为________Ω。
(4)对比不同电压下小灯泡的电阻值可知,小灯泡的电阻是变化的,主要原因是小灯泡的电阻受________的影响。
答案:
(1)B
(2)①
(3)0.16 3.125
(4)温度
(1)B
(2)①
(3)0.16 3.125
(4)温度
查看更多完整答案,请扫码查看