第68页
- 第1页
- 第2页
- 第3页
- 第4页
- 第5页
- 第6页
- 第7页
- 第8页
- 第9页
- 第10页
- 第11页
- 第12页
- 第13页
- 第14页
- 第15页
- 第16页
- 第17页
- 第18页
- 第19页
- 第20页
- 第21页
- 第22页
- 第23页
- 第24页
- 第25页
- 第26页
- 第27页
- 第28页
- 第29页
- 第30页
- 第31页
- 第32页
- 第33页
- 第34页
- 第35页
- 第36页
- 第37页
- 第38页
- 第39页
- 第40页
- 第41页
- 第42页
- 第43页
- 第44页
- 第45页
- 第46页
- 第47页
- 第48页
- 第49页
- 第50页
- 第51页
- 第52页
- 第53页
- 第54页
- 第55页
- 第56页
- 第57页
- 第58页
- 第59页
- 第60页
- 第61页
- 第62页
- 第63页
- 第64页
- 第65页
- 第66页
- 第67页
- 第68页
1. 如图 19 - 3 - 1 所示电路,开关闭合后,灯不发光。用试电笔接触 $a$、$b$、$c$ 三处,氖管都发光;接触 $d$ 处,氖管不发光。则故障可能是(

A.$cd$ 间断路
B.灯短路
C.开关短路
D.灯断路
A
)A.$cd$ 间断路
B.灯短路
C.开关短路
D.灯断路
答案:
A
2. 图 19 - 3 - 2 甲是三孔插座,乙是该插座接入我国家庭电路中的电路图且符合安全用电原则。下列说法正确的是(

A.开关处烧断,该插座可以继续工作
B.只要足够小心,湿手可以碰插头、插座
C.指示灯亮度小,不消耗电能
D.若指示灯烧断,三孔插座可以继续工作
D
)A.开关处烧断,该插座可以继续工作
B.只要足够小心,湿手可以碰插头、插座
C.指示灯亮度小,不消耗电能
D.若指示灯烧断,三孔插座可以继续工作
答案:
D
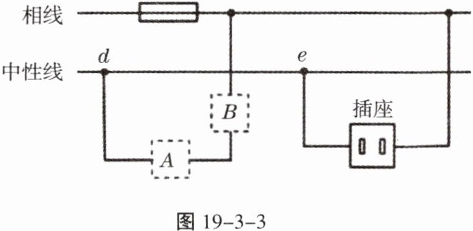
3. 如图 19 - 3 - 3 是小红家中电路的一部分,图中 $A$ 和 $B$ 位置接入的是开关 $S$ 和灯泡。小红闭合开关 $S$ 后(其他用电器均断电),灯泡亮了一段时间后熄灭,她用试电笔分别测试了图中插座的两个孔,发现试电笔氖管都能发光。若故障只有一处,下列说法中正确的是(

A.应该在 $A$ 处接开关,$B$ 处接灯泡
B.该故障是灯泡的灯丝烧断了
C.该故障是中性线 $d$、$e$ 两点间发生断路
D.若此时站在地上的人接触 $e$ 点,会有触电危险
D
)A.应该在 $A$ 处接开关,$B$ 处接灯泡
B.该故障是灯泡的灯丝烧断了
C.该故障是中性线 $d$、$e$ 两点间发生断路
D.若此时站在地上的人接触 $e$ 点,会有触电危险
答案:
D
4. 在图 19 - 3 - 4 中把插头与电水壶正确连线。

答案:
5. 如图 19 - 3 - 5 所示,请用笔画线代替导线,将图中元件接入家庭电路中,要求:①声控开关和光控开关同时控制电灯亮与灭;②三孔插座单独接入。

答案:
6. 电工师傅常用一只额定电压为 $220\ V$ 的灯泡 $L_0$(检验灯泡)取代保险丝来检查新安装的照明电路中每个支路的情况,如图 19 - 3 - 6 所示。当 $S$ 闭合后,再分别闭合 $S_1$、$S_2$、$S_3$(每次只能闭合其中之一)时,可能出现以下三种情况(短路、断路或正常),试判断并说明理由。

(1) $L_0$ 不亮,说明该支路
(2) $L_0$ 正常发光,说明该支路
(3) $L_0$ 发光呈暗红色,说明该支路
(1) $L_0$ 不亮,说明该支路
发生了断路
;理由:不能形成通路
。(2) $L_0$ 正常发光,说明该支路
发生了短路
;理由:检验灯泡两端电压为 220 V
。(3) $L_0$ 发光呈暗红色,说明该支路
是正常的
;理由:检验灯两端电压小于额定电压。
。
答案:
(1)发生了断路 理由:不能形成通路
(2)发生了短路 理由:检验灯泡两端电压为 220 V
(3)是正常的 理由:检验灯两端电压小于额定电压。
(1)发生了断路 理由:不能形成通路
(2)发生了短路 理由:检验灯泡两端电压为 220 V
(3)是正常的 理由:检验灯两端电压小于额定电压。
查看更多完整答案,请扫码查看